Для студентов БГТУ по предмету Электронные устройства мехатронных и робототехнических системИсследование диодных выпрямителей и ограничителей напряженияИсследование диодных выпрямителей и ограничителей напряжения
5,0053987
2025-11-25СтудИзба

Лабораторная работа: Исследование диодных выпрямителей и ограничителей напряжения

Описание

Оглавление
1. ВОЛЬТ-АМПЕРНЫЕ ХАРАКТЕРИСТИКИ ДИОДОВ 3
2. СХЕМА ОДНОПОЛУПЕРИОДНОГО ВЫПРЯМИТЕЛЯ 6
3. МОСТОВАЯ СХЕМА ВЫПРЯМЛЕНИЯ 10
4. СХЕМА УМНОЖИТЕЛЯ НАПРЯЖЕНИЯ 13
5. ОГРАНИЧИТЕЛИ 15
6. ВЫВОД 18


В ходе выполнения работы необходимо:
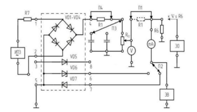
  1. Собрать схему, приведенную на рис.1.1, учитывая, что германиевый диод ѴБ5, показанный в пунктирном контуре, установлен в ламповом цоколе вместе с выпрямительным мостом и опорными диодами, а в качестве кремниевого диода используется один из диодов упомянутого выпрямительного моста, собранного на диодах ѴВ1-ѴБ4.
  2. С помощью таблиц зафиксировать предельно допустимые токи и напряжения исследуемых диодов.
  3. От источника питания ИП1 к потенциометру В п2 подвести постоянное напряжение соответствующей полярности и снять прямую и обратную ветви вольт-амперных характеристик исследуемых диодов, резистор КЛ(800 Ом) в этом случае играет роль ограничительного сопротивления. Для более наглядного сравнения свойств германиевых и кремниевых диодов целесообразно эти диоды поочередно включать в прямом, а затем в обратном направлении в схему.

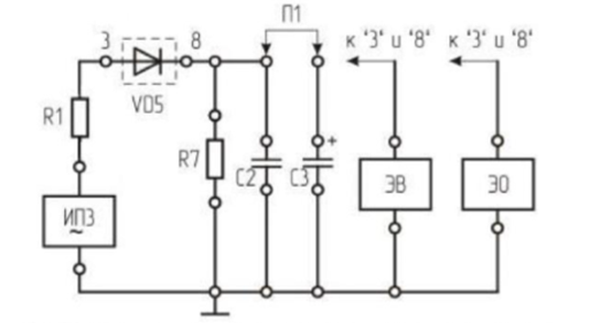
1. Собрать схему однополупериодного выпрямителя, приведенную на рис.2.1, используя в качестве нагрузки резистор R7 (2 кОм), а в качестве емкостей сглаживающего фильтра - конденсаторы С2 и С3 емкостью 1,0 и 50,0 мкФ.
2. На вход схемы выпрямителя подать напряжение от источника переменного напряжения ИП3 12 В частоты 50 Гц и измерить его с помощью электронного вольтметра (ЭВ).
3. С помощью электронного осциллографа (ЭО) просмотреть и зарисовать форму кривых напряжения на входе выпрямителя, на резисторе нагрузки R7 без фильтра и с различными емкостями фильтра С2 и С3.
4. С помощью вольтметра измерить величины постоянных и переменных составляющих напряжения на нагрузке без емкостей фильтра и с ними. После измерений произвести сравнение: эффективных значений напряжений на входе выпрямителя и на его выходе при и ; постоянных значений на нагрузке при и ; вычислить коэффициент пульсации по приближенной формуле где - емкостное сопротивление сглаживающего фильтра; = R7 - нагрузка схемы выпрямления.
  1. Оставить в ламповой панели УЛШ цоколь с собранной в нем мостовой (двухполупериодной) схемой выпрямления и собрать схему, приведенную на рис.3.1. Параллельно перемычке П4 при этом необходимо включить резистор КЛ (800 Ом), а перемычки П2 и ПЗ должны быть удалены.
2. К выходу мостового выпрямителя, содержащего полупроводниковые диоды ѴD1-ѴD4(сам диодный мост), подвести входное напряжение 12 В частоты 50 Гц от источника напряжения ИПЗ и с помощью осциллографа проверить и зарисовать форму и измерить величину подводимого к выпрямителю напряжения.
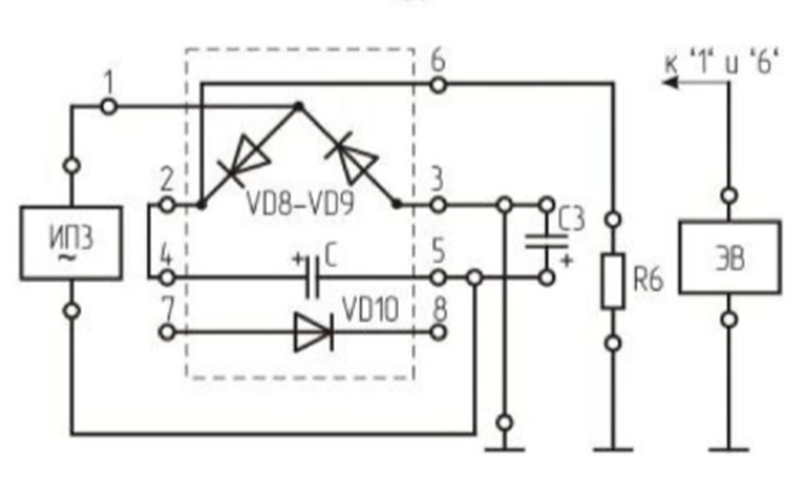
  1. Включить в ламповую панель УЛПІ цоколь с элементами простейшего умножителя напряжения (диоды ѴB8, ѴD9 и конденсатор С емкостью 50,0 мкФ) и собрать схему удвоителя напряжения (рис. 4.1).

Характеристики лабораторной работы

Учебное заведение
Просмотров
1
Качество
Идеальное компьютерное
Размер
957,76 Kb

Список файлов

shemotehnika.docx
Картинка-подпись
Если нужен другой вариант работы или отдельная задача из любой работы, пишите в комментарии

Комментарии

Нет комментариев
Стань первым, кто что-нибудь напишет!
Поделитесь ссылкой:
Цена: 500 руб.
Расширенная гарантия +3 недели гарантии, +10% цены
Рейтинг автора
5 из 5
Поделитесь ссылкой:
Сопутствующие материалы

Подобрали для Вас услуги

-17%
Вы можете использовать лабораторную работу для примера, а также можете ссылаться на неё в своей работе. Авторство принадлежит автору работы, поэтому запрещено копировать текст из этой работы для любой публикации, в том числе в свою лабораторную работу в учебном заведении, без правильно оформленной ссылки. Читайте как правильно публиковать ссылки в своей работе.
Свежие статьи
Популярно сейчас
Почему делать на заказ в разы дороже, чем купить готовую учебную работу на СтудИзбе? Наши учебные работы продаются каждый год, тогда как большинство заказов выполняются с нуля. Найдите подходящий учебный материал на СтудИзбе!
Ответы на популярные вопросы
Да! Наши авторы собирают и выкладывают те работы, которые сдаются в Вашем учебном заведении ежегодно и уже проверены преподавателями.
Да! У нас любой человек может выложить любую учебную работу и зарабатывать на её продажах! Но каждый учебный материал публикуется только после тщательной проверки администрацией.
Вернём деньги! А если быть более точными, то автору даётся немного времени на исправление, а если не исправит или выйдет время, то вернём деньги в полном объёме!
Да! На равне с готовыми студенческими работами у нас продаются услуги. Цены на услуги видны сразу, то есть Вам нужно только указать параметры и сразу можно оплачивать.
Отзывы студентов
Ставлю 10/10
Все нравится, очень удобный сайт, помогает в учебе. Кроме этого, можно заработать самому, выставляя готовые учебные материалы на продажу здесь. Рейтинги и отзывы на преподавателей очень помогают сориентироваться в начале нового семестра. Спасибо за такую функцию. Ставлю максимальную оценку.
Лучшая платформа для успешной сдачи сессии
Познакомился со СтудИзбой благодаря своему другу, очень нравится интерфейс, количество доступных файлов, цена, в общем, все прекрасно. Даже сам продаю какие-то свои работы.
Студизба ван лав ❤
Очень офигенный сайт для студентов. Много полезных учебных материалов. Пользуюсь студизбой с октября 2021 года. Серьёзных нареканий нет. Хотелось бы, что бы ввели подписочную модель и сделали материалы дешевле 300 рублей в рамках подписки бесплатными.
Отличный сайт
Лично меня всё устраивает - и покупка, и продажа; и цены, и возможность предпросмотра куска файла, и обилие бесплатных файлов (в подборках по авторам, читай, ВУЗам и факультетам). Есть определённые баги, но всё решаемо, да и администраторы реагируют в течение суток.
Маленький отзыв о большом помощнике!
Студизба спасает в те моменты, когда сроки горят, а работ накопилось достаточно. Довольно удобный сайт с простой навигацией и огромным количеством материалов.
Студ. Изба как крупнейший сборник работ для студентов
Тут дофига бывает всего полезного. Печально, что бывают предметы по которым даже одного бесплатного решения нет, но это скорее вопрос к студентам. В остальном всё здорово.
Спасательный островок
Если уже не успеваешь разобраться или застрял на каком-то задание поможет тебе быстро и недорого решить твою проблему.
Всё и так отлично
Всё очень удобно. Особенно круто, что есть система бонусов и можно выводить остатки денег. Очень много качественных бесплатных файлов.
Отзыв о системе "Студизба"
Отличная платформа для распространения работ, востребованных студентами. Хорошо налаженная и качественная работа сайта, огромная база заданий и аудитория.
Отличный помощник
Отличный сайт с кучей полезных файлов, позволяющий найти много методичек / учебников / отзывов о вузах и преподователях.
Отлично помогает студентам в любой момент для решения трудных и незамедлительных задач
Хотелось бы больше конкретной информации о преподавателях. А так в принципе хороший сайт, всегда им пользуюсь и ни разу не было желания прекратить. Хороший сайт для помощи студентам, удобный и приятный интерфейс. Из недостатков можно выделить только отсутствия небольшого количества файлов.
Спасибо за шикарный сайт
Великолепный сайт на котором студент за не большие деньги может найти помощь с дз, проектами курсовыми, лабораторными, а также узнать отзывы на преподавателей и бесплатно скачать пособия.
Популярные преподаватели
Добавляйте материалы
и зарабатывайте!
Продажи идут автоматически
6971
Авторов
на СтудИзбе
263
Средний доход
с одного платного файла
Обучение Подробнее
{user_main_secret_data}