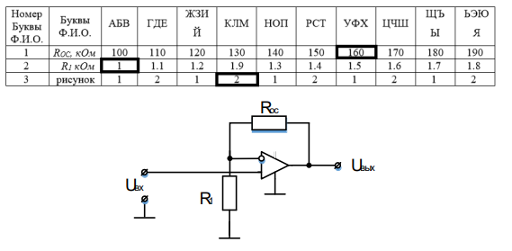
Для студентов по предмету ЭлектроникаНа вход усилителя подается напряжение 5; 10 и 50 мВ.На вход усилителя подается напряжение 5; 10 и 50 мВ.
5,0053198
2024-09-012024-09-01СтудИзба
ДЗ: На вход усилителя подается напряжение 5; 10 и 50 мВ.
Описание
На вход усилителя подается напряжение 5; 10 и 50 мВ. RОС=160 кОм; R1=1 кОм. Схема и параметры усиления указаны в таблице 5. Определить выходные напряжения и коэффициент усиления по напряжению. В каком случае усиления по напряжению не происходит?
![]()

Характеристики домашнего задания
Предмет
Просмотров
1
Качество
Идеальное компьютерное
Размер
569,63 Kb
Список файлов
РГЗ_пример(с моделированием)-11-12.pdf

Если нужен другой вариант работы или отдельная задача из любой работы, пишите в комментарии