Курсовая работа: Электрические цепи
Описание
Содержание
Список используемых обозначений. 3
1.Анализ и расчет электрической цепи постоянного тока. 6
2.Анализ и расчет однофазной цепи переменного тока. 12
3. Расчет трехфазного приемника электрической энергии. 21
Список используемых обозначений
В курсовом проекте используются следующие обозначения:
R-активное сопротивление, Ом;
L - индуктивность, Гн;
C - ёмкость, Ф;
XL, XC -реактивное сопротивление (ёмкостное и индуктивное), Ом;
I - ток, А;
U -напряжение, В;
E - электродвижущая сила, В;
P - активная мощность, Вт;
Q - реактивная мощность, Вар;
S - полная мощность, ВА;
φ - потенциал, В.
Введение
Электрические цепи действительно играют ключевую роль в современном мире, обеспечивая функционирование различных устройств и систем, от простейших бытовых приборов, таких как лампы и электроплиты, до сложных высокотехнологичных систем автоматизации и управления в промышленности. Без электрических цепей были бы невозможны такие достижения, как компьютерные технологии, связь, системы отопления и охлаждения, а также системы энергоснабжения, которые формируют основу современной инфраструктуры.
Исследование и анализ электрических цепей представляют собой важные аспекты инженерии и физики. Они являются основой проектирования и оптимизации электросистем, что в свою очередь способствует повышению эффективности, надежности и безопасности электрических установок. В условиях быстро меняющихся технологий и потребностей рынка необходимость в оптимальных, надежных и доступных решениях требует от инженеров глубокого понимания принципов работы электрических цепей, как постоянного, так и переменного тока.
В данной работе рассматриваются основные методы расчетов линейных цепей постоянного и переменного тока. Использование аналитических методов, таких как:
Закон Ома: который описывает линейную зависимость между током, напряжением и сопротивлением в электрических цепях.
Законы Кирхгофа: включая закон токов (KCL) и закон напряжений (KVL), которые разрешают задачи, касающиеся распределения токов и напряжений по электрическим цепям.
Методы контурных токов и узловых потенциалов: позволяющие упрощать и решать сложные системы уравнений, которые возникают в цепях с несколькими элементами.
Эти методы служат основой для анализа и понимания поведения электрических цепей, что позволяет получать точные результаты, необходимые для проектирования и оптимизации.
Кроме того, в работе рассматривается анализ переходных процессов второго порядка. Переходные процессы являются важными для понимания смены режима работы цепи после переключения, их динамики и установления устойчивого состояния. Эти процессы могут включать в себя такие явления, как зарядка и разрядка конденсаторов, изменение магнитных полей в катушках индуктивностей и другие динамические эффекты, которые требуют применения специальных математических инструментов для их описания.
Важной частью исследования является также использование компьютерного моделирования, выполненного в среде Proteus. Это позволяет не только подтвердить результаты аналитических расчетов, но и визуализировать различные аспекты работы электрических цепей. Моделирование предоставляет возможность тестировать различные сценарии и условия работы, что приводит к более глубокому пониманию процессов, происходящих в цепи, а также к улучшению проектных решений.
Компьютерное моделирование является мощным инструментом, позволяющим визуализировать токи и напряжения, оценивать потери и эффективность системы, а также результаты, не прибегая к физическим экспериментам, которые могут быть затратными или небезопасными. Таким образом, результаты, полученные в ходе математического анализа и компьютерного моделирования, могут быть сопоставлены, что позволяет повысить общую достоверность полученных выводов.
Тема данной курсовой работы: «Расчёт и анализ электрических цепей».
Курсовой проект включает в себя 3 раздела:
1) Анализ и расчет электрической цепи постоянного тока.
2) Анализ и расчет однофазной цепи переменного тока.
3) Расчет трехфазного приемника электрической цепи.
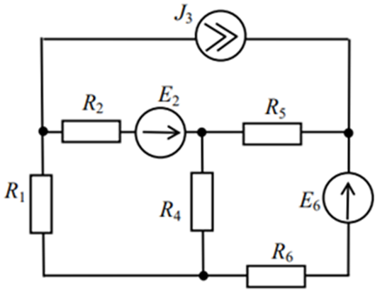
1. Расчет линейных цепей постоянного тока.
В этой главе рассмотрим процесс расчета линейных цепей постоянного тока. Используем два метода для вычисления неизвестных токов в цепи: метод непосредственного применения законов Кирхгофа и метод контурных токов. Также вычислим напряжение на резистивных элементах, определим напряжение источника тока и рассчитаем баланс мощностей. В завершение, проведем компьютерное моделирование цепи в среде Proteus. 
Дано:
J3=1.2A
E2=24 В
E6=18 В
R1=5 Ом
R2=7 Ом
R4=1 Ом
R5=8 Ом
R6=4 Ом
Найти:
1. Рассчитать значения всех неизвестных токов, используя:
- метод непосредственного применения законов Кирхгофа;
- метод контурных токов;
2. Рассчитать напряжения на всех резистивных элементах цепи;
2. Рассчитать напряжение источника тока;
3. Рассчитать баланс мощностей цепи;
4. Провести компьютерное моделирование цепи в среде Electronic Workbench, Multisim или Proteus.
Решение:
all_at_700
















