Для студентов ИДДО НИУ «МЭИ» по предмету ЭлектроникаКурс Электроника - КМ-3. Автономные инверторы. ТестированиеКурс Электроника - КМ-3. Автономные инверторы. Тестирование
4,99522062
2025-08-022025-08-02СтудИзба
💼 База ответов к тесту КМ-2: Автономные инверторы (Курс Электроника) 📊
Ответы к заданиям КМ-3: Курс Электроника - КМ-3. Автономные инверторы. Тестирование
Описание
Курс Электроника - КМ-3. Автономные инверторы. Тестирование
🔴 Другие тесты | Отдельные ответы по предмету | Помощь со сдачей ⬅️
➡️Любой предмет | Любой тест | Любая практика | ВКР (Диплом)⬅️
🗝️ ▶Помощь с сессией/долгами под ключ ◀ 🗝️
🔴 Другие тесты | Отдельные ответы по предмету | Помощь со сдачей ⬅️

🗝️ ▶Помощь с сессией/долгами под ключ ◀ 🗝️
Список вопросов
Какой вид имеет выходная характеристика автономного инвертора напряжения
![]()

Какое утверждение является правильным? Регулировочная характеристика зависимого инвертора — это
Какое утверждение является правильным? Частота выходного напряжения автономных инверторов напряжения зависит от
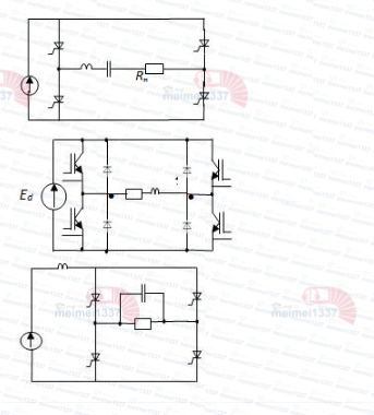
В каком из приведённых схем возможно протекание тока через источник постоянного напряжения в обоих направлениях

Характеристики ответов (шпаргалок) к заданиям
Тип
Коллекция: Ответы (шпаргалки) к заданиям
Предмет
Учебное заведение
Номер задания
Теги
Просмотров
1
Качество
Идеальное компьютерное
Количество вопросов
Преподаватели

Гарантия сдачи без лишних хлопот! ✅🎓 Ответы на тесты по любым дисциплинам, базы вопросов, работы и услуги для Синергии, МЭИ и других вузов – всё уже готово! 🚀 🎯📚 Гарантия качества – или возврат денег! 💰✅