Для студентов ИДДО НИУ «МЭИ» по предмету ЭлектроникаЭлектроника. Сборник.Электроника. Сборник.
5,005221
2024-02-292024-02-29СтудИзба
Ответы к экзамену Итоговый: Электроника. Сборник.
Описание
ЭЛЕКТРОНИКА – ТЕСТ С ОТВЕТАМИ (НИУ МЭИ (ТУ) ИДДО)
В ТЕСТЕ СОБРАНЫ 90 ВАРИАНТОВ ВОПРОСОВ.
ДЛЯ БОЛЕЕ УДОБНОГО ПОИСКА ИСПОЛЬЗУЙТЕ СОЧЕТАНИЕ КЛАВИШ CTRL+F.
ПРАВИЛЬНЫЕ ОТВЕТЫ ОТМЕЧЕНЫ ГОЛУБЫМ ЦВЕТОМ, ИЛИ ПЛЮСИКАМИ +++, ИЛИ НА КАРТИНКАХ.
УБЕДИТЕСЬ, ЧТО ОТВЕТЫ ВАМ ПОДХОДЯТ ДО ПОКУПКИ!
В ТЕСТЕ СОБРАНЫ 90 ВАРИАНТОВ ВОПРОСОВ.
ДЛЯ БОЛЕЕ УДОБНОГО ПОИСКА ИСПОЛЬЗУЙТЕ СОЧЕТАНИЕ КЛАВИШ CTRL+F.
ПРАВИЛЬНЫЕ ОТВЕТЫ ОТМЕЧЕНЫ ГОЛУБЫМ ЦВЕТОМ, ИЛИ ПЛЮСИКАМИ +++, ИЛИ НА КАРТИНКАХ.
УБЕДИТЕСЬ, ЧТО ОТВЕТЫ ВАМ ПОДХОДЯТ ДО ПОКУПКИ!
- Какое утверждение является правильным?
Двухполупериодный управляемый выпрямитель по мостовой схеме работает при a=30 в двух режимах: при активной и активно-индуктивной нагрузках. - В какой из приведенных схем возможно протекание тока через источник постоянного напряжения в обоих направлениях?
- При работе зависимого инвертора если увеличить величину напряжения источника постоянного напряжения, то:
- Правильная передаточная характеристика полевого транзистора с встроенным каналом
- Какое утверждение является правильным?
Трехфазный управляемый выпрямитель по схеме с нулевым выводом работает при активной нагрузке. При регулировании выходного напряжения от нуля до максимальной величины угол a необходимо изменять: - Какое соотношение является правильным?
Коэффициент пульсации выпрямленного напряжения без фильтра определяется как: - Какое утверждение является правильным?
При одинаковых параметрах всех элементов схем рис.1 и, рис.2 выходные характеристики, приведенные на рис.3 имеют вид: - Какое утверждение является правильным?
Регулировочная характеристика зависимого инвертора это: - Какой вид имеет кривая напряжения на нагрузке, в схеме?
- Что нужно сделать, чтобы уменьшить величину выходного напряжения выпрямителя?
- Какое утверждение является правильным?
Справочная величина допустимого тока диода /а доп это: - Какую форму имеет ток, протекающий через первичную обмотку трансформатора в схеме?
- Какую форму имеет ток, протекающий через вторичную обмотку трансформатора в схеме?
- Какую форму имеет ток, протекающий через вторичную обмотку трансформатора в схеме?
- Как влияет увеличение сопротивления нагрузки на величину выходного напряжения в автономных инверторах напряжения?
- Какое утверждение является правильным для схемы?
- Какое утверждение является правильным?
Действующее значение выходного напряжения автономных инверторов напряжения зависит от … - Какое утверждение является правильным?
Коэффициент передачи транзистора B это отношение: - Правильное обозначение полевого транзистора с встроенным каналом
- Индуктивность в цепи источника постоянного напряжения в автономных инверторов тока ставят для:
- Какую форму имеет ток, протекающий через первичную обмотку трансформатора в схеме?
- Какую форму имеет ток, протекающий через вторичную обмотку трансформатора в схеме?
- Какой вид имеет ток, показанный на рис.2б, рис.2в, рис.2г, протекающий через транзистор в схеме рис.1?
- При работе управляемого выпрямителя если увеличить коэффициент трансформации трансформатора, то:
- Какое определение является правильным?
Коэффициент сглаживания фильтра S определяется как: - В управляемых выпрямителях регулирование выходного напряжение осуществляется:
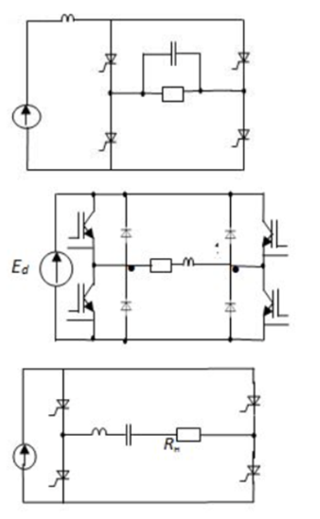
- В какой из приведенных схем расчетная величина индуктивности фильтра L будет наименьшей при заданном коэффициенте пульсации на нагрузке?
- Какое утверждение является правильным?
Двухполупериодный управляемый выпрямитель по схеме с нулевым работает при активной нагрузке. При регулировании выходного напряжения от нуля до максимальной величины угол a необходимо изменять: - Какое утверждение является правильным?
Трехфазный управляемый выпрямитель по схеме с нулевым выводом работает при а=30 в двух режимах: при активной и активно-индуктивной нагрузках. - Какая из приведенных схем является схемой автономного инвертора тока?
- Какое утверждение является правильным?
Трехфазный мостовой управляемый выпрямитель работает при активной нагрузке. При регулировании выходного напряжения от нуля до максимальной величины угол a необходимо изменять: - Как влияет увеличение индуктивности нагрузки на величину тока нагрузки в схеме?
- Как влияет увеличение индуктивности в цепи источника питания на величину тока нагрузки в схеме?
- В каком из автономных инверторов величина напряжения на нагрузке не зависит от величины сопротивления нагрузки?
- Какая из приведенных схем является схемой автономного инвертора резонансного?
- Какая из приведенных схем является схемой автономного инвертора напряжения?
- Какое утверждение является правильным?
Трехфазный мостовой управляемый выпрямитель работает при а=70 в двух режимах: при активной и активно-индуктивной нагрузках. - Какое утверждение является правильным?
Трехфазный управляемый выпрямитель по схеме с нулевым выводом работает при а=60 в двух режимах: при активно и активно-индуктивной нагрузках. - Какое утверждение является правильным?
Для увеличения мощности, отдаваемую в сеть переменного напряжения зависимым инвертором необходимо: - Какое утверждение является правильным?
Регулировочная характеристика управляемого выпрямителя это: - Какое утверждение является правильным?
Угол управления это: - Какое утверждение является правильным?
Частота выходного напряжения автономных инверторов напряжения зависит от: - В каком случае целесообразно использовать резонансный автономный инвертор?
- Какой вид имеет ток, показанный на рис.2б, рис.2в, рис.2г, протекающий через источник питания Ed в схеме рис.1?
- Какое из приведенных значений является правильным?
Коэффициент пульсации трехфазного выпрямителя с нулевым выводом без фильтра равен: - Какое утверждение является правильным?
При включении первичной обмотки трансформатора по схеме звезда: - Какую форму имеет напряжение на нагрузке, в схеме?
- Какой вид имеет выходная характеристика автономного инвертора напряжения?
- Выходная характеристика управляемого выпрямителя это:
- При работе зависимого инвертора если увеличить величину угла управления B, то:
- Какое утверждение является правильным?
Крутизна характеристики полевого транзистора S это отношение: - Какое утверждение является правильным для схемы?
- Правильная передаточная характеристика полевого транзистора
- Какой вид имеет ток, показанный на рис.2б, рис.2в, рис.2г, протекающий через диод в схеме рис.1?
- Укажите правильное обозначение IGBT транзистора
- Трехфазный управляемый выпрямитель по схеме с нулевым выводом работает при активно-индуктивной нагрузке. При регулировании выходного напряжения от нуля до максимальной величины угол а необходимо изменять:
- Правильная выходная характеристика биполярного транзистора
- При работе управляемого выпрямителя если увеличить величину угла управления а, то:
- В какой схеме правильно включено сопротивление нагрузки для стабилизации напряжения на нагрузке?
- Какое утверждение является правильным?
При увеличении индуктивности нагрузки среднее значение напряжения на нагрузке: - Какое определение является правильным?
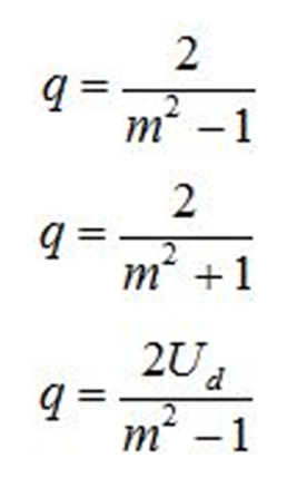
Коэффициент пульсации постоянного напряжения q определяет как: - Какое утверждение является правильным?
Двухполупериодный управляемый выпрямитель по схеме с нулевым работает при активно-индуктивной нагрузке. При регулировании выходного напряжения от нуля до максимальной величины угол а необходимо изменять: - Действующее значение выходного напряжения автономных инверторов тока зависит от …
- Какое утверждение является правильным?
Пульсность выпрямителя (m) определяется как: - Какое утверждение является правильным?
Угол управления зависимого инвертора B определяется как: - Какое утверждение является правильным?
Для увеличения мощности, отдаваемую в сеть переменного напряжения зависимым инвертором необходимо: - Какой вид имеет выходная характеристика автономного инвертора тока?
- Какое утверждение является правильным?
Конденсатор, включенный параллельно нагрузки служит для: - Правильное обозначение диода показано на
- Какое утверждение является правильным?
Напряжение переключения тиристора это: - Правильная выходная характеристика полевого транзистора показана на
- Какой вид имеет кривая напряжения между анодом и катодом, в схеме?
- Какое утверждение является правильным для схемы?
- Правильное обозначение биполярного транзистора показано на
- Правильное обозначение однооперационного тиристора показано на
- Какое утверждение является правильным?
Двухполупериодный управляемый выпрямитель по схеме с нулевым выводом работает при а=30 в двух режимах: при активной и активно-индуктивной нагрузках. - Какое утверждение является правильным?
Трехфазный мостовой управляемый выпрямитель работает при а=60 в двух режимах: при активной и активно-индуктивной нагрузках. - Правильная вольт-амперная характеристика однооперационного тиристора
- Какое утверждение является правильным?
Стабилитрон служит для: - Какое утверждение является правильным.
Однофазный мостовой управляемый выпрямитель работает при активной нагрузке. При регулировании выходного напряжения от нуля до максимальной величины угол а необходимо изменять: - Какое утверждение является для схемы правильным?
- Какое утверждение является правильным для схемы?
- Какое соотношение является правильным?
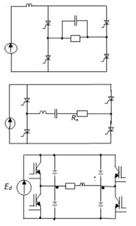
Коэффициент трансформации трансформатора определяется как: - В какой из приведенных схем возможен энергообмен между источником постоянного напряжения и реактивными элементами нагрузки?
- Какое утверждение является правильным?
При замыкании ключа К среднее значение напряжения на нагрузке: - При каком из приведенных фильтрах выпрямитель работает в режиме прерывистого тока id ( ток на выходе выпрямителя)?
- Какое утверждение является правильным?
При напряжении на вторичной обмотке трансформатора Е2 = 10 В в схеме, напряжение на нагрузке: - Какое утверждение является правильным?
При среднем значении тока нагрузки IH = 18 А в схеме, среднее значение тока диода: - Какое утверждение является правильным?
Справочная величина допустимого напряжения диода Uак доп это: - Какое утверждение является правильным?
Угол коммутационные в преобразователе электрической энергии при уменьшении сопротивления нагрузки:
Список вопросов
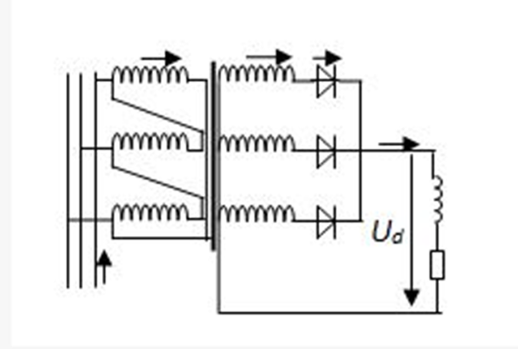
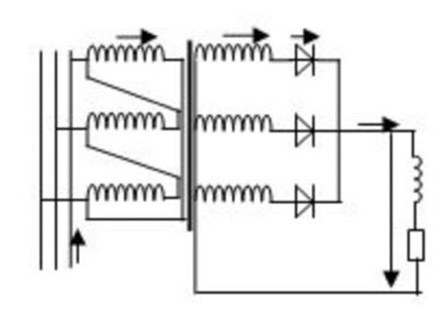
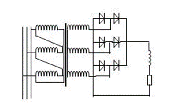
Какую форму имеет ток, протекающий через вторичную обмотку трансформатора в схеме?
![]()


Правильная передаточная характеристика полевого транзистора с встроенным каналом ![]()

Как влияет увеличение индуктивности в цепи источника питания на величину тока нагрузки в схеме? ![]()

Какое утверждение является правильным?
Трехфазный управляемый выпрямитель по схеме с нулевым выводом работает при а=30 в двух режимах: при активной и активно-индуктивной нагрузках.
Трехфазный управляемый выпрямитель по схеме с нулевым выводом работает при а=30 в двух режимах: при активной и активно-индуктивной нагрузках.
Что нужно сделать, чтобы уменьшить величину выходного напряжения выпрямителя?
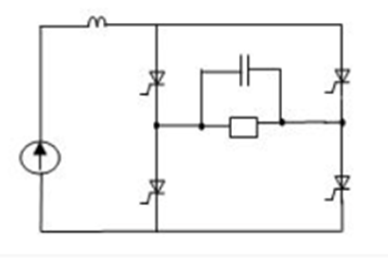
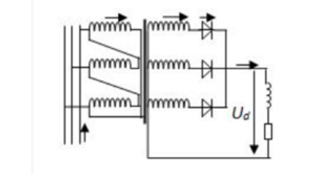
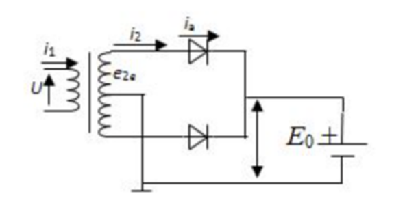
В какой из приведенных схем возможен энергообмен между источником постоянного напряжения и реактивными элементами нагрузки? ![]()

Укажите правильное обозначение IGBT транзистора ![]()

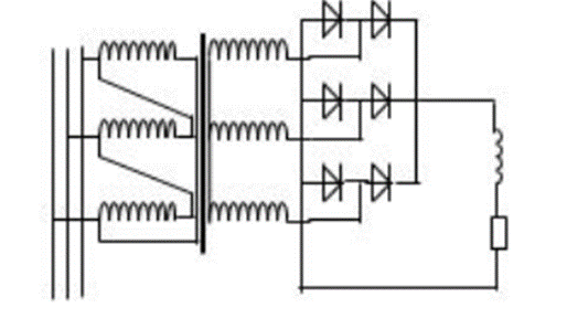
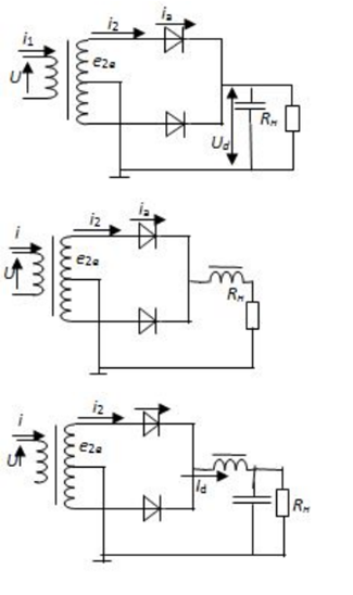
В какой из приведенных схем расчетная величина индуктивности фильтра L будет наименьшей при заданном коэффициенте пульсации на нагрузке? ![]()

Какое утверждение является для схемы правильным? ![]()

Какой вид имеет выходная характеристика автономного инвертора тока? ![]()

Какое утверждение является правильным?
Напряжение переключения тиристора это:
Напряжение переключения тиристора это:
Какое утверждение является правильным?
Действующее значение выходного напряжения автономных инверторов напряжения зависит от …
Действующее значение выходного напряжения автономных инверторов напряжения зависит от …
Какой вид имеет выходная характеристика автономного инвертора напряжения? ![]()

Какое утверждение является правильным?
Трехфазный управляемый выпрямитель по схеме с нулевым выводом работает при активной нагрузке. При регулировании выходного напряжения от нуля до максимальной величины угол a необходимо изменять:
Трехфазный управляемый выпрямитель по схеме с нулевым выводом работает при активной нагрузке. При регулировании выходного напряжения от нуля до максимальной величины угол a необходимо изменять:
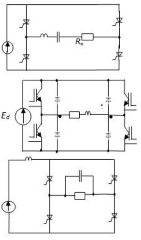
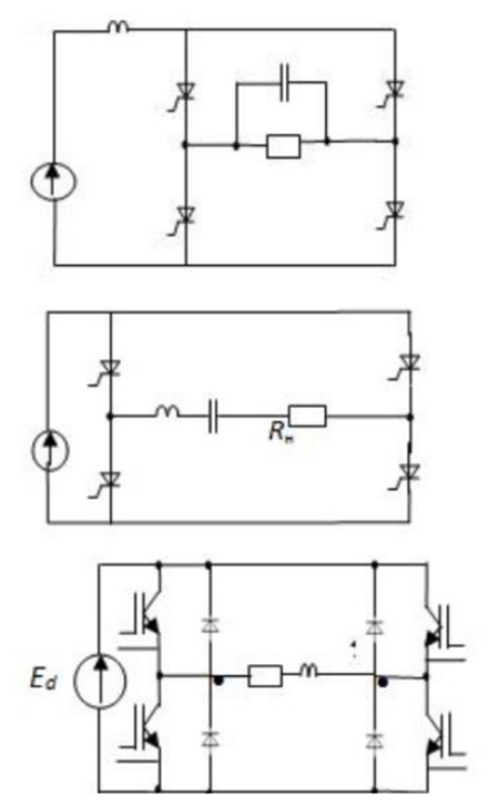
Какая из приведенных схем является схемой автономного инвертора тока? ![]()

При работе управляемого выпрямителя если увеличить коэффициент трансформации трансформатора, то:
Какое утверждение является правильным.
Однофазный мостовой управляемый выпрямитель работает при активной нагрузке. При регулировании выходного напряжения от нуля до максимальной величины угол а необходимо изменять:
Однофазный мостовой управляемый выпрямитель работает при активной нагрузке. При регулировании выходного напряжения от нуля до максимальной величины угол а необходимо изменять:
Какую форму имеет ток, протекающий через первичную обмотку трансформатора в схеме?
![]()


Трехфазный управляемый выпрямитель по схеме с нулевым выводом работает при активно-индуктивной нагрузке. При регулировании выходного напряжения от нуля до максимальной величины угол а необходимо изменять:
Какое утверждение является правильным?
Для увеличения мощности, отдаваемую в сеть переменного напряжения зависимым инвертором необходимо:
Для увеличения мощности, отдаваемую в сеть переменного напряжения зависимым инвертором необходимо:
Действующее значение выходного напряжения автономных инверторов тока зависит от …
Какое утверждение является правильным?
При напряжении на вторичной обмотке трансформатора Е2 = 10 В в схеме, напряжение на нагрузке:![]()
При напряжении на вторичной обмотке трансформатора Е2 = 10 В в схеме, напряжение на нагрузке:

Какое утверждение является правильным?
Регулировочная характеристика зависимого инвертора это:
Регулировочная характеристика зависимого инвертора это:
Правильная вольт-амперная характеристика однооперационного тиристора ![]()

Какое из приведенных значений является правильным?
Коэффициент пульсации трехфазного выпрямителя с нулевым выводом без фильтра равен:
Коэффициент пульсации трехфазного выпрямителя с нулевым выводом без фильтра равен:
В управляемых выпрямителях регулирование выходного напряжение осуществляется:
Как влияет увеличение сопротивления нагрузки на величину выходного напряжения в автономных инверторах напряжения?
Какое утверждение является правильным?
При увеличении индуктивности нагрузки среднее значение напряжения на нагрузке:![]()
При увеличении индуктивности нагрузки среднее значение напряжения на нагрузке:

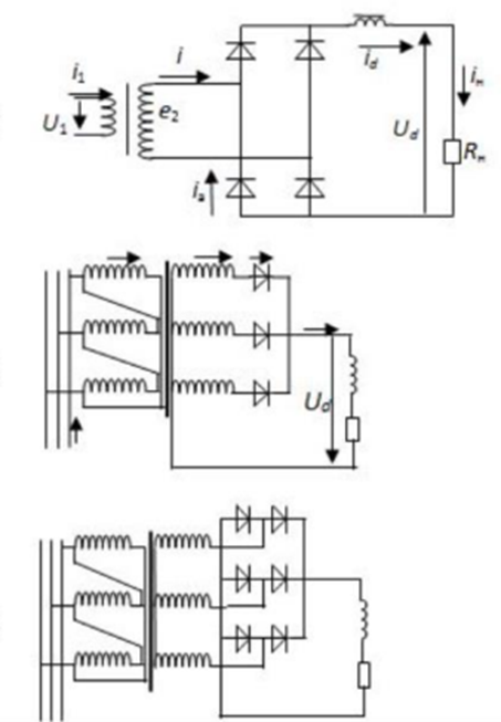
Какую форму имеет ток, протекающий через первичную обмотку трансформатора в схеме?
![]()


Какое утверждение является правильным?
Стабилитрон служит для:
Стабилитрон служит для:
Какое утверждение является правильным?
Трехфазный управляемый выпрямитель по схеме с нулевым выводом работает при а=60 в двух режимах: при активно и активно-индуктивной нагрузках.
Трехфазный управляемый выпрямитель по схеме с нулевым выводом работает при а=60 в двух режимах: при активно и активно-индуктивной нагрузках.
Какое утверждение является правильным?
Двухполупериодный управляемый выпрямитель по мостовой схеме работает при a=30 в двух режимах: при активной и активно-индуктивной нагрузках.
Двухполупериодный управляемый выпрямитель по мостовой схеме работает при a=30 в двух режимах: при активной и активно-индуктивной нагрузках.
В каком из автономных инверторов величина напряжения на нагрузке не зависит от величины сопротивления нагрузки? ![]()

Какой вид имеет кривая напряжения между анодом и катодом, в схеме?
![]()


Какое утверждение является правильным?
При среднем значении тока нагрузки IH = 18 А в схеме, среднее значение тока диода:![]()
При среднем значении тока нагрузки IH = 18 А в схеме, среднее значение тока диода:

Какое утверждение является правильным для схемы? ![]()

Правильная передаточная характеристика полевого транзистора ![]()

При работе зависимого инвертора если увеличить величину напряжения источника постоянного напряжения, то:
Какое соотношение является правильным?
Коэффициент трансформации трансформатора определяется как:![]()
Коэффициент трансформации трансформатора определяется как:

Какое утверждение является правильным?
Справочная величина допустимого напряжения диода Uак доп это:
Справочная величина допустимого напряжения диода Uак доп это:
Правильная выходная характеристика биполярного транзистора ![]()

Какое утверждение является правильным?
Двухполупериодный управляемый выпрямитель по схеме с нулевым работает при активной нагрузке. При регулировании выходного напряжения от нуля до максимальной величины угол a необходимо изменять:
Двухполупериодный управляемый выпрямитель по схеме с нулевым работает при активной нагрузке. При регулировании выходного напряжения от нуля до максимальной величины угол a необходимо изменять:
При работе зависимого инвертора если увеличить величину угла управления B, то:
Какое утверждение является правильным?
Угол коммутационные в преобразователе электрической энергии при уменьшении сопротивления нагрузки:
Угол коммутационные в преобразователе электрической энергии при уменьшении сопротивления нагрузки:
Какое утверждение является правильным?
Частота выходного напряжения автономных инверторов напряжения зависит от:
Частота выходного напряжения автономных инверторов напряжения зависит от:
Правильное обозначение диода показано на ![]()

Какое утверждение является правильным?
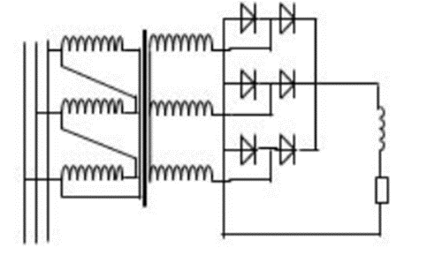
При включении первичной обмотки трансформатора по схеме звезда:![]()
При включении первичной обмотки трансформатора по схеме звезда:

Какое утверждение является правильным?
Угол управления зависимого инвертора B определяется как:
Угол управления зависимого инвертора B определяется как:
Какое утверждение является правильным?
Трехфазный мостовой управляемый выпрямитель работает при активной нагрузке. При регулировании выходного напряжения от нуля до максимальной величины угол a необходимо изменять:
Трехфазный мостовой управляемый выпрямитель работает при активной нагрузке. При регулировании выходного напряжения от нуля до максимальной величины угол a необходимо изменять:
Какое утверждение является правильным?
Пульсность выпрямителя (m) определяется как:
Пульсность выпрямителя (m) определяется как:
Какое утверждение является правильным?
Трехфазный мостовой управляемый выпрямитель работает при а=60 в двух режимах: при активной и активно-индуктивной нагрузках.
Трехфазный мостовой управляемый выпрямитель работает при а=60 в двух режимах: при активной и активно-индуктивной нагрузках.
Какую форму имеет ток, протекающий через вторичную обмотку трансформатора в схеме?
![]()


Какое утверждение является правильным?
Коэффициент передачи транзистора B это отношение:
Коэффициент передачи транзистора B это отношение:
Какое утверждение является правильным?
Крутизна характеристики полевого транзистора S это отношение:
Крутизна характеристики полевого транзистора S это отношение:
Какую форму имеет ток, протекающий через вторичную обмотку трансформатора в схеме?
![]()


Какое утверждение является правильным для схемы? ![]()

Какое утверждение является правильным?
Справочная величина допустимого тока диода /а доп это:
Справочная величина допустимого тока диода /а доп это:
Выходная характеристика управляемого выпрямителя это:
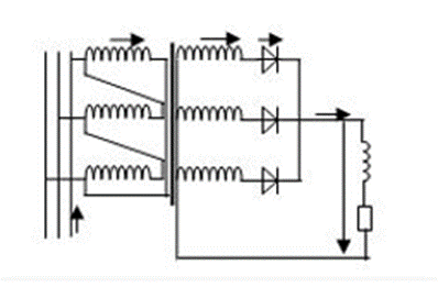
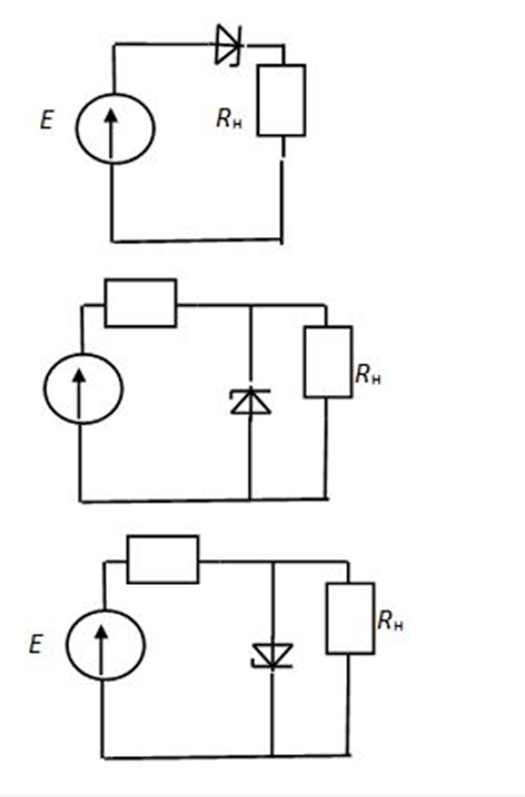
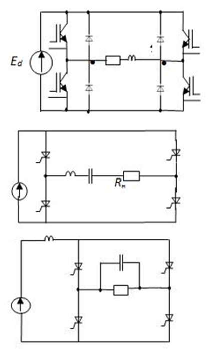
При каком из приведенных фильтрах выпрямитель работает в режиме прерывистого тока id ( ток на выходе выпрямителя)? ![]()

В какой схеме правильно включено сопротивление нагрузки для стабилизации напряжения на нагрузке? ![]()

Правильное обозначение однооперационного тиристора показано на ![]()

Какое утверждение является правильным?
Регулировочная характеристика управляемого выпрямителя это:
Регулировочная характеристика управляемого выпрямителя это:
Как влияет увеличение индуктивности нагрузки на величину тока нагрузки в схеме? ![]()

Какое утверждение является правильным?
Конденсатор, включенный параллельно нагрузки служит для:
Конденсатор, включенный параллельно нагрузки служит для:
Какое утверждение является правильным?
Двухполупериодный управляемый выпрямитель по схеме с нулевым работает при активно-индуктивной нагрузке. При регулировании выходного напряжения от нуля до максимальной величины угол а необходимо изменять:
Двухполупериодный управляемый выпрямитель по схеме с нулевым работает при активно-индуктивной нагрузке. При регулировании выходного напряжения от нуля до максимальной величины угол а необходимо изменять:
Какое определение является правильным?
Коэффициент пульсации постоянного напряжения q определяет как:
Коэффициент пульсации постоянного напряжения q определяет как:
Какая из приведенных схем является схемой автономного инвертора напряжения? ![]()

Какое утверждение является правильным?
Двухполупериодный управляемый выпрямитель по схеме с нулевым выводом работает при а=30 в двух режимах: при активной и активно-индуктивной нагрузках.
Двухполупериодный управляемый выпрямитель по схеме с нулевым выводом работает при а=30 в двух режимах: при активной и активно-индуктивной нагрузках.
Какое утверждение является правильным?
Угол управления это:
Угол управления это:
При работе управляемого выпрямителя если увеличить величину угла управления а, то:
Индуктивность в цепи источника постоянного напряжения в автономных инверторов тока ставят для:
Какое определение является правильным?
Коэффициент сглаживания фильтра S определяется как:
Коэффициент сглаживания фильтра S определяется как:
Какое соотношение является правильным?
Коэффициент пульсации выпрямленного напряжения без фильтра определяется как:![]()
Коэффициент пульсации выпрямленного напряжения без фильтра определяется как:

Какое утверждение является правильным?
Для увеличения мощности, отдаваемую в сеть переменного напряжения зависимым инвертором необходимо:
Для увеличения мощности, отдаваемую в сеть переменного напряжения зависимым инвертором необходимо:
Правильное обозначение полевого транзистора с встроенным каналом ![]()

Правильная выходная характеристика полевого транзистора показана на ![]()

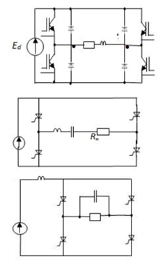
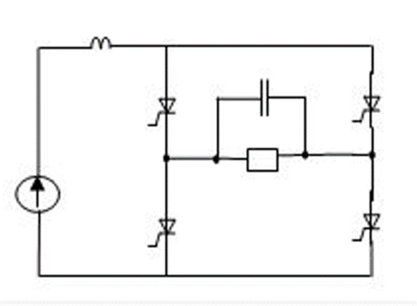
Какая из приведенных схем является схемой автономного инвертора резонансного? ![]()

В каком случае целесообразно использовать резонансный автономный инвертор?
Какое утверждение является правильным?
Трехфазный мостовой управляемый выпрямитель работает при а=70 в двух режимах: при активной и активно-индуктивной нагрузках.
Трехфазный мостовой управляемый выпрямитель работает при а=70 в двух режимах: при активной и активно-индуктивной нагрузках.
Какое утверждение является правильным?
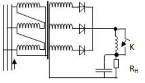
При замыкании ключа К среднее значение напряжения на нагрузке:![]()
При замыкании ключа К среднее значение напряжения на нагрузке:

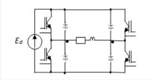
В какой из приведенных схем возможно протекание тока через источник постоянного напряжения в обоих направлениях? ![]()

Правильное обозначение биполярного транзистора показано на ![]()

Характеристики ответов (шпаргалок) к экзамену
Тип
Коллекция: Ответы (шпаргалки) к экзамену
Предмет
Учебное заведение
Семестр
Номер задания
Просмотров
238
Качество
Идеальное компьютерное
Количество вопросов
Пожалуйста, если не трудно, оцените файл на высокую оценку, спасибо!
Комментарии

Отзыв
супер