Ответ на вопрос по электронике №33983: Какой вид имеет ток, показанный на рис.2б, рис.2в, рис.2г, протекающий через транзистор в схеме рис.1? рис.2г рис.2в рис.2б Какой вид имеет ток, показанный на рис.2б, рис.2в, - Ответ на вопрос по электронике №33983Какой вид имеет ток, показанный на рис.2б, рис.2в, - Ответ на вопрос по электронике №33983
2024-02-292024-02-29СтудИзба
Какой вид имеет ток, показанный на рис.2б, рис.2в, - Ответ на вопрос по электронике №33983
-11%
Вопрос
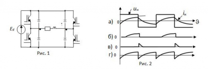
Какой вид имеет ток, показанный на рис.2б, рис.2в, рис.2г, протекающий через транзистор в схеме рис.1?
- рис.2г
- рис.2в
- рис.2б
Ответ
Этот вопрос в коллекциях
Коллекция: Электроника. Сборник.
500 руб.
Пожалуйста, если не трудно, оцените файл на высокую оценку, спасибо!