Для студентов по предмету Электроника и электротехникаКонтрольная работаКонтрольная работа
5,0054010
2025-12-20СтудИзба

ДЗ: Контрольная работа

Описание

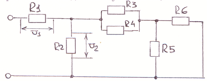
Задание 1. Для цепи на рисунке 5 известно, что U1 = 80 В, R1 = 35 Ом, R2 = 20 Ом, R3 = 16 Ом, R4 = 24 Ом, R5 = 18 Ом, R6 = 30 Ом. Определить общее сопротивление цепи, токи и напряжения на отдельных участках цепи.
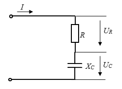
Задание 2. К цепи переменного тока приложено напряжение u = 256 sin ( ω t + 28° ) с частотой 50 Гц. Цепь состоит из активного сопротивления R = 25 Ом и конденсатора с ёмкостью C = 9 ∙ 10-5 Ф. Определить полное сопротивление цепи, ток в цепи, активную, реактивную и полную мощности. Построить векторную диаграмму. Записать выражения для мгновенных значений напряжений на активном сопротивлении и на конденсаторе.
Задание 3. В трёхфазную сеть "звездой" соединены три одинаковых приёмника с полным сопротивлением Z = 40 Ом и коэффициентом мощности cos φ = 0.8. Линейное напряжение равно 220 В. Найти линейный ток и активную мощность P, потребляемую приёмниками. Если же эти приёмники соединить "треугольником", то изменится ли линейный ток и мощность P ?
Задание 4. Микропроцессоры, их типы и область применения.
Задание 5. Объясните устройство и принцип действия двигателя постоянного тока. Укажите назначение пускового реостата.
Задание 6. Поясните устройство и принцип действия полевых транзисторов. В чём особенности, достоинства и недостатки, область применения этих приборов?
Задание 7. Изобразить электрическую схему усилителя звуковой частоты и пояснить его работу. Как зависит коэффициент усиления от частоты? Поясните.


Содержание
1. Задание 1……...…………………………..…………………………...3
2. Задание 2……...…………………………..……………………….…..6
3. Задание 3……...…………………………..…………………………...9
4. Задание 4……...…………………………..…………………………. 10
5. Задание 5……...…………………………..…………………………..16
6. Задание 6……...…………………………..…………………………..21
7. Задание 7……...…………………………..………………………......25
Список использованных источников……………………………..…28

Характеристики домашнего задания

Просмотров
1
Качество
Идеальное компьютерное
Размер
728,49 Kb

Список файлов

variant-4-elektrotehnika.docx
Картинка-подпись
Если нужен другой вариант работы или отдельная задача из любой работы, пишите в комментарии

Комментарии

Нет комментариев
Стань первым, кто что-нибудь напишет!
Поделитесь ссылкой:
Цена: 340 руб.
Расширенная гарантия +3 недели гарантии, +10% цены
Рейтинг автора
5 из 5
Поделитесь ссылкой:
Сопутствующие материалы

Подобрали для Вас услуги

Вы можете использовать домашнюю работу для примера, а также можете ссылаться на неё в своей работе. Авторство принадлежит автору работы, поэтому запрещено копировать текст из этой работы для любой публикации, в том числе в свою домашнюю работу в учебном заведении, без правильно оформленной ссылки. Читайте как правильно публиковать ссылки в своей работе.
Свежие статьи
Популярно сейчас
Зачем заказывать выполнение своего задания, если оно уже было выполнено много много раз? Его можно просто купить или даже скачать бесплатно на СтудИзбе. Найдите нужный учебный материал у нас!
Ответы на популярные вопросы
Да! Наши авторы собирают и выкладывают те работы, которые сдаются в Вашем учебном заведении ежегодно и уже проверены преподавателями.
Да! У нас любой человек может выложить любую учебную работу и зарабатывать на её продажах! Но каждый учебный материал публикуется только после тщательной проверки администрацией.
Вернём деньги! А если быть более точными, то автору даётся немного времени на исправление, а если не исправит или выйдет время, то вернём деньги в полном объёме!
Да! На равне с готовыми студенческими работами у нас продаются услуги. Цены на услуги видны сразу, то есть Вам нужно только указать параметры и сразу можно оплачивать.
Отзывы студентов
Ставлю 10/10
Все нравится, очень удобный сайт, помогает в учебе. Кроме этого, можно заработать самому, выставляя готовые учебные материалы на продажу здесь. Рейтинги и отзывы на преподавателей очень помогают сориентироваться в начале нового семестра. Спасибо за такую функцию. Ставлю максимальную оценку.
Лучшая платформа для успешной сдачи сессии
Познакомился со СтудИзбой благодаря своему другу, очень нравится интерфейс, количество доступных файлов, цена, в общем, все прекрасно. Даже сам продаю какие-то свои работы.
Студизба ван лав ❤
Очень офигенный сайт для студентов. Много полезных учебных материалов. Пользуюсь студизбой с октября 2021 года. Серьёзных нареканий нет. Хотелось бы, что бы ввели подписочную модель и сделали материалы дешевле 300 рублей в рамках подписки бесплатными.
Отличный сайт
Лично меня всё устраивает - и покупка, и продажа; и цены, и возможность предпросмотра куска файла, и обилие бесплатных файлов (в подборках по авторам, читай, ВУЗам и факультетам). Есть определённые баги, но всё решаемо, да и администраторы реагируют в течение суток.
Маленький отзыв о большом помощнике!
Студизба спасает в те моменты, когда сроки горят, а работ накопилось достаточно. Довольно удобный сайт с простой навигацией и огромным количеством материалов.
Студ. Изба как крупнейший сборник работ для студентов
Тут дофига бывает всего полезного. Печально, что бывают предметы по которым даже одного бесплатного решения нет, но это скорее вопрос к студентам. В остальном всё здорово.
Спасательный островок
Если уже не успеваешь разобраться или застрял на каком-то задание поможет тебе быстро и недорого решить твою проблему.
Всё и так отлично
Всё очень удобно. Особенно круто, что есть система бонусов и можно выводить остатки денег. Очень много качественных бесплатных файлов.
Отзыв о системе "Студизба"
Отличная платформа для распространения работ, востребованных студентами. Хорошо налаженная и качественная работа сайта, огромная база заданий и аудитория.
Отличный помощник
Отличный сайт с кучей полезных файлов, позволяющий найти много методичек / учебников / отзывов о вузах и преподователях.
Отлично помогает студентам в любой момент для решения трудных и незамедлительных задач
Хотелось бы больше конкретной информации о преподавателях. А так в принципе хороший сайт, всегда им пользуюсь и ни разу не было желания прекратить. Хороший сайт для помощи студентам, удобный и приятный интерфейс. Из недостатков можно выделить только отсутствия небольшого количества файлов.
Спасибо за шикарный сайт
Великолепный сайт на котором студент за не большие деньги может найти помощь с дз, проектами курсовыми, лабораторными, а также узнать отзывы на преподавателей и бесплатно скачать пособия.
Популярные преподаватели
Добавляйте материалы
и зарабатывайте!
Продажи идут автоматически
6977
Авторов
на СтудИзбе
262
Средний доход
с одного платного файла
Обучение Подробнее
{user_main_secret_data}