Курсовая работа: Расчет токов коротких замыканий в электрических системах
Описание
СОДЕРЖАНИЕ
ВВЕДЕНИЕ. 3
1. ИСХОДНЫЕ ДАННЫЕ. 3
2. РАСЧЕТ СХЕМЫ ЗАМЕЩЕНИЯ.. 4
2.1. Выбор оборудования. 4
2.2. Составление и расчет схемы замещения. 5
3. РАСЧЕТ ТОКОВ КОРОТКОГО ЗАМЫКАНИЯ.. 8
3.1. Расчет КЗ в начальный момент времени. 8
3.2. Расчет установившегося КЗ. 10
3.2.1. Расчет тока КЗ в месте КЗ. 10
3.2.2. Расчет тока КЗ в ветвях и напряжения в узлах схемы.. 12
3.3. Расчет тока несимметричного КЗ. 13
3.3.1. Расчет тока КЗ в месте КЗ. 13
3.3.2. Расчет тока КЗ в ветвях и напряжения в узлах схемы.. 18
4 РАСЧЕТ КЗ В ПВК RASTRWIN.. 21
4.1. Ввод исходных данных. 21
4.2. Расчет тока трехфазного КЗ в начальный момент. 22
4.3. Расчет установившегося тока трехфазного КЗ. 23
4.4. Расчет установившегося тока несимметричного КЗ. 24
4.5. Сравнение ручного расчета с программным. 26
5. ВЫВОДЫ.. 27
СПИСОК ЛИТЕРАТУРЫ.. 28
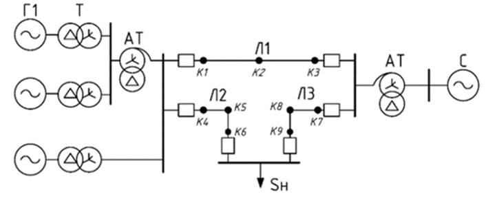
Таблица 1.1 – Исходные данные
ВВЕДЕНИЕ. 3
1. ИСХОДНЫЕ ДАННЫЕ. 3
2. РАСЧЕТ СХЕМЫ ЗАМЕЩЕНИЯ.. 4
2.1. Выбор оборудования. 4
2.2. Составление и расчет схемы замещения. 5
3. РАСЧЕТ ТОКОВ КОРОТКОГО ЗАМЫКАНИЯ.. 8
3.1. Расчет КЗ в начальный момент времени. 8
3.2. Расчет установившегося КЗ. 10
3.2.1. Расчет тока КЗ в месте КЗ. 10
3.2.2. Расчет тока КЗ в ветвях и напряжения в узлах схемы.. 12
3.3. Расчет тока несимметричного КЗ. 13
3.3.1. Расчет тока КЗ в месте КЗ. 13
3.3.2. Расчет тока КЗ в ветвях и напряжения в узлах схемы.. 18
4 РАСЧЕТ КЗ В ПВК RASTRWIN.. 21
4.1. Ввод исходных данных. 21
4.2. Расчет тока трехфазного КЗ в начальный момент. 22
4.3. Расчет установившегося тока трехфазного КЗ. 23
4.4. Расчет установившегося тока несимметричного КЗ. 24
4.5. Сравнение ручного расчета с программным. 26
5. ВЫВОДЫ.. 27
СПИСОК ЛИТЕРАТУРЫ.. 28
Таблица 1.1 – Исходные данные
| Вариант | Номер схемы | Номер точки КЗ | Вид несимметричного КЗ | Мощность нагрузки Sн, МВА | Мощность КЗ системы , МВА | Длина линий Л1/Л2/Л3, км |
| 59 | 9 | 7 | 1,1 | 50+j40 | 1300/1040 | 50 |
Характеристики курсовой работы
Учебное заведение
Семестр
Просмотров
2
Размер
582,7 Kb
Список файлов
Электромагнитные переходные процессы.docx
Комментарии
Нет комментариев
Стань первым, кто что-нибудь напишет!
ВСГУТУ
Преподаватель1














