Для студентов ИГЭУ им. Ленина по предмету Электрические машиныХарактеристики двигателя постоянного тока с параллельным и последовательным возбуждениемХарактеристики двигателя постоянного тока с параллельным и последовательным возбуждением
5,00570
2025-03-262025-05-05СтудИзба
Лабораторная работа 6: Характеристики двигателя постоянного тока с параллельным и последовательным возбуждением
Описание
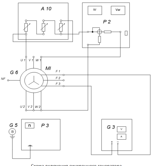
Программа работы
![]()
- Ознакомиться с конструкцией, проанализировать принцип действия, записать паспортные данные двигателя.
- Снять и построить рабочие характеристики P1, I, M, n, η=f(P2) при U=UH=const., iв1= iвн=const.
- Снять и построить скоростные характеристики: n=f(I) при U=UН=const., iB=const, для двух значений тока возбуждения: iв1=0,75iвн и iв= iвн. Определить изменение частоты вращения при изменении нагрузки от номинальной до режима холостого хода.
- Снять и построить регулировочные характеристики iB =f(I) при U=UН=const и n=nH=const., U= f(Iя) при iв= iвн=const и n=nH=const.
- Снять и построить механические характеристики: n=f(M) при U=UН=const., iв= iвн=const. для трех значений сопротивлений реостата в цепи якоря Rр1=0, Rр2 >0, Rр3 > Rр2, для которых при токе якоря Iа= IН двигатель развивает частоту вращения nH, 0,8nH, и 0,6nH.

Характеристики лабораторной работы
Предмет
Учебное заведение
Семестр
Номер задания
Программы
Теги
Просмотров
5
Качество
Идеальное компьютерное
Размер
390,48 Kb
Преподаватели
Список файлов
лаба 6 машины.docx

🎓Помощь студентам Ивановских ВУЗов🎓 ❤️ Каждая приобретенная работа служит стимулом для добавления новых материалов и упрощает учебный процесс.