Для студентов ИГЭУ им. Ленина по предмету Электрические машиныИсследование параллельной работы с сетью трехфазного синхронного генератора и испытание синхронного двигателяИсследование параллельной работы с сетью трехфазного синхронного генератора и испытание синхронного двигателя
5,00576
2025-03-092025-05-21СтудИзба
Лабораторная работа 2: Исследование параллельной работы с сетью трехфазного синхронного генератора и испытание синхронного двигателя
Описание
Часть 1. Исследование параллельной работы с сетью трехфазного синхронного генератора
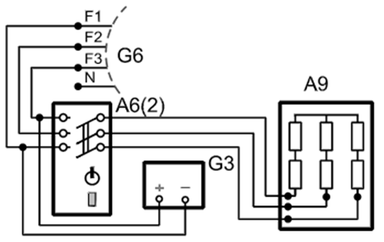
- Включить генератор на параллельную работу с сетью методом точной синхронизации.
- Провести испытания синхронного генератора при параллельной работе с сетью в режиме регулирования активной мощности при постоянном токе возбуждения; испытания провести при двух значениях тока возбуждения по заданию преподавателя.
- Провести испытания синхронного генератора при параллельной работе с сетью при постоянной активной мощности и переменном возбуждении; испытания провести при двух значениях отдаваемой активной мощности по заданию преподавателя.
= Включить генератор на параллельную работу с сетью методом самосинхронизации![]()
- Программа исследования
- Включить генератор на параллельную работу с сетью методом точной синхронизации.
- Провести испытания синхронного генератора при параллельной работе с сетью в режиме регулирования активной мощности при постоянном токе возбуждения; испытания провести при двух значениях тока возбуждения по заданию преподавателя.
- Провести испытания синхронного генератора при параллельной работе с сетью при постоянной активной мощности и переменном возбуждении; испытания провести при двух значениях отдаваемой активной мощности по заданию преподавателя.
= Включить генератор на параллельную работу с сетью методом самосинхронизации
- Определение паспортных данных
- Испытания синхронного генератора при параллельной работе с сетью в режиме регулирования активной мощности при постоянном токе возбуждения
- Испытания синхронного генератора при параллельной работе с сетью при постоянной активной мощности и переменном возбуждении
- Включение генератора на параллельную работу с сетью методом самосинхронизации

Характеристики лабораторной работы
Предмет
Учебное заведение
Семестр
Номер задания
Программы
Теги
Просмотров
9
Качество
Идеальное компьютерное
Размер
149,95 Kb
Преподаватели
Список файлов
МАШИНЫ 2.2.docx

🎓Помощь студентам Ивановских ВУЗов🎓 ❤️ Каждая приобретенная работа служит стимулом для добавления новых материалов и упрощает учебный процесс.