Для студентов СГТУ им. Гагарина по предмету Электрические и электронные аппаратыРасчет и моделирование электромагнита постоянного токаРасчет и моделирование электромагнита постоянного тока
5,0051
2025-05-212025-05-21СтудИзба
Курсовая работа: Расчет и моделирование электромагнита постоянного тока
Описание
СОДЕРЖАНИЕ
1. ЦЕЛЬ И ЗАДАЧИ. ИСХОДНЫЕ ДАННЫЕ.. 3
2. ЗАДАЧИ ПОВЕРОЧНОГО РАСЧЕТА.. 6
3. РАЗБИЕНИЕ ЦЕПИ МАГНИТА НА УЧАСТКИ.. 7
4. РАСЧЕТ ВОЗДУШНЫХ ЗАЗОРОВ ДЛЯ РАЗНЫХ ПОЛОЖЕНИЙ ЯКОРЯ.. 8
5. РАСЧЕТ МАГНИТНЫХ ПРОВОДИМОСТЕЙ ВОЗДУШНЫХ ЗАЗОРОВ.. 9
5.1. Определение проводимости рабочего зазора. 9
5.2. Определение проводимости первого паразитного зазора. 9
5.3. Определение проводимости второго паразитного зазора. 11
6. ОПРЕДЕЛЕНИЕ КОЭФФИЦИЕНТОВ РАССЕИВАНИЯ. 13
7. ОПРЕДЕЛЕНИЕ ПАРАМЕТРОВ УЧАСТКОВ И МДС МАГНИТНОЙ ЦЕПИ.. 14
7.1 Расчет нулевого участка. 14
7.2. Расчет первого участка. 15
7.3. Расчет второго участка, второй паразитный зазор. 16
7.4. Расчет третьего участка цепи.. 17
7.5. Расчет четвертого участка. 18
7.6. Расчет пятого участка. Первый паразитный зазор. 19
7.7. Расчет шестого участка. 20
8. ОПРЕДЕЛЕНИЕ ПАРАМЕТРОВ КАТУШКИ ЭЛЕКТРОМАГНИТА.. 23
9. ОПРЕДЕЛЕНИЕ ПРЕВЫШЕНИЯ УСТАНОВИВШЕЙСЯ ТЕМПЕРАТУРЫ НАД ТЕМПЕРАТУРОЙ ОКРУЖАЮЩЕЙ СРЕДЫ... 25
10. ОПРЕДЕЛЕНИЕ ТЯГОВОЙ ХАРАКТЕРИСТИКИ.. 26
11. ОПРЕДЕЛЕНИЕ ВРЕМЕНИ ТРОГАНИЯ ЭЛЕКТРОМАГНИТА.. 28
12. МОДЕЛИРОВАНИЕ ЭЛЕКТРОМАГНИТНОГО ПОЛЯ В ВОЗДУШНОМ ЗАЗОРЕ МАГНИТОПРОВОДА В СРЕДЕ ELCUT. 29
ПРИЛОЖЕНИЕ 1. 37
ПРИЛОЖЕНИЕ 2. 38
ПРИЛОЖЕНИЕ 3. 39
ПРИЛОЖЕНИЕ 4. 40
Целью данного курсового проекта является проектирование электромагнита постоянного тока. Проектирование электромагнитного аппарата можно разбить на 4 этапа:
1. Выбор типа магнитной цепи.
2. Предварительный расчет, т.е. определение основных размеров электромагнита.
3. Поверочный расчет – расчет магнитной цепи электромагнита и уточнения параметров предварительного расчета; расчет обмотки и проверки ее теплового режима; расчет тяговой характеристики электромагнита; расчет контактов и контактных пружин; расчет возвратной пружины, определение времени срабатывания и отпускания электромагнита.
4. Конструирование всего устройства с учетом его применения и технологии производства.
Исходные данные:
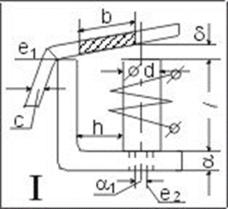
Рисунок 1. - Общая схема электромагнита постоянного тока.
Для проектирования предоставлены исходные данные геометрических параметров электромагнита, а также его электрические данные. Необходимо рассчитать электромагнит клапанного типа.
Таблица 1. Геометрические данные электромагнита
Таблица 2. Магнитная индукция, начальный и конечный зазоры, напряжение питания, материал.
Таблица 3 - Величины начальной силы и начального зазора
1. ЦЕЛЬ И ЗАДАЧИ. ИСХОДНЫЕ ДАННЫЕ.. 3
2. ЗАДАЧИ ПОВЕРОЧНОГО РАСЧЕТА.. 6
3. РАЗБИЕНИЕ ЦЕПИ МАГНИТА НА УЧАСТКИ.. 7
4. РАСЧЕТ ВОЗДУШНЫХ ЗАЗОРОВ ДЛЯ РАЗНЫХ ПОЛОЖЕНИЙ ЯКОРЯ.. 8
5. РАСЧЕТ МАГНИТНЫХ ПРОВОДИМОСТЕЙ ВОЗДУШНЫХ ЗАЗОРОВ.. 9
5.1. Определение проводимости рабочего зазора. 9
5.2. Определение проводимости первого паразитного зазора. 9
5.3. Определение проводимости второго паразитного зазора. 11
6. ОПРЕДЕЛЕНИЕ КОЭФФИЦИЕНТОВ РАССЕИВАНИЯ. 13
7. ОПРЕДЕЛЕНИЕ ПАРАМЕТРОВ УЧАСТКОВ И МДС МАГНИТНОЙ ЦЕПИ.. 14
7.1 Расчет нулевого участка. 14
7.2. Расчет первого участка. 15
7.3. Расчет второго участка, второй паразитный зазор. 16
7.4. Расчет третьего участка цепи.. 17
7.5. Расчет четвертого участка. 18
7.6. Расчет пятого участка. Первый паразитный зазор. 19
7.7. Расчет шестого участка. 20
8. ОПРЕДЕЛЕНИЕ ПАРАМЕТРОВ КАТУШКИ ЭЛЕКТРОМАГНИТА.. 23
9. ОПРЕДЕЛЕНИЕ ПРЕВЫШЕНИЯ УСТАНОВИВШЕЙСЯ ТЕМПЕРАТУРЫ НАД ТЕМПЕРАТУРОЙ ОКРУЖАЮЩЕЙ СРЕДЫ... 25
10. ОПРЕДЕЛЕНИЕ ТЯГОВОЙ ХАРАКТЕРИСТИКИ.. 26
11. ОПРЕДЕЛЕНИЕ ВРЕМЕНИ ТРОГАНИЯ ЭЛЕКТРОМАГНИТА.. 28
12. МОДЕЛИРОВАНИЕ ЭЛЕКТРОМАГНИТНОГО ПОЛЯ В ВОЗДУШНОМ ЗАЗОРЕ МАГНИТОПРОВОДА В СРЕДЕ ELCUT. 29
ПРИЛОЖЕНИЕ 1. 37
ПРИЛОЖЕНИЕ 2. 38
ПРИЛОЖЕНИЕ 3. 39
ПРИЛОЖЕНИЕ 4. 40
Целью данного курсового проекта является проектирование электромагнита постоянного тока. Проектирование электромагнитного аппарата можно разбить на 4 этапа:
1. Выбор типа магнитной цепи.
2. Предварительный расчет, т.е. определение основных размеров электромагнита.
3. Поверочный расчет – расчет магнитной цепи электромагнита и уточнения параметров предварительного расчета; расчет обмотки и проверки ее теплового режима; расчет тяговой характеристики электромагнита; расчет контактов и контактных пружин; расчет возвратной пружины, определение времени срабатывания и отпускания электромагнита.
4. Конструирование всего устройства с учетом его применения и технологии производства.
Исходные данные:

Для проектирования предоставлены исходные данные геометрических параметров электромагнита, а также его электрические данные. Необходимо рассчитать электромагнит клапанного типа.
Таблица 1. Геометрические данные электромагнита
Номер варианта | а, мм | b, мм | с, мм | Æd*, мм | Æd1, мм | e2, мм | l, мм | h, мм |
7 | 4 | 22 | 3 | 8 | 4 | 0,05 | 30 | 12 |
Вd, Тл | dн, мм | dк, мм | U, В | Материал |
0,1 | 2 | 0,15 | 24 | Сталь Э |
Номер варианта | 1 |
F :эн. Кгс | 18 |
d н, см | 0,15 |
- Режимы включений ПВ=1;
- Напряжение U=24B.
Характеристики курсовой работы
Учебное заведение
Просмотров
11
Качество
Идеальное компьютерное
Размер
1,19 Mb
Список файлов
torosyan_181407_b1-elet31_2020_6_1.docx

Если нужен другой вариант работы или отдельная задача из любой работы, пишите в комментарии