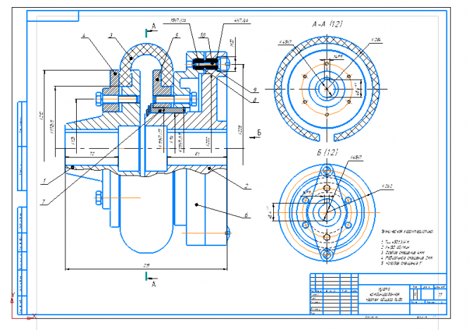
Для студентов МГТУ им. Н.Э.Баумана по предмету Детали машин (ДМ)Комбинированная муфта (упругая + предохранительный элемент)Комбинированная муфта (упругая + предохранительный элемент)
5,0052
2021-06-242021-06-24СтудИзба
Другое: Комбинированная муфта (упругая + предохранительный элемент)
Описание
Характеристики учебной работы
Тип
Предмет
Учебное заведение
Семестр
Просмотров
99
Размер
127,58 Kb
Список файлов
Муфта комбинированная_Чертеж общего вида.cdw
Спецификация_Муфта комбинированная ВО.spw
муфта.cdw.bak
Комментарии
Нет комментариев
Стань первым, кто что-нибудь напишет!
МГТУ им. Н.Э.Баумана
SilverStars

















