Для студентов МГТУ им. Н.Э.Баумана по предмету Детали машин (ДМ)Расчет соединенийРасчет соединений
4,45512
2021-03-232025-09-05СтудИзба
ДЗ С-3: Расчет соединений вариант 2
-55%
Описание
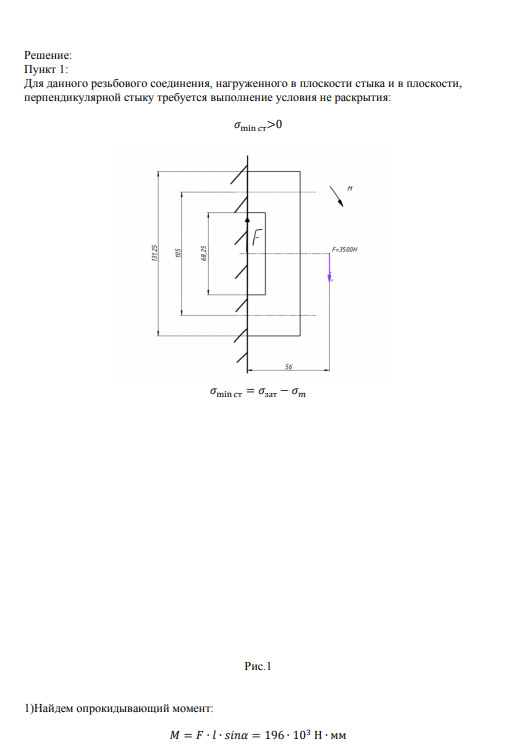
Вариант 2, но для других вариантов будут просто другие числовые значения.
Зачетно на максимальный балл


Характеристики домашнего задания
Предмет
Учебное заведение
Семестр
Номер задания
Вариант
Просмотров
261
Размер
455,64 Kb
Список файлов
Вариант С3-2.pdf

Друзья, спасибо за доверие! Если вам понравилась работа – поставьте 5⭐ и напишите отзыв. Это поможет другим студентам, а мне даст силы делать ещё больше качественных материалов для вас 🔥