Для студентов СГАУ им. Королёва по предмету Детали машин (ДМ)Проектирование обводного редуктора механизма управления механизацией крыла самолётаПроектирование обводного редуктора механизма управления механизацией крыла самолёта
2025-06-102025-06-11СтудИзба
Курсовая работа 3: Проектирование обводного редуктора механизма управления механизацией крыла самолёта вариант 7
Описание
Вариант № 3-7
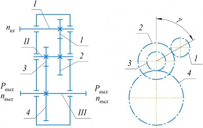
Объектом исследования является редуктор самолёта. Редуктор двухступенчатый, цилиндрический.
Цель работы – разработка конструкции, удовлетворяющая
требованиям, предъявляемым к авиационным изделиям.
В результате работы выбран материал, определены допускаемые и расчётные напряжения, проведён геометрический расчёт.
Эффективность работы заключается в определении оптимальных массовых и габаритных характеристик редуктора, обеспечивающих его работоспособность. ![]()
Характеристики курсовой работы
Предмет
Учебное заведение
Семестр
Номер задания
Вариант
Программы
Просмотров
1
Размер
1,47 Mb
Список файлов
вал.pdf
Крышка.pdf
Пояснительная записка.docx
сборочный чертеж.pdf
Спецификация.pdf
стакан.pdf
СГАУ им. Королёва

















