Главная » Учебные материалы » Детали машин (ДМ) » Курсовые работы » МГТУ им. Н.Э.Баумана » 6 семестр » Номер ДМ » Вариант 1100 » ДМ 1100 - Привод ленточного транспортера с двухступенчатым цилиндрическим горизонтальным соосным однопоточным редуктором (первая ступенькосозубая передача внешнего зацепления, вторая ступень- прямозубая передача внешнего зацепления)
Для студентов МГТУ им. Н.Э.Баумана по предмету Детали машин (ДМ)ДМ 1100 - Привод ленточного транспортера с двухступенчатым цилиндрическим горизонтальным соосным однопоточным редуктором (первая ступенькосозубая переДМ 1100 - Привод ленточного транспортера с двухступенчатым цилиндрическим горизонтальным соосным однопоточным редуктором (первая ступенькосозубая пере
4,90549012
2024-09-03СтудИзба

ДМ 1100 - Привод ленточного транспортера с двухступенчатым цилиндрическим горизонтальным соосным однопоточным редуктором (первая ступенькосозубая передача внешнего зацепления, вторая ступень- прямозубая передача внешнего зацепления)

-64%

Описание

Введение
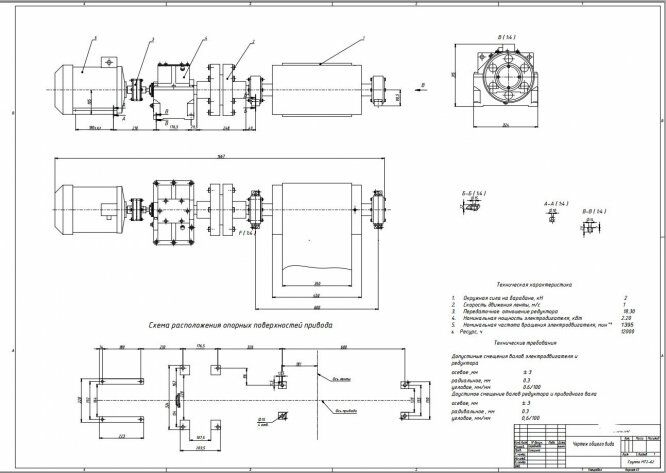
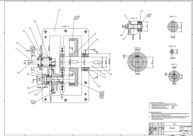
Пояснительная записка к курсовой работе №1100 «Привод ленточного транспортера с двухступенчатым цилиндрическим горизонтальным соосным однопоточным редуктором (первая ступень- косозубая передача внешнего зацепления, вторая ступень- прямозубая передача внешнего зацепления)» имеет следующую структуру: Все вычисления проведены по методикам, изложенным в методической литературе [1][4]. Приложение содержит в себе пять листов формата А3 и спецификацию к сборочным чертежам. Комплект курсовой работы завершают пять листов форматов А1:  1 лист: Редуктор  2 лист: Редуктор  3 лист: Торообразная муфта, тихоходный вал и колесо зубчатое.  4 лист: Приводной вал  5 лист: Общий вид привода Для графических построений использовалась программа Autodesk Inventor Professional 2018. Стандартные изделия взяты из библиотеки стандартных деталей.

Файлы условия, демо

Характеристики курсовой работы

Учебное заведение
Семестр
Номер задания
Вариант
Просмотров
246
Размер
1,1 Mb

Список файлов

Привод ленточного транспортера с двухступенчатым цилиндрическим горизонтальным соосным однопоточным редуктором 1100 (первая ступенькосозубая передача внешнего зацепления, вторая ступень-
Capture.JPG
Лист 1.pdf
Лист 2- Редуктор.pdf
Лист 3.1 Колесо.pdf
Лист 5.pdf
Приводной вал.pdf
РПЗ.pdf
Упругая муфта.pdf
Чертеж общего вида.pdf
Картинка-подпись
Друзья, спасибо за доверие! Если вам понравилась работа – поставьте 5⭐ и напишите отзыв. Это поможет другим студентам, а мне даст силы делать ещё больше качественных материалов для вас 🔥

Комментарии

Нет комментариев
Стань первым, кто что-нибудь напишет!
Поделитесь ссылкой:
Цена: 5 000 1 790 руб.
Расширенная гарантия +3 недели гарантии, +10% цены
Рейтинг автора
4,9 из 5
Поделитесь ссылкой:
Сопутствующие материалы

Подобрали для Вас услуги

-26%
Вы можете использовать курсовую работу для примера, а также можете ссылаться на неё в своей работе. Авторство принадлежит автору работы, поэтому запрещено копировать текст из этой работы для любой публикации, в том числе в свою курсовую работу в учебном заведении, без правильно оформленной ссылки. Читайте как правильно публиковать ссылки в своей работе.
Свежие статьи
Популярно сейчас
Почему делать на заказ в разы дороже, чем купить готовую учебную работу на СтудИзбе? Наши учебные работы продаются каждый год, тогда как большинство заказов выполняются с нуля. Найдите подходящий учебный материал на СтудИзбе!
Ответы на популярные вопросы
Да! Наши авторы собирают и выкладывают те работы, которые сдаются в Вашем учебном заведении ежегодно и уже проверены преподавателями.
Да! У нас любой человек может выложить любую учебную работу и зарабатывать на её продажах! Но каждый учебный материал публикуется только после тщательной проверки администрацией.
Вернём деньги! А если быть более точными, то автору даётся немного времени на исправление, а если не исправит или выйдет время, то вернём деньги в полном объёме!
Да! На равне с готовыми студенческими работами у нас продаются услуги. Цены на услуги видны сразу, то есть Вам нужно только указать параметры и сразу можно оплачивать.
Отзывы студентов
Ставлю 10/10
Все нравится, очень удобный сайт, помогает в учебе. Кроме этого, можно заработать самому, выставляя готовые учебные материалы на продажу здесь. Рейтинги и отзывы на преподавателей очень помогают сориентироваться в начале нового семестра. Спасибо за такую функцию. Ставлю максимальную оценку.
Лучшая платформа для успешной сдачи сессии
Познакомился со СтудИзбой благодаря своему другу, очень нравится интерфейс, количество доступных файлов, цена, в общем, все прекрасно. Даже сам продаю какие-то свои работы.
Студизба ван лав ❤
Очень офигенный сайт для студентов. Много полезных учебных материалов. Пользуюсь студизбой с октября 2021 года. Серьёзных нареканий нет. Хотелось бы, что бы ввели подписочную модель и сделали материалы дешевле 300 рублей в рамках подписки бесплатными.
Отличный сайт
Лично меня всё устраивает - и покупка, и продажа; и цены, и возможность предпросмотра куска файла, и обилие бесплатных файлов (в подборках по авторам, читай, ВУЗам и факультетам). Есть определённые баги, но всё решаемо, да и администраторы реагируют в течение суток.
Маленький отзыв о большом помощнике!
Студизба спасает в те моменты, когда сроки горят, а работ накопилось достаточно. Довольно удобный сайт с простой навигацией и огромным количеством материалов.
Студ. Изба как крупнейший сборник работ для студентов
Тут дофига бывает всего полезного. Печально, что бывают предметы по которым даже одного бесплатного решения нет, но это скорее вопрос к студентам. В остальном всё здорово.
Спасательный островок
Если уже не успеваешь разобраться или застрял на каком-то задание поможет тебе быстро и недорого решить твою проблему.
Всё и так отлично
Всё очень удобно. Особенно круто, что есть система бонусов и можно выводить остатки денег. Очень много качественных бесплатных файлов.
Отзыв о системе "Студизба"
Отличная платформа для распространения работ, востребованных студентами. Хорошо налаженная и качественная работа сайта, огромная база заданий и аудитория.
Отличный помощник
Отличный сайт с кучей полезных файлов, позволяющий найти много методичек / учебников / отзывов о вузах и преподователях.
Отлично помогает студентам в любой момент для решения трудных и незамедлительных задач
Хотелось бы больше конкретной информации о преподавателях. А так в принципе хороший сайт, всегда им пользуюсь и ни разу не было желания прекратить. Хороший сайт для помощи студентам, удобный и приятный интерфейс. Из недостатков можно выделить только отсутствия небольшого количества файлов.
Спасибо за шикарный сайт
Великолепный сайт на котором студент за не большие деньги может найти помощь с дз, проектами курсовыми, лабораторными, а также узнать отзывы на преподавателей и бесплатно скачать пособия.
Популярные преподаватели
Добавляйте материалы
и зарабатывайте!
Продажи идут автоматически
6846
Авторов
на СтудИзбе
273
Средний доход
с одного платного файла
Обучение Подробнее
{user_main_secret_data}