Для студентов МГТУ им. Н.Э.Баумана по предмету Детали машин (ДМ)ДМ 12 - Привод роликового конвейера цилиндрического косозубого вертикального моторредуктораДМ 12 - Привод роликового конвейера цилиндрического косозубого вертикального моторредуктора
4,90547246
2021-05-062024-09-03СтудИзба
Курсовая работа ДМ: ДМ 12 - Привод роликового конвейера цилиндрического косозубого вертикального моторредуктора вариант 12
-64%
Описание
Чертеж PDF в формате A1
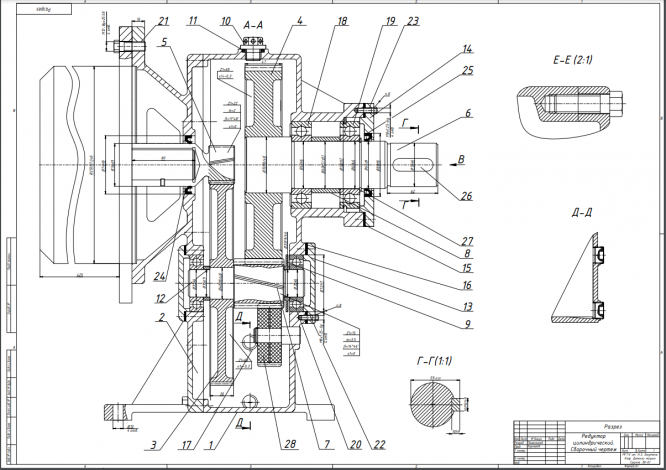
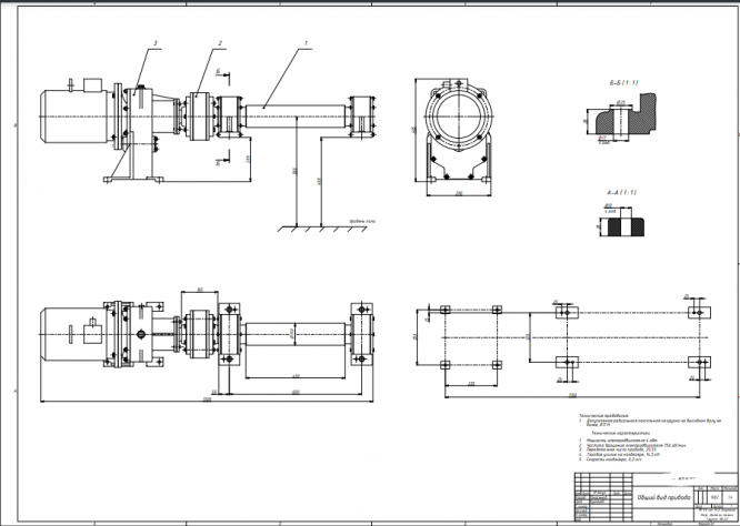
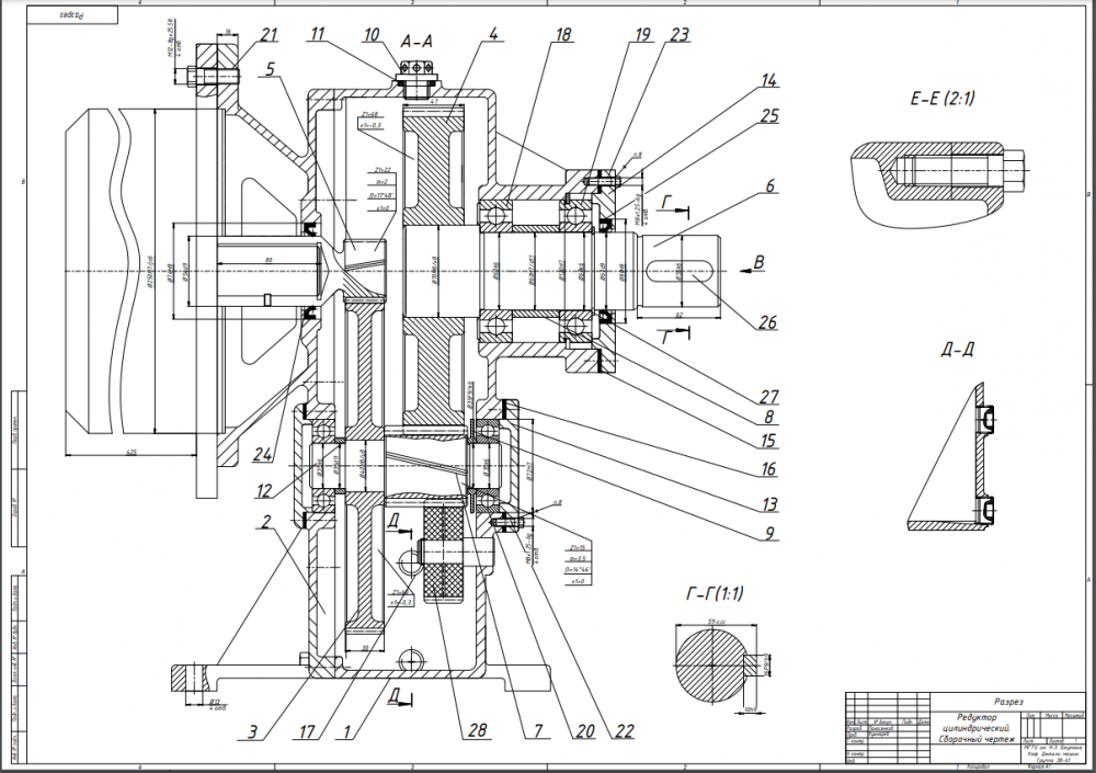
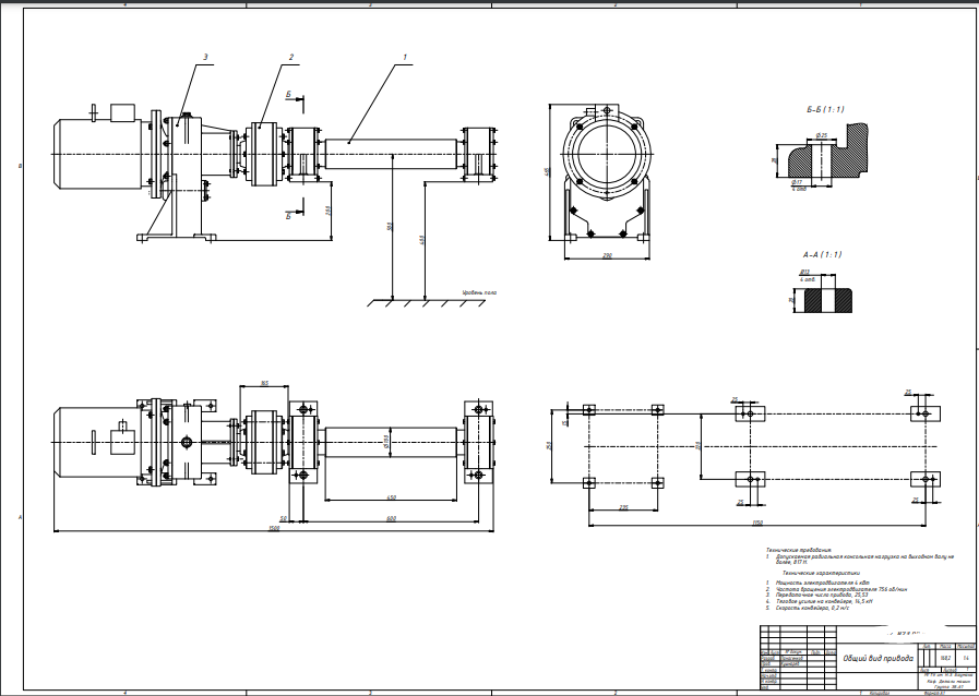
В результате выполнения курсового проекта разработан и спроектирован привод роликового конвейера. Составлена конструкторская документация привода:
- сборочный чертеж цилиндрического косозубого вертикального моторредуктора;
- рабочие чертежи деталей редуктора (тихоходный вал, зубчатое колесо);
- сборочный чертёж приводного вала роликового конвейера;
- чертёж общего вида привода ленточного транспортера;
- пояснительная записка и спецификации;
![]()
В результате выполнения курсового проекта разработан и спроектирован привод роликового конвейера. Составлена конструкторская документация привода:
- сборочный чертеж цилиндрического косозубого вертикального моторредуктора;
- рабочие чертежи деталей редуктора (тихоходный вал, зубчатое колесо);
- сборочный чертёж приводного вала роликового конвейера;
- чертёж общего вида привода ленточного транспортера;
- пояснительная записка и спецификации;





Характеристики курсовой работы
Предмет
Учебное заведение
Семестр
Номер задания
Вариант
Просмотров
161
Размер
8,65 Mb
Список файлов
Привод роликового конвейера цилиндрического косозубого вертикального моторредуктора
1.PNG
5.PNG
Вал тихоходный.pdf
Колесо.pdf
Лист 1 - Редуктор.pdf
Лист 2 - редуктор.pdf
Лист 4 -Вал приводный.pdf
Лист 5 -Общий вид привода.pdf
Муфта.pdf
РПЗ.pdf

Друзья, спасибо за доверие! Если вам понравилась работа – поставьте 5⭐ и напишите отзыв. Это поможет другим студентам, а мне даст силы делать ещё больше качественных материалов для вас 🔥