Для студентов МГТУ им. Н.Э.Баумана по предмету Детали машин (ДМ)ДМ 470 - привод ленточного транспортера и червячный редукторДМ 470 - привод ленточного транспортера и червячный редуктор
4,90547163
2021-04-292024-09-03СтудИзба
Курсовая работа ДМ: ДМ 470 - привод ленточного транспортера и червячный редуктор вариант 470
-64%
Описание
Характеристики курсовой работы
Предмет
Учебное заведение
Семестр
Номер задания
Вариант
Просмотров
480
Размер
1,27 Mb
Список файлов
Проект ДМ 470
Capture.PNG
Вал приводной.pdf
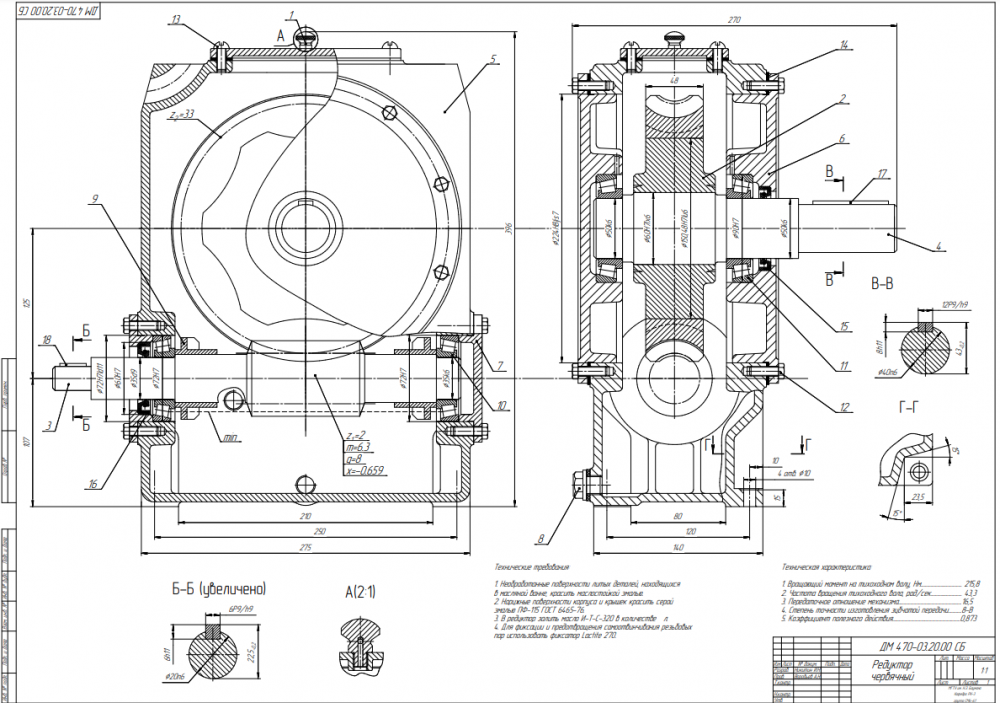
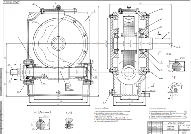
Лист 1 - Редуктор червячный.pdf
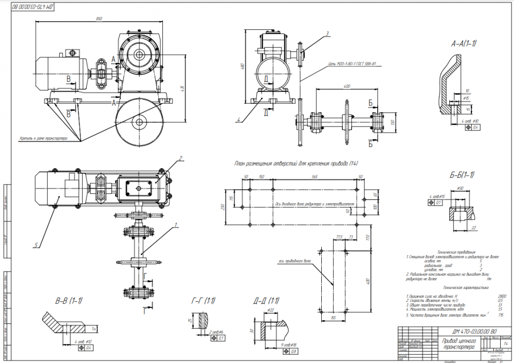
Лист 3.pdf
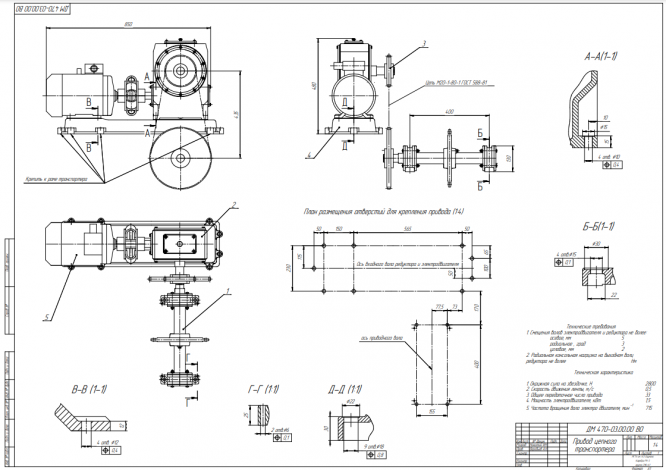
Общий вид.pdf
Плита.pdf

Друзья, спасибо за доверие! Если вам понравилась работа – поставьте 5⭐ и напишите отзыв. Это поможет другим студентам, а мне даст силы делать ещё больше качественных материалов для вас 🔥