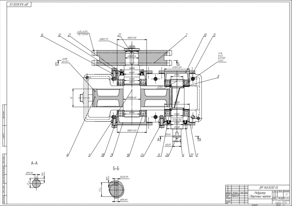
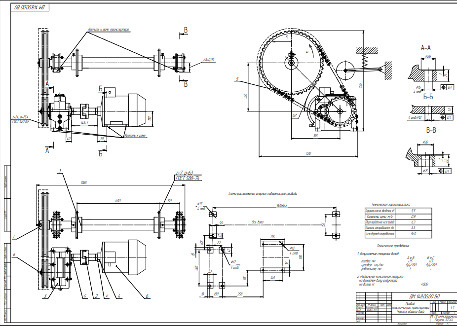
Для студентов МГТУ им. Н.Э.Баумана по предмету Детали машин (ДМ)ДМ 148 - привод цепного транспортераДМ 148 - привод цепного транспортера
4,90547164
2021-04-122024-09-03СтудИзба
Курсовая работа ДМ: ДМ 148 - привод цепного транспортера вариант 148
-64%
Описание
Характеристики курсовой работы
Предмет
Учебное заведение
Семестр
Номер задания
Вариант
Просмотров
482
Размер
3,31 Mb
Список файлов
Проект ДМ 148 - Привод пластинчатого транспортера.pdf

Друзья, спасибо за доверие! Если вам понравилась работа – поставьте 5⭐ и напишите отзыв. Это поможет другим студентам, а мне даст силы делать ещё больше качественных материалов для вас 🔥