Для студентов МГТУ им. Н.Э.Баумана по предмету Детали машин (ДМ)ДМ 20 - Приводной цепной передачи червячного редуктораДМ 20 - Приводной цепной передачи червячного редуктора
4,90546719
2021-03-102024-09-03СтудИзба
Курсовая работа ДМ: ДМ 20 - Приводной цепной передачи червячного редуктора вариант 20
-64%
Описание
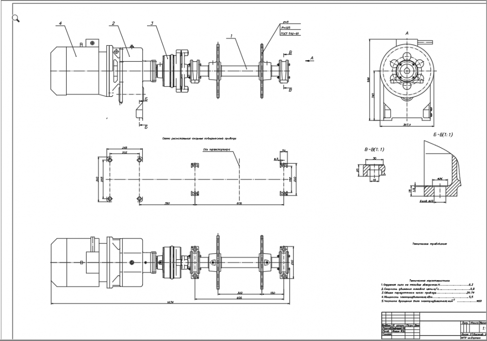
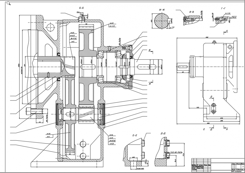
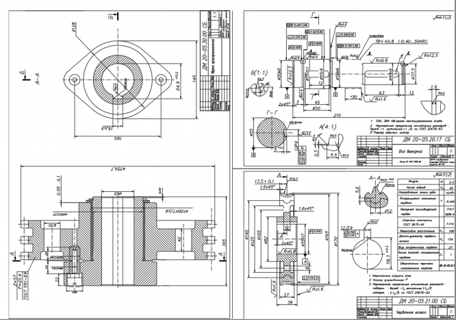
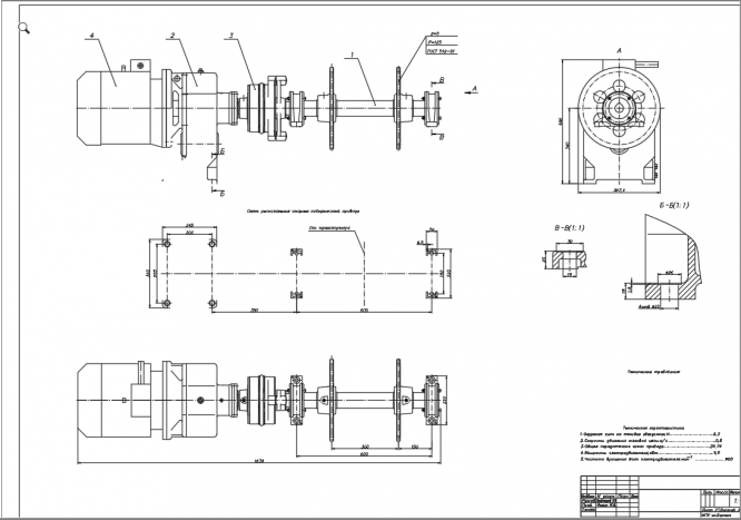
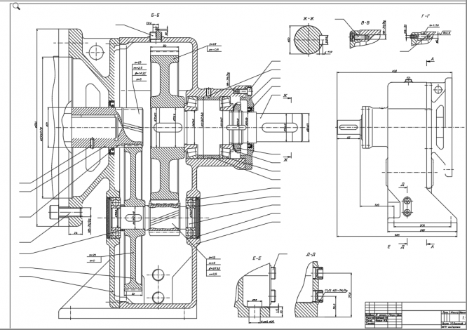
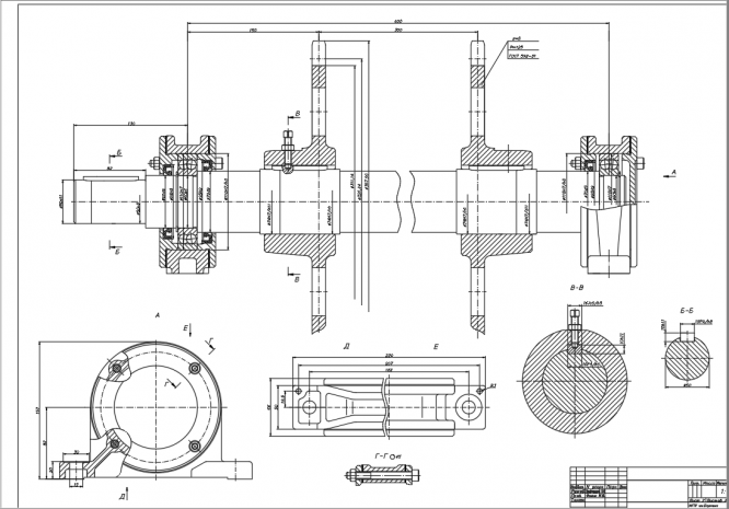
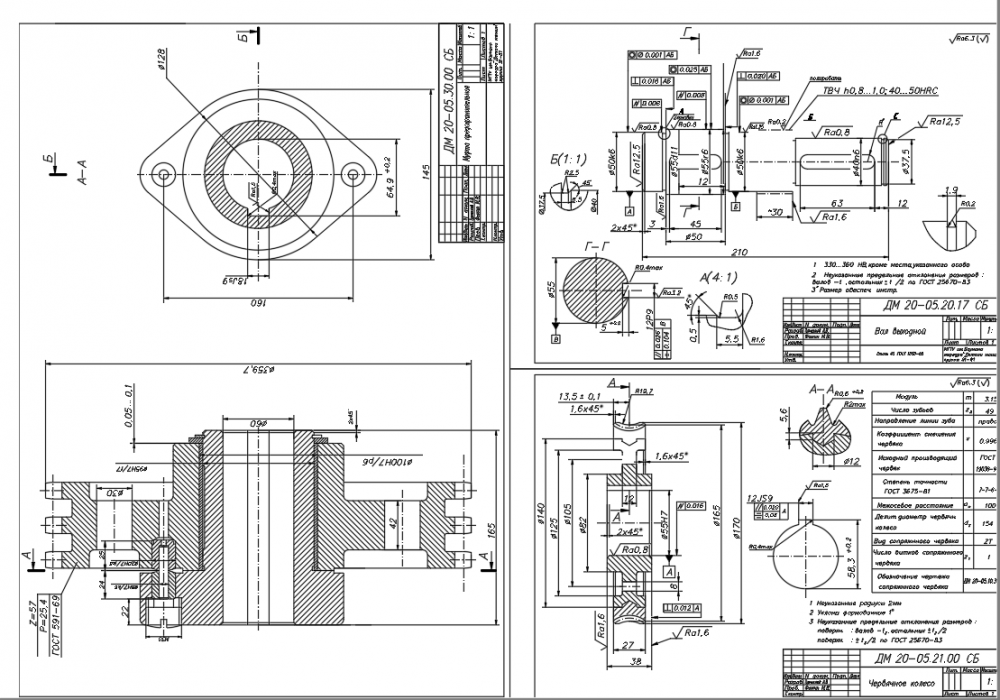
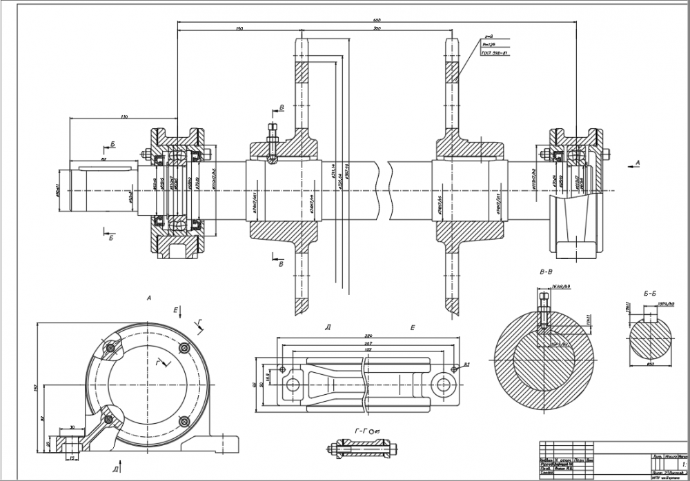
Привод состоит из электродвигателя, приводной цепной передачи, предохранительной муфты, червячного редуктора. В приводе применяется асинхронный двигатель. Редуктором называется механизм, состоящий из зубчатых или червячных передач, выполненных в виде отдельного агрегата и служащих для передачи мощности от двигателя к рабочей машине.
Назначение редуктора: понижение угловой скорости и повышение вращающего момента ведомого вала по сравнению с ведущим валом.
Цепные конвейеры (транспортеры) применяют для перемещения в горизонтальном и пологонаклонном направлениях разнообразных насыпных и штучных грузов, а также для межоперационного транспортирования изделий при поточном производстве. Они получили широкое распространение во всех отраслях промышленности и являются основными агрегатами механизации транспортировки.





Характеристики курсовой работы
Предмет
Учебное заведение
Семестр
Номер задания
Вариант
Просмотров
217
Размер
3,55 Mb
Список файлов
Проект №20 РПЗ и Листы
Capture.PNG
Вал и колеса.dwg
Лист 1+2.dwg
Лист 1.PNG
Лист 2.PNG
Лист 3.PNG
Лист 3.dwg
Лист 4.dwg
Лист 5.PNG
Лист 5.dwg
Муфта.dwg
РПЗ.doc
Спецификации.dwg
записка.doc

Друзья, спасибо за доверие! Если вам понравилась работа – поставьте 5⭐ и напишите отзыв. Это поможет другим студентам, а мне даст силы делать ещё больше качественных материалов для вас 🔥