Для студентов МГТУ им. Н.Э.Баумана по предмету Детали машин (ДМ)Курсовой проект, червячный редуктор (с верхним расположением червяка). ЧЕРТЕЖИ(КОМПАС)+РПЗ+СПЕЦИФИКАЦИИКурсовой проект, червячный редуктор (с верхним расположением червяка). ЧЕРТЕЖИ(КОМПАС)+РПЗ+СПЕЦИФИКАЦИИ
5,0059
2020-05-242020-05-24СтудИзба
Курсовая работа ЭКГ: Курсовой проект, червячный редуктор (с верхним расположением червяка). ЧЕРТЕЖИ(КОМПАС)+РПЗ+СПЕЦИФИКАЦИИ
Описание
Характеристики курсовой работы
Предмет
Учебное заведение
Семестр
Номер задания
Вариант
Просмотров
632
Размер
2,95 Mb
Список файлов
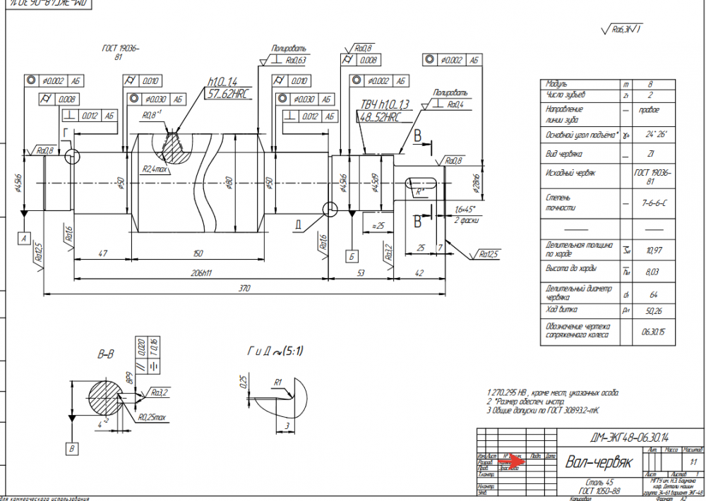
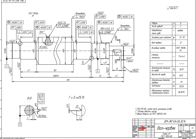
Вал-червяк_ДМ-ЭКГ48-06.00.04.cdw
Колесо червячное _ ДМ-ЭКГ-48.00.05.cdw
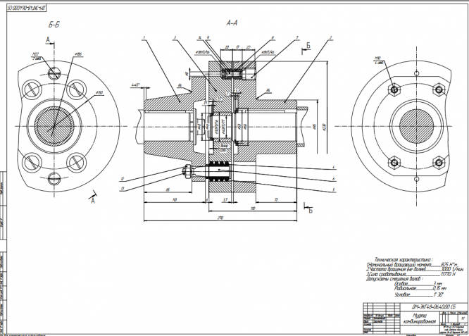
Муфта комбинированная _ ДМ-ЭКГ48-06.00.00 .cdw
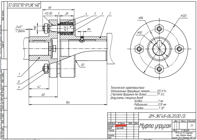
Муфта упругая _ ДМ-ЭКГ-48.00.04.cdw
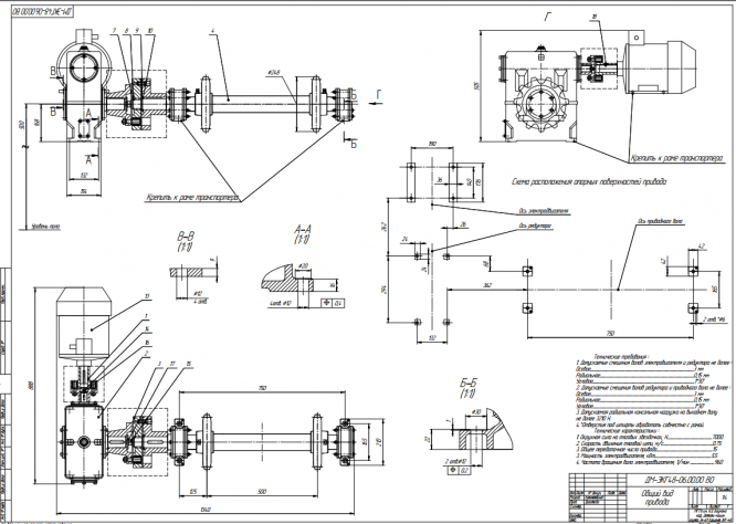
Общий вид привода_ДМ-ЭКГ48-06.00.00.cdw
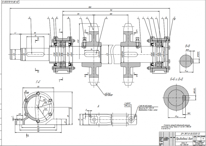
Приводной вал_ДМ-ЭКГ48-06.04.00.cdw
РПЗ.docx
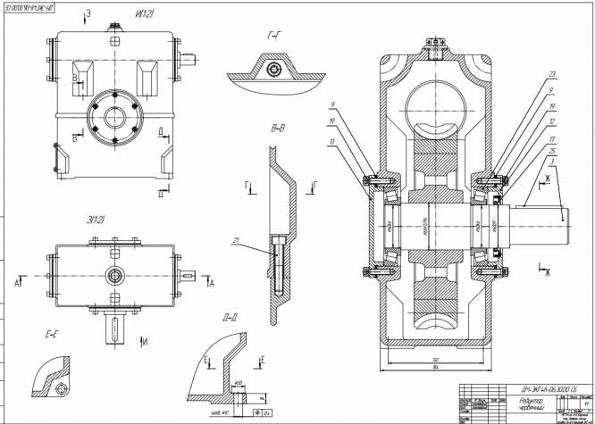
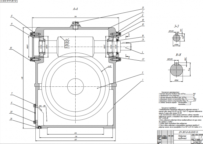
Редуктор_ДМ-ЭКГ48-06.00.00.cdw
Спецификация муфта комбинированная.spw
Спецификация муфта упругая.spw
Спецификация общий вид.spw
Спецификация приводной вал.spw
Спецификация редуктор.spw

МГТУ им. Н.Э.Баумана
kekpplin



















