Для студентов МГТУ им. Н.Э.Баумана по предмету Детали машин (ДМ)Привод цепного транспортёраПривод цепного транспортёра
5,00518
2025-04-07СтудИзба

Курсовая работа ДМ: Привод цепного транспортёра вариант 413

-50%

Описание

Привод цепного транспортёра - ДМ-413-09

Содержание

  • Введение 4
  • 1. Анализ передаточного механизма 5
  • 1.1. Выбор электродвигателя 5
  • 1.1.1 Потребляемая мощность привода 5
  • 1.1.2 Общий коэффициент полезного действия 5
  • 1.1.3 Требуемая мощность электродвигателя 5
  • 1.1.4. Частота вращения приводного вала. 5
  • 1.1.5. Требуемая частота вращения вала электродвигателя. 6
  • 1.2. Вращающий момент на приводном валу. 6
  • 1.3. Анализ цилиндрического редуктора. 6
  • 1.3.1. Уточнение передаточных чисел редуктора 6
  • 1.3.2. Вращающий момент на валу тихоходной ступени редуктора. 6
  • 2. Предварительные результаты вычислений на ЭВМ и их анализ. 7
  • 2.1. Выбор варианта редуктора. 7
  • 3. Эскизное проектирование редуктора. 10
  • 3.1. Предварительный расчёт валов. 10
  • 3.1.1. Быстроходный вал. 10
  • 3.1.2. Промежуточный вал. 11
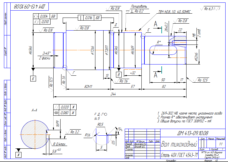
  • 3.1.3. Тихоходный вал. 11
  • 3.2. Определение ориентировочного расстояния между деталями. 11
  • 3.3. Выбор типа и схемы установки подшипников. 11
  • 3.3.1. Промежуточный вал. 11
  • 3.3.2. Тихоходный вал. 11
  • 3.3.3. Приводной вал. 11
  • 4. Конструирование зубчатых колёс. 12
  • 4.1. Быстроходная ступень. 12
  • 4.2. Тихоходная ступень. 12
  • 5.Расчёт валов на прочность. 13
  • 5.1. Промежуточный вал. 13
  • 5.2. Тихоходный вал. 15
  • 5.3. Приводной вал. 19
  • 6. Подбор подшипников на заданный ресурс. 22
  • 6.1. Промежуточный вал. 22
  • 6.2. Тихоходный вал. 24
  • 6.3. Приводной вал. 26
  • 7. Расчёт соединений. 28
  • 7.1. Установка колес на валах. 28
  • 7.1.1. Колесо на промежуточном валу. 28
  • 7.1.2. Колесо на тихоходном валу. 29
  • 7.2. Посадка подшипников. 30
  • 7.2.1. Промежуточный вал. 30
  • 7.2.2. Тихоходный вал. 30
  • 7.3. Шпоночные соединения. 31
  • 7.3.1 Быстроходный вал. 31
  • 7.3.2. Тихоходный вал. 31
  • 7.3.3. Приводной вал. 31
  • 7.3.4. Шпонки под звездочки на приводном валу 32
  • 8. Проектирование корпуса, крышек и систем регулировки. 33
  • 9. Выбор смазки редуктора 34
  • 10. Расчет звездочки. 35
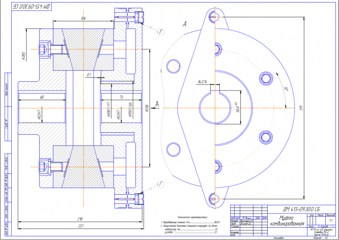
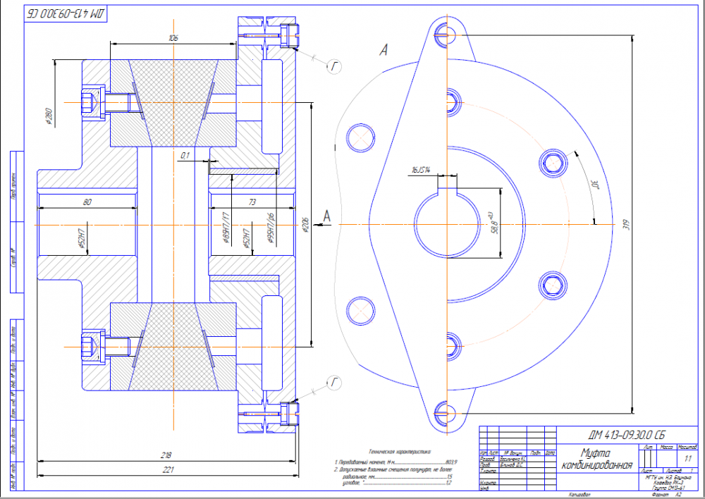
  • 11. Подбор муфты 36
  • Список использованной литературы 38

Введение

В рамках данного проекта, необходимо разработать привод цепного транспортёра, состоящего из асинхронного электродвигателя, цепной передачи, цилиндрического редуктора, а также из приводного вала с двумя звёздочками и упруго-предохранительной муфты.
Цепной транспортёр - машина непрерывного транспорта для горизонтального перемещения штучных грузов, устанавливаемая в отапливаемом помещении.
Редуктор может применяться в различных устройствах, помимо данного. В редукторе используются: цилиндрическая передача с косозубыми колёсами – для увеличения возможного передаточного числа. Данная комбинация позволяет увеличить нагрузочную способность, продолжительность работы благодаря снижению напряжений изгиба. При этом, материальные затраты остаются приблизительно на одинаковом уровне (в сравнении с редуктором, имеющим прямозубые колёса).
В данном случае, имеется конструкция, работающая от трёхфазного асинхронного электродвигателя мощностью 5.5 кВт и синхронной частотой вращения 1432 об/мин.
Среди недостатков таких передач необходимо отметить повышенные требования к точности изготовления, шум при больших скоростях, высокую жесткость, не позволяющую компенсировать динамические нагрузки. Однако отмеченные недостатки не снижают существенного преимущества зубчатых передач перед другими. Вследствие своих достоинств, они широко распространены во всех отраслях машиностроения.

Чертежи

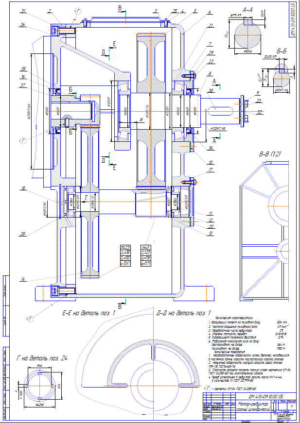
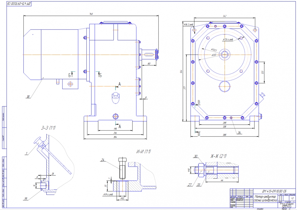
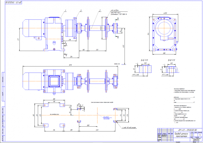
Лист 1,2 - Мотор-редуктор соосный цилиндрический + Спецификация

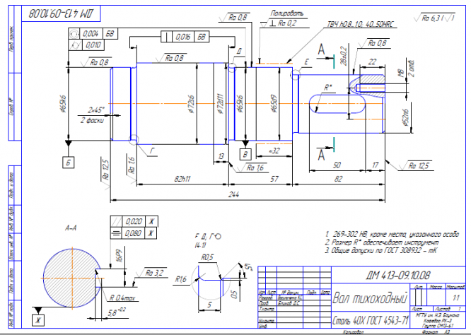
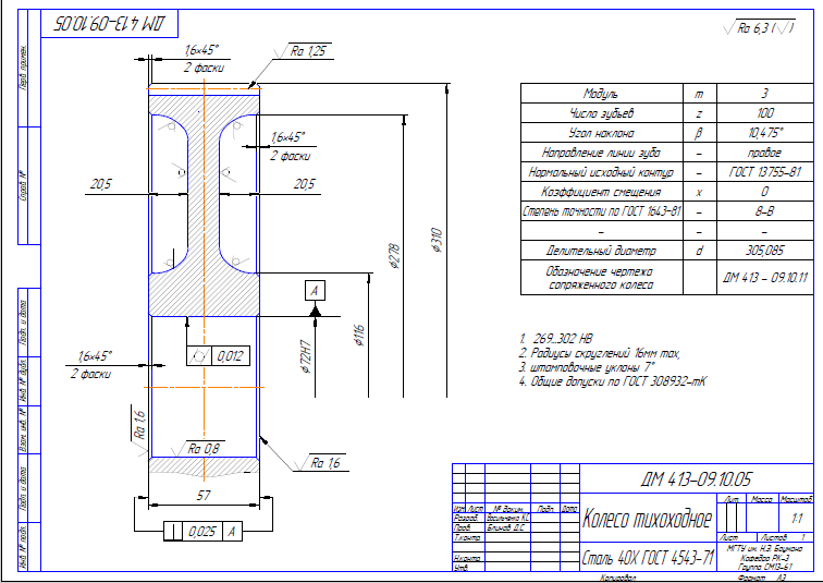
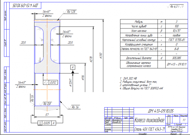
Лист 3 - Деталировка (Колесо тихоходное; Вал тихоходный; Муфта комбинированная

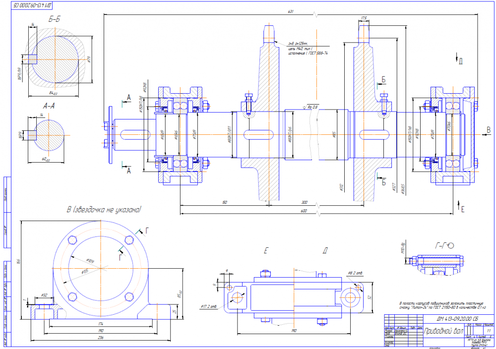
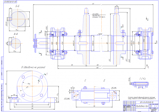
Лист 4 - Приводной вал

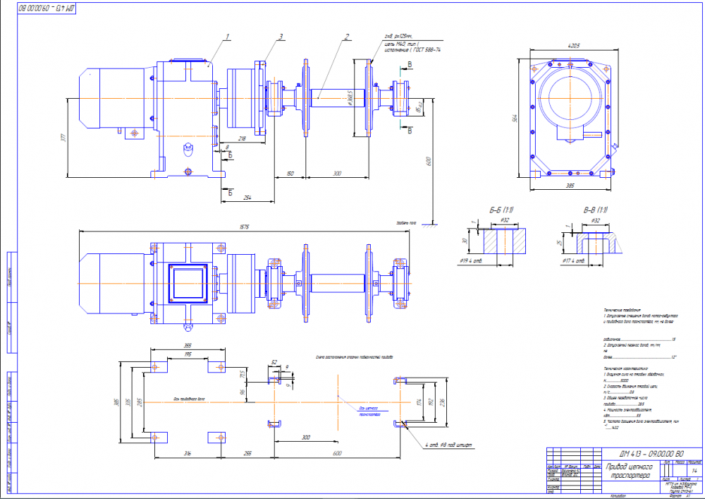
Лист 5 - Привод цепного транспортёра + Спецификация

Характеристики курсовой работы

Учебное заведение
Семестр
Номер задания
Вариант
Теги
Просмотров
2660
Качество
Идеальное компьютерное
Размер
24,49 Mb

Список файлов

Привод цепного транспортёра
Лист1.cdw
Лист1.pdf
Лист2.cdw
Лист2.pdf
Лист3.cdw
Лист3.pdf
Лист4.cdw
Лист4.pdf
Лист5.cdw
Лист5.pdf
Лист6.cdw
Лист6.pdf
Лист7.cdw
Лист7.pdf
РПЗ.docx
Расчет прив. вала1.frw
Расчет промеж. вала1.frw
Расчет тихох. вала1.frw
Спецификация.pdf
Спецификация.spw
Спецификация2.pdf
Спецификация2.spw
Картинка-подпись
Вам все понравилось? Получите кэшбэк - 40 рублей на Ваш счёт при покупке. Поставьте оценку и напишите положительный комментарий к купленному файлу. После Вы получите деньги на ваш счет.

Комментарии

Нет комментариев
Стань первым, кто что-нибудь напишет!
Поделитесь ссылкой:
Цена: 5 000 2 490 руб.
Расширенная гарантия +3 недели гарантии, +10% цены
Рейтинг покупателей
5 из 5
Поделитесь ссылкой:
Сопутствующие материалы

Подобрали для Вас услуги

-26%
Вы можете использовать курсовую работу для примера, а также можете ссылаться на неё в своей работе. Авторство принадлежит автору работы, поэтому запрещено копировать текст из этой работы для любой публикации, в том числе в свою курсовую работу в учебном заведении, без правильно оформленной ссылки. Читайте как правильно публиковать ссылки в своей работе.
Свежие статьи
Популярно сейчас
Почему делать на заказ в разы дороже, чем купить готовую учебную работу на СтудИзбе? Наши учебные работы продаются каждый год, тогда как большинство заказов выполняются с нуля. Найдите подходящий учебный материал на СтудИзбе!
Ответы на популярные вопросы
Да! Наши авторы собирают и выкладывают те работы, которые сдаются в Вашем учебном заведении ежегодно и уже проверены преподавателями.
Да! У нас любой человек может выложить любую учебную работу и зарабатывать на её продажах! Но каждый учебный материал публикуется только после тщательной проверки администрацией.
Вернём деньги! А если быть более точными, то автору даётся немного времени на исправление, а если не исправит или выйдет время, то вернём деньги в полном объёме!
Да! На равне с готовыми студенческими работами у нас продаются услуги. Цены на услуги видны сразу, то есть Вам нужно только указать параметры и сразу можно оплачивать.
Отзывы студентов
Ставлю 10/10
Все нравится, очень удобный сайт, помогает в учебе. Кроме этого, можно заработать самому, выставляя готовые учебные материалы на продажу здесь. Рейтинги и отзывы на преподавателей очень помогают сориентироваться в начале нового семестра. Спасибо за такую функцию. Ставлю максимальную оценку.
Лучшая платформа для успешной сдачи сессии
Познакомился со СтудИзбой благодаря своему другу, очень нравится интерфейс, количество доступных файлов, цена, в общем, все прекрасно. Даже сам продаю какие-то свои работы.
Студизба ван лав ❤
Очень офигенный сайт для студентов. Много полезных учебных материалов. Пользуюсь студизбой с октября 2021 года. Серьёзных нареканий нет. Хотелось бы, что бы ввели подписочную модель и сделали материалы дешевле 300 рублей в рамках подписки бесплатными.
Отличный сайт
Лично меня всё устраивает - и покупка, и продажа; и цены, и возможность предпросмотра куска файла, и обилие бесплатных файлов (в подборках по авторам, читай, ВУЗам и факультетам). Есть определённые баги, но всё решаемо, да и администраторы реагируют в течение суток.
Маленький отзыв о большом помощнике!
Студизба спасает в те моменты, когда сроки горят, а работ накопилось достаточно. Довольно удобный сайт с простой навигацией и огромным количеством материалов.
Студ. Изба как крупнейший сборник работ для студентов
Тут дофига бывает всего полезного. Печально, что бывают предметы по которым даже одного бесплатного решения нет, но это скорее вопрос к студентам. В остальном всё здорово.
Спасательный островок
Если уже не успеваешь разобраться или застрял на каком-то задание поможет тебе быстро и недорого решить твою проблему.
Всё и так отлично
Всё очень удобно. Особенно круто, что есть система бонусов и можно выводить остатки денег. Очень много качественных бесплатных файлов.
Отзыв о системе "Студизба"
Отличная платформа для распространения работ, востребованных студентами. Хорошо налаженная и качественная работа сайта, огромная база заданий и аудитория.
Отличный помощник
Отличный сайт с кучей полезных файлов, позволяющий найти много методичек / учебников / отзывов о вузах и преподователях.
Отлично помогает студентам в любой момент для решения трудных и незамедлительных задач
Хотелось бы больше конкретной информации о преподавателях. А так в принципе хороший сайт, всегда им пользуюсь и ни разу не было желания прекратить. Хороший сайт для помощи студентам, удобный и приятный интерфейс. Из недостатков можно выделить только отсутствия небольшого количества файлов.
Спасибо за шикарный сайт
Великолепный сайт на котором студент за не большие деньги может найти помощь с дз, проектами курсовыми, лабораторными, а также узнать отзывы на преподавателей и бесплатно скачать пособия.
Популярные преподаватели
Добавляйте материалы
и зарабатывайте!
Продажи идут автоматически
6865
Авторов
на СтудИзбе
271
Средний доход
с одного платного файла
Обучение Подробнее
{user_main_secret_data}