Для студентов МГТУ им. Н.Э.Баумана по предмету Детали машин (ДМ)313 курсач ver5 листы + рпз313 курсач ver5 листы + рпз
4,78522149
2013-10-192013-10-19СтудИзба
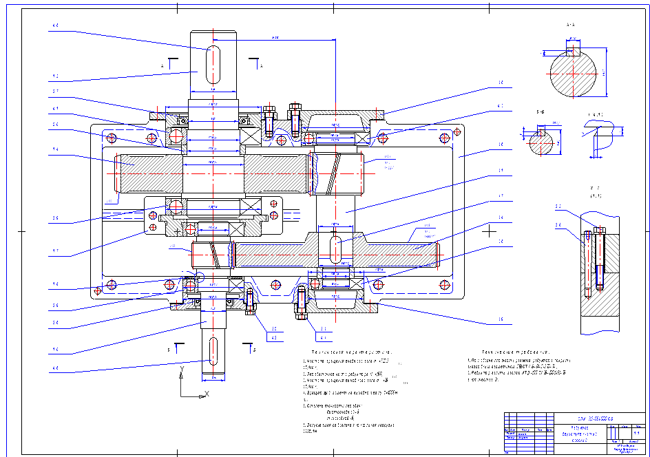
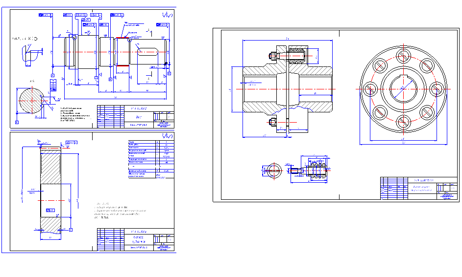
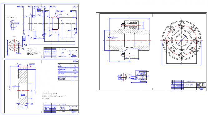
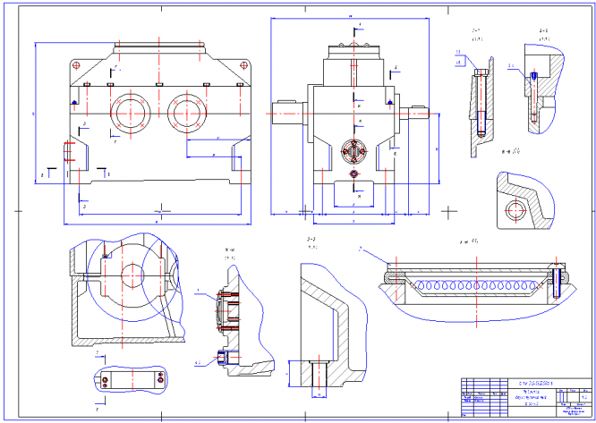
Курсовая работа ДМ: 313 курсач ver5 листы + рпз вариант 31
Описание
Характеристики курсовой работы
Предмет
Учебное заведение
Семестр
Номер задания
Вариант
Просмотров
315
Размер
1,34 Mb
Список файлов
ver5
HARDCOPY.LOG
ZAPISKA.DOC
~$APISKA.DOC
Спецификация.dwg
записка ДМ.doc
лист1.dwg
лист1.frw
лист2.dwg
лист2.frw
лист3.dwg
лист3.frw
лист4.bak
лист4.dwg
лист5.dwg
лист5.dwl
лист5.frw
эпюры.dwg

Зарабатывай на студизбе! Просто выкладывай то, что так и так делаешь для своей учёбы: ДЗ, шпаргалки, решённые задачи и всё, что тебе пригодилось.
Начать зарабатывать
Начать зарабатывать