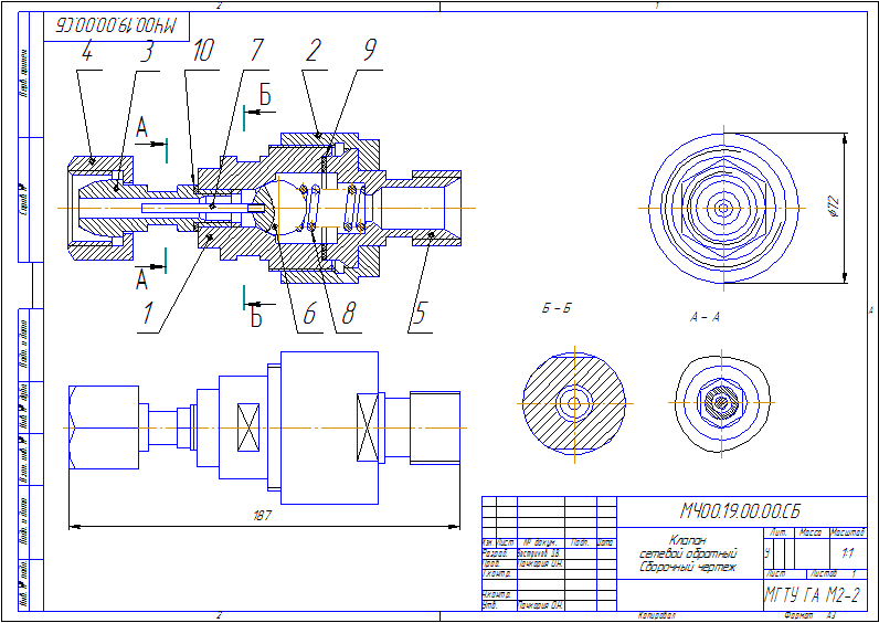
Для студентов по предмету ЧерчениеСделать чертёж в Компасе, как показано на рисунке:Клапан сетевой обратный, сборочный чертёж иСделать чертёж в Компасе, как показано на рисунке:Клапан сетевой обратный, сборочный чертёж и
4,805298
2014-08-112025-05-22СтудИзба
Задача: Сделать чертёж в Компасе, как показано на рисунке:Клапан сетевой обратный, сборочный чертёж и
Описание
Клапан сетевой обратный, сборочный чертёж и спецификация.
Характеристики решённой задачи
Предмет
Просмотров
3563
Качество
Идеальное компьютерное
Размер
11,48 Kb
Список файлов
Клапан сетевой обратный (спецификация).cdw
Клапан сетевой обратный.cdw

























