Для студентов МГТУ им. Н.Э.Баумана по предмету Безопасность жизнедеятельности (БЖД и ГРОБ или ОБЖ)вентиляциявентиляция
5,0052
2024-03-052025-04-01СтудИзба
ДЗ 3: вентиляция вариант 2
Описание
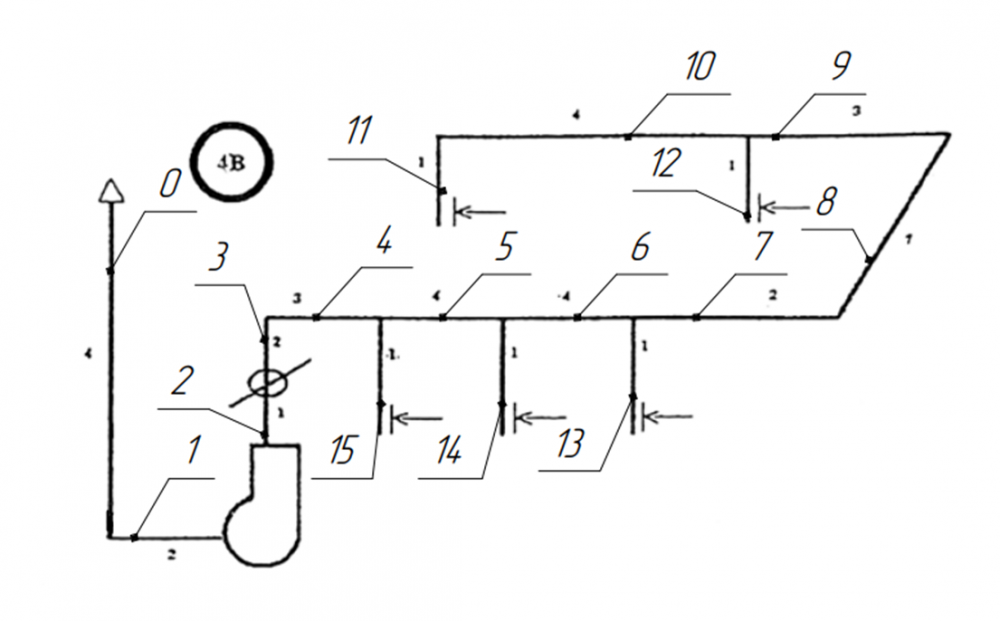
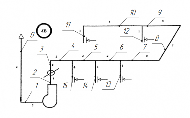
Рассчитать вентиляцию для помещения цеха тех. обслуживания и ремонта автомобилей, в котором проводится регулировка и испытание карбюраторного двигателя (1 шт.);
Nдвиг = 180 л.с., Tисп 15 мин.

Характеристики домашнего задания
Учебное заведение
Семестр
Номер задания
Вариант
Просмотров
63
Размер
95,63 Kb
Список файлов
ДЗ 1 БЖД вентиляция вариант 2.docx

Спасибо за покупку! Я буду очень рад, если поставишь справедливую оценку купленному файлу