Для студентов МГТУ им. Н.Э.Баумана по предмету Аппаратные средства вычислительной техникиИнформационное таблоИнформационное табло
5,0051
2021-04-032021-04-03СтудИзба
Курсовая работа: Информационное табло
Описание
ВВЕДЕНИЕ
Информационные табло широко распространены во всех областях деятельности человека. Они используются в промышленности, на транспорте, в банках, на биржах и в сфере развлечений. Основными критериями оценки целесообразности тех или иных технических решений при реализации систем отображения на базе информационных табло являются, во-первых, надежность, во-вторых, стоимость. Существует несколько базовых технологий, которые лежат в основе информационных табло. Электромеханические табло, несмотря на свое широкое распространение, обладают низкой надежностью, капризны и плохо работают на морозе. Табло, основанные на лампах накаливания, характеризуются небольшим ресурсом, низким КПД и обладают большой инерционностью, не позволяющей показывать на них высококачественную анимацию. Табло на базе газоразрядных ламп плохо подходят для применений на открытом воздухе из-за узкого рабочего диапазона температур и небольшой яркости. Получившие распространение в последнее время табло, в основе которых лежит жидкокристаллический экран, обладают оптимальным соотношением «цена/надежность», их безынерционность позволяет быстро обновлять выводимую информацию. Использование жидкокристаллических дисплеев позволяет объединять несколько экранов в один для выведения большего количества информации. Они также более экономичны по сравнению с представленными ранее вариантами.
НАЗНАЧЕНИЕ И ОБЛАСТЬ ПРИМЕНЕНИЯ
Основным назначением разработанного устройства является вывод информации о расписании прибытия и отправления поездов на железнодорожном вокзале. Однако разработанное устройство можно считать универсальным и выводить любую информацию на табло. Для этого достаточно изменить данные во входном файле по своему усмотрению. Как было замечено во введении, информационные табло используются во многих сферах деятельности человека: на транспорте, в банках, при получении государственных услуг и во многих других местах, где присутствует необходимость вывода графической информации для человека. Соответственно не составит труда изменить вывод информации на дисплей для любой ситуации с учетом ограничения экрана по размеру и разрешению. Для увеличения возможного количества выводимой информации количество экранов может быть увеличено, но для этого потребуется необходимость изменения программного кода устройства.
![]()
Информационные табло широко распространены во всех областях деятельности человека. Они используются в промышленности, на транспорте, в банках, на биржах и в сфере развлечений. Основными критериями оценки целесообразности тех или иных технических решений при реализации систем отображения на базе информационных табло являются, во-первых, надежность, во-вторых, стоимость. Существует несколько базовых технологий, которые лежат в основе информационных табло. Электромеханические табло, несмотря на свое широкое распространение, обладают низкой надежностью, капризны и плохо работают на морозе. Табло, основанные на лампах накаливания, характеризуются небольшим ресурсом, низким КПД и обладают большой инерционностью, не позволяющей показывать на них высококачественную анимацию. Табло на базе газоразрядных ламп плохо подходят для применений на открытом воздухе из-за узкого рабочего диапазона температур и небольшой яркости. Получившие распространение в последнее время табло, в основе которых лежит жидкокристаллический экран, обладают оптимальным соотношением «цена/надежность», их безынерционность позволяет быстро обновлять выводимую информацию. Использование жидкокристаллических дисплеев позволяет объединять несколько экранов в один для выведения большего количества информации. Они также более экономичны по сравнению с представленными ранее вариантами.
НАЗНАЧЕНИЕ И ОБЛАСТЬ ПРИМЕНЕНИЯ
Основным назначением разработанного устройства является вывод информации о расписании прибытия и отправления поездов на железнодорожном вокзале. Однако разработанное устройство можно считать универсальным и выводить любую информацию на табло. Для этого достаточно изменить данные во входном файле по своему усмотрению. Как было замечено во введении, информационные табло используются во многих сферах деятельности человека: на транспорте, в банках, при получении государственных услуг и во многих других местах, где присутствует необходимость вывода графической информации для человека. Соответственно не составит труда изменить вывод информации на дисплей для любой ситуации с учетом ограничения экрана по размеру и разрешению. Для увеличения возможного количества выводимой информации количество экранов может быть увеличено, но для этого потребуется необходимость изменения программного кода устройства.



Характеристики курсовой работы
Учебное заведение
Семестр
Просмотров
38
Размер
1,83 Mb
Список файлов
Информационное табло
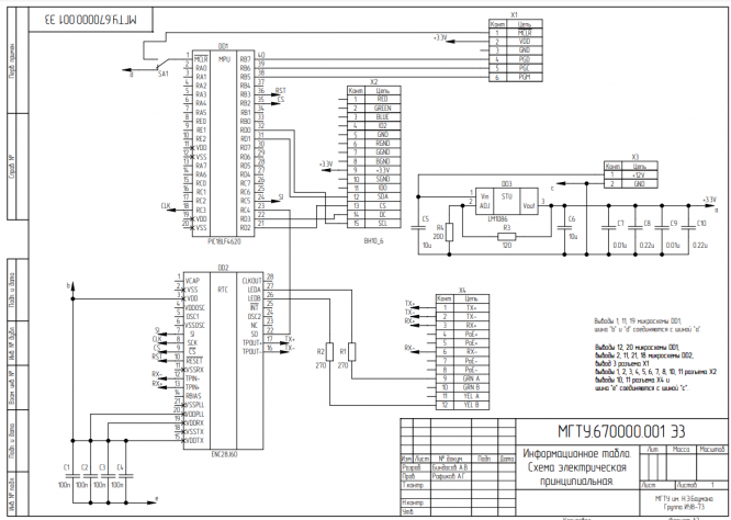
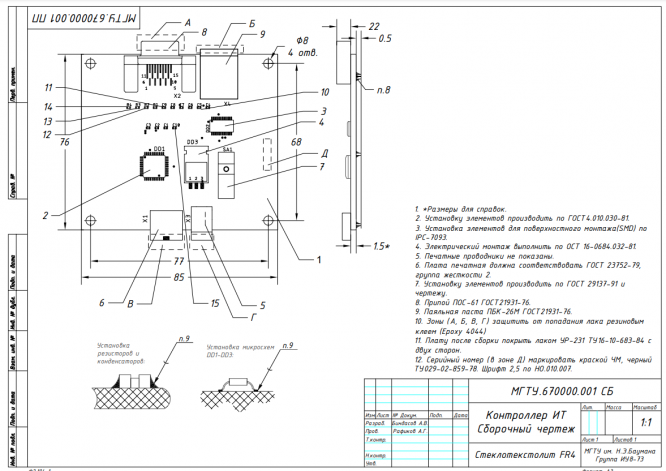
Контроллер ИТ Сборочный чертеж.pdf
Контроллер ИТ Чертеж печатной платы 2.pdf
Контроллер ИТ Чертеж печатной платы.pdf
Лист 3 Описание программы.pdf
Лист 6 Программа и методика испытаний.pdf
Перечень элементов.pdf
РПЗ.pdf
Руководство оператора.pdf
Руководство по эксплуатации.pdf
Спецификация.pdf
Схема принципиальная.pdf
Схема структурная.pdf
ТЗ листов 11.pdf

Друзья, спасибо за доверие! Если вам понравилась работа – поставьте 5⭐ и напишите отзыв. Это поможет другим студентам, а мне даст силы делать ещё больше качественных материалов для вас 🔥