ДЗ (995484)
Текст из файла
Г
осударственное образовательное учреждение высшего профессионального образования
«Московский государственный технический университет
имени Н.Э. Баумана»
(МГТУ им. Н.Э. Баумана)
ФАКУЛЬТЕТ «МАШИНОСТРОИТЕЛЬНЫЕ ТЕХНОЛОГИИ»
КАФЕДРА «ТЕХНОЛОГИЯ МАШИНОСТРОЕНИЯ»
ДОМАШНЕЕ ЗАДАНИЕ
по курсу «Проектирование операций обработки на станках с ЧПУ»
Фланец-4
Выполнил:
Группа МТ3
Проверил: Брылев А.В.
Москва
Задание:
Научиться проектировать операцию и составлять управляющую программу для станка 16К20ФЗ с ЧПУ FlexNC.
Исходные данные:
-
Тип производства - мелкосерийное.
-
Чертеж детали.
-
Оборудование: токарно-винторезный станок мод.16К20ФЗ с ЧПУ FlexNC
Последовательность выполнения задания и содержание:
-
Выбор заготовки: изобразить эскиз заготовки со всеми необходимыми размерами и требованиями. (для сортового проката записать обозначение по ГОСТу)
-
Выбрать приспособления и необходимый инструмент для обработки поверхностей детали на токарно-винторезном станке мод.16К20ФЗ.(записать обозначения инструмента по ГОСТу, или ISO, или стандарту производителя)
-
Написать маршрутно-операционный процесс изготовления детали.(операционная часть для токарного станка с ЧПУ 16К20Ф3, остальное маршрут)
-
Начертить операционные эскизы обработки заготовки с траекторией перемещения инструмента. (для токарного станка с ЧПУ 16К20Ф3)
-
Рассчитать координаты опорных точек сложного контура детали (сфера, конус) с занесением в таблицу.(при необходимости)
-
Составить управляющую программу для обработки детали на станке 16К20ФЗ с ЧПУ FlexNC.
-
Выбор заготовки
Заготовка: Прокат калиброванный.
-
Выбор приспособления и необходимого инструмента для обработки поверхностей детали на токарно-винторезном станке мод. 16К20Ф3
Приспособление: трех кулачковый патрон 3-200.07.11
Кулачки полусырые: 3-200.33.11.014
Инструмент для обработки:
-торцов и наружных фасок (рис.1)
Державка: CP-25BR-2525-11
Пластина: CP-B1108-N5 4325
Рис.1
- канавок (рис.2)
Державка: GYHR2525M90-M25R
Локатор: GYM25LD-E12-020
Пластина: GY2M0250E025N-GS
Рис.2
- осевое отверстие (рис.3)
Инструмент: 460.1-1250-038A0-XM GC34
Рис.3
-внутренняя канавка
Инструмент: Зенковка 2353-0112 по ГОСТ 14953-80
-
Маршрутно-операционный процесс изготовления детали
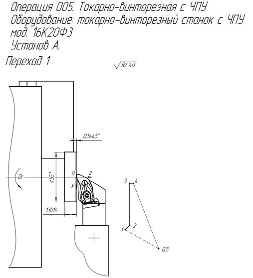
Операция 005: Токарно-винторезная с ЧПУ.
Оборудование: Токарно-винторезный станок с ЧПУ мод. 16к20Ф3.
Установ А.
Переход 1.
Точить торец ⌀55 мм.
Точить наружную фаску 0,5х45°.
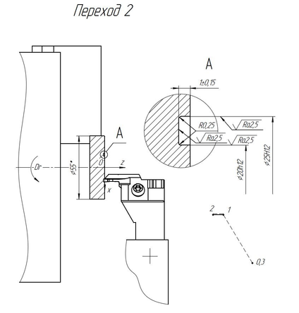
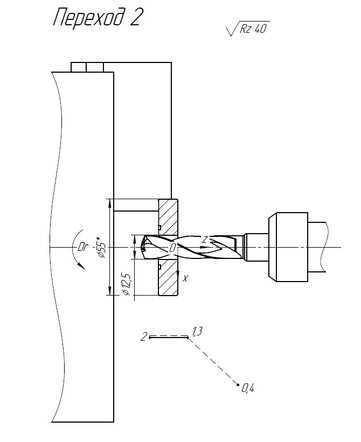
Переход 2.
Точить торцевую канавку.
Переход 3.
Сверлить осевое отверстие ⌀12,5 мм.
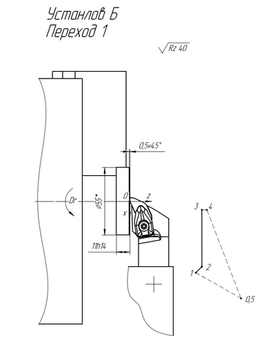
Установ Б.
Переход 1.
Точить торец ⌀55 мм.
Точить наружную фаску фаску 0,5х45°.
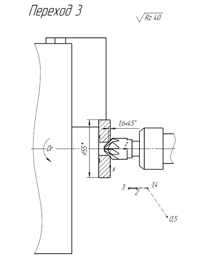
Точить внутреннюю фаску 1,6 х45°
Нарезать резьбу М14х1,5-7Н
Операция 010: Сверлильная
Сверлить четыре отверстия ⌀9 мм.
-
Координаты опорных точек сложного контура детали
Установ А
| № т. | Х | Z |
| 0 | 250 | 250 |
| 1 | 28 | -1,47 |
| 2 | 26,53 | 0 |
| 3 | -2 | 0 |
| 4 | -2 | 2 |
| 5 | 250 | 250 |
Переход 2
| № т. | Х | Z |
| 0 | 250 | 250 |
| 1 | 12.5 | 2 |
| 2 | 12.5 | -1 |
| 3 | 12.5 | 2 |
| 4 | 250 | 250 |
Установ Б
Переход 1
| № т. | Х | Z |
| 0 | 250 | 250 |
| 1 | 28 | -3,47 |
| 2 | 26,53 | -2 |
| 3 | -2 | -2 |
| 4 | -2 | -4 |
| 5 | 250 | 250 |
Переход 2
| № т. | Х | Z |
| 0 | 250 | 250 |
| 1 | 0 | 0 |
| 2 | 0 | -19 |
| 3 | 0 | 0 |
| 4 | 250 | 250 |
Переход 3
| № т. | Х | Z |
| 0 | 250 | 250 |
| 1 | 0 | 0 |
| 2 | 0 | -4,2 |
| 3 | 0 | -7,85 |
| 4 | 0 | 0 |
| 5 | 250 | 250 |
Переход 4
| № т. | Х | Z |
| 0 | 250 | 250 |
| 1 | 0 | 0 |
| 2 | 0 | -26 |
| 3 | 0 | 0 |
| 4 | 250 | 250 |
-
Управляющая программа для обработки детали на станке 16К20Ф3 с ЧПУ FlexNC
G90G87G99M08
T01D1M06
M3S1000
G00X56Z-1,47 F0,2
G01X53,06Z0
G01X-4Z0
G00X-4Z2
G00X250Z250
T02D2M06
M3S1000
G00X25Z2
G01X25Z-1 F0,1
G00X25Z2
G00X250Z250
M00
T01D1M06
M3S1000
G00X56Z-3,47
G01X53,06Z-2 F0,2
G01X-4Z-2
G00X-4Z0
G00X250Z250
T03D3M06
M3S2000
G00X0Z0
G01X0Z-19 F0,2
G00X0Z0
G00X250Z250
T03D3M06
M3S400
G00X0Z0
G00X0Z-4,2
G01X0Z-7,85 F0,2
G00X0Z0
G00X250Z250
T4D4S300
G00X0Z0
G01X0Z-26F1,5
M05M04S300
G01X0Z0F1,5
G00X250Z250F1,5
M02
Характеристики
Тип файла документ
Документы такого типа открываются такими программами, как Microsoft Office Word на компьютерах Windows, Apple Pages на компьютерах Mac, Open Office - бесплатная альтернатива на различных платформах, в том числе Linux. Наиболее простым и современным решением будут Google документы, так как открываются онлайн без скачивания прямо в браузере на любой платформе. Существуют российские качественные аналоги, например от Яндекса.
Будьте внимательны на мобильных устройствах, так как там используются упрощённый функционал даже в официальном приложении от Microsoft, поэтому для просмотра скачивайте PDF-версию. А если нужно редактировать файл, то используйте оригинальный файл.
Файлы такого типа обычно разбиты на страницы, а текст может быть форматированным (жирный, курсив, выбор шрифта, таблицы и т.п.), а также в него можно добавлять изображения. Формат идеально подходит для рефератов, докладов и РПЗ курсовых проектов, которые необходимо распечатать. Кстати перед печатью также сохраняйте файл в PDF, так как принтер может начудить со шрифтами.
















