ДЗ (995470)
Текст из файла
Оглавление
1. Трехмерная твердотельная геометрическая модель 3
2. Составление схемы сил 5
3.Расчет силы закрепления. 6
4. Расчет погрешности под действием сил закрепления 7
СПИСОК ИСПОЛЬЗОВАННЫХ ИСТОЧНИКОВ 12
1. Трехмерная твердотельная геометрическая модель
Материал: ВТ1-00
Рисунок 1 Корпус
М
етодом конечных элементов, реализованным на базе САПР SolidWorks Simulation, производится измерение погрешности размера

Далее была смоделирована схема установки заготовки на приспособлении станка. Элементы приспособления, оказывающие воздействие на заготовку, были заменены моделями. Для моделирования опор был применён инструмент «Ролик скольжения» и инструмент «Фиксированная геометрия». Целесообразность применения данного элемента обусловлена тем, что при проектировании операции обработки отверстия фланца была назначена такая сила закрепления, которая обеспечивает несдвигаемость заготовки под действием сил резания. Помимо этого, ввиду высокой твёрдости поверхности опор по сравнению с твёрдостью базовой поверхности заготовки можно считать опоры абсолютно жесткими телами.
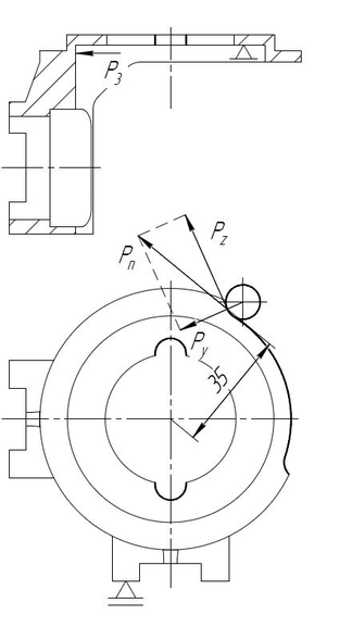
Рисунок 3 Схема сил
2
. Составление схемы сил
3.Расчет силы закрепления.
Определим главную составляющую силы резания по формуле [3]:
Определим радиальную составляющую силы резания по [3]
Приведем силу к моменту
Определим силу закрепления по формуле [3]:
Коэффициент запаса определяется по формуле [3]:
4. Расчет погрешности под действием сил закрепления
Рисунок 4 Общий вид геометрической модели с приложенными силами.
Д
ля моделирования воздействия, оказываемого зажимными элементами приспособления, был использован элемент «Сила». Данный элемент моделирует силовую нагрузку на поверхность, по отношению к которой применяется [1]. Для применения элемента «Сила» на торцовой поверхности заготовки были выделены области, по которым заготовка контактирует с зажимными элементами. Эти области назначены в соответствии со сборочным чертежом приспособления и с эскизом операционного технологического процесса.
Рисунок 5 Общий вид геометрической модели после разбиения на конечные элементы.
Д
алее с целью реализации метода конечных элементов твердотельная модель была разбита на объёмные конечные элементы тетраэдальной формы размером 4 мм. Конечно-элементная модель фланца состоит из 9058 элементов, связанных между собой 16915 узлами.
После разбиения твердотельной модели на конечные элементы проводится статический анализ модели, в процессе которого системой САПР «SolidWorks Simulation» методом конечных элементов решается задача определения напряжений и перемещений в узлах модели. При этом выполняется построение соответствующих эпюр [1].
Анализ полученной эпюры напряжения показывает, что напряжения, возникающие при приложении силы закрепления значительно меньше предела текучести материала заготовки. Это свидетельствует о допустимости приложения к заготовке вычисленной силы.
Рисунок 8 Определение перемещений в месте обработки
Рисунок 7 Эпюра суммарных перемещений возникающий при приложении силы закрепления.
Интерфейс САПР «SolidWorks Simulation» позволяет определить значение перемещения для любого выбранного узла модели. Для этого используется инструмент «Зондирование» [1].
Исходя из рисунка 8 можно сделать вывод что погрешность от закрепления составляет
Вывод: Вычисленное отклонение значительно меньше допустимого. Следовательно, выбранная схема установки заготовки позволяет обработать отверстие, выполнив назначенные требования.
СПИСОК ИСПОЛЬЗОВАННЫХ ИСТОЧНИКОВ
1. Справка по SolidWorks [Электронный ресурс]. Режим доступа: http://help.solidworks.com/HelpProducts.aspx – (Дата обращения: 23.12.2018).
2. Горохов В.А. Проектирование и расчёт приспособлений: учебное пособие – Минск: «Вышэйшая школа», 1986. – 238 с.
3. Справочник технолога – машиностроителя. В 2-х т. / Под ред. А.Г. Косиловой и Р.К. Мещерякова. – 4-е изд., перераб. И доп. – М.: Машиностроение, 1985. 496 с., ил.
6
Характеристики
Тип файла документ
Документы такого типа открываются такими программами, как Microsoft Office Word на компьютерах Windows, Apple Pages на компьютерах Mac, Open Office - бесплатная альтернатива на различных платформах, в том числе Linux. Наиболее простым и современным решением будут Google документы, так как открываются онлайн без скачивания прямо в браузере на любой платформе. Существуют российские качественные аналоги, например от Яндекса.
Будьте внимательны на мобильных устройствах, так как там используются упрощённый функционал даже в официальном приложении от Microsoft, поэтому для просмотра скачивайте PDF-версию. А если нужно редактировать файл, то используйте оригинальный файл.
Файлы такого типа обычно разбиты на страницы, а текст может быть форматированным (жирный, курсив, выбор шрифта, таблицы и т.п.), а также в него можно добавлять изображения. Формат идеально подходит для рефератов, докладов и РПЗ курсовых проектов, которые необходимо распечатать. Кстати перед печатью также сохраняйте файл в PDF, так как принтер может начудить со шрифтами.