Ванин вариант (990608), страница 2
Текст из файла (страница 2)
А) Принципиальная схема системы воздухоснабжения для доменных печей.
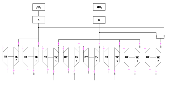
ДП - доменная печь р - резервный ТК
ПТ – паровая турбина 2;3 – номер ТК в таблице 1
ТК – турбо компрессор
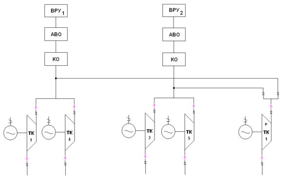
Б) Принципиальная схема системы воздухоснабжения для ВРУ.
ВРУ – воздухоразделительная установка р - резервный ТК
АВО – азотовоздухоохладитель 1;3;4;5 – номер ТК в таблице 1
ТК – турбо компрессор КО- концевой охладитель
В) Принципиальная схема системы воздухоснабжения для пневмоприемников.
ВМО – водомаслоотделитель р - резервный ПК
ОС – осушка воздуха 1 – номер ПК в таблице 1
ПК – поршневой компрессор КО - концевой охладитель
Р – ресивер П – пневмопотребитель
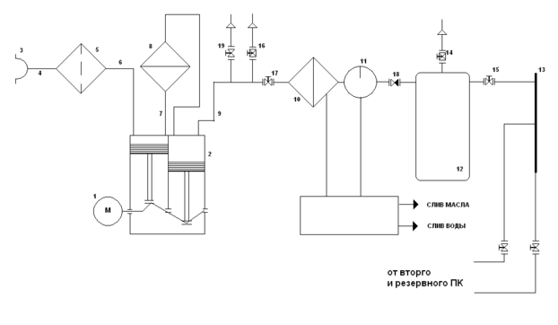
4 Технологическая схема компрессорной установки обеспечивающей сжатым воздухом пневмоприемники.
Получение сжатого воздуха происходит в следующем порядке. При запуске компрессора 2 атмосферный воздух входит в приемник 3 и по воздухопроводу 4 попадает в фильтр 5, где очищается от механических примесей и капельной влаги. По всасывающему трубопроводу 6 воздух поступает в первую ступень компрессора, из которой по промежуточному трубопроводу 7 нагнетается в межтрубное пространство промежуточного охладителя 8. Из промежуточного охладителя воздух всасывается второй ступенью компрессора, из которого по нагнетательному трубопроводу 9 подается в межтрубное пространство конечного охладителя 10. Охлажденный воздух проходит масловодоотделитель 11 и поступает в воздухосборник 12, из которого по магистральному трубопроводу 13 подается в пневмосеть предприятия.
Слив конденсата из концевого охладителя, масловодоотделителя и воздухосборника осуществляется через продувочный бак.
Технологическая схема компрессорной установки должна обязательно содержать: фильтр 5, масловодоотделитель 11, Предохранительные клапаны 14 и 16, обратный клапан18 и разгрузочный вентиль 19.
Пусковой разгрузочный вентиль 19 и запорная задвижка 17 предназначены для облегчения запуска поршневого компрессора. При пуске компрессора пусковой разгрузочный вентиль 19 открыт, а задвижка 17 закрыта, при этом электродвигатель развивает обороты без нагрузки. Как только число оборотов электродвигателя достигает номинальной величины, задвижку 17 постепенно открывают, одновременно закрывая вентиль 19.
5 Определение диаметра всасывающего трубопровода и гидравлический расчет.
Рн = 0,731·106 Па – давление нагнетания.
Тн = 300 К – температура в нагнетательном трубопроводе.
R = 287 Дж/кг·гр – газовая постоянная.
Рвс = 0,091·106 Па – давление всасывания (нормальное условие)
Твс = 293 К – температура всасывания (нормальное условие)
Wвс = 12 м/с – скорость воздуха во всасывающем трубопроводе
Wн=18 м/с – скорость воздуха в нагнетательном трубопроводе
Определим диаметр всасывающего трубопровода.
Vвс = 1480 м3/мин расход воздуха при нормальных атмосферных условиях во всасывающем трубопроводе для компрессора (К – 1500 – 62 – 2),
Рассчитаем диаметр всасывающего трубопровода:
___________________ ____________________
dвс = √((4· Vвс)/(π·Wвс·60)) = √((4·1480)/(3,14·12·60)) = 1,618 м
Определим диаметр нагнетающего трубопровода.
Составим схему нагнетательного трубопровода
Длина нагнетательного трубопровода L = 420 м
Задвижек 12
Рн ср =(Pп+Pн)/2=(0,42+0,731)/2=0,576 мПа – абсолютное давление (среднее) в нагнетательном трубопроводе
Тн = 300 К – температура в нагнетания
ρн = Рн ср /(R·T) = (0,576·106)/(287·300) = 6,690 кг/м3– плотность воздуха в нагнетательном трубопроводе (получена из уравнение состояния)
Из закона сохранения массы мы знаем что масса воздуха проходящего по трубопроводу в единицу времени независимо от его сжатия является постоянной
Vн ·ρн = Vвс·ρвс
ρвс= 1,29 кг/м3 – плотность воздуха при нормальных условиях (условия всасывания)
Vн = (Vвс·ρвс )/ρн = (1480·1,29)/6,690 = 285,381 м/мин – расход сжатого воздуха в нагнетательном трубопроводе
Wн = 18 м/с скорость в нагнетательном трубопроводе, выбрана в соответствии с рекомендациями оптимизации
Рассчитаем диаметр нагнетательного трубопровода
_________________ _____________________
dн = √((4· Vн)/( π · Wн·60)) = √((4·285,381)/(3,14·18·60)) = 0,580 м
В соответствии с ГОСТом, внутренний диаметр нагнетательного трубопровода dн = 612 мм
Гидравлический расчет нагнетательного трубопровода.
Определим гидравлические потери
ΔР = ΔРтр + ΔРм + ΔРкаупера dн = 612 мм
ν= 15,72·10-6 м2/с (кинематическая вязкость воздуха определена с помощью таблицы по значению температуры нагнетания)
Число Рейнольдца Rе = (Wн·dн)/ν = (18·0,612)/(15,72·10-6) = 7,008·105
т. к. Rе >105 , то режим течения турбулентный и λтр определяется формуле Никурадзе:
λтр = 0,032 + (0,221/ Rе 0,237) = 0,041
Заменим L трубопровода на Lэкв по таблице 4.3 [1] определим Lэкв для 8 поворотов и 12 задвижек
(условимся, что повороты выполнены из колен круто загнутых и гладких причем R=1,5dн)
Lэкв поворотов = 21,452·8 = 171,616 м
Lэкв задвижек = 8,72·12 = 104,64 м
Lэкв = Lэкв поворотов + Lэкв задвижек = 171,616 + 104,64 = 276,256 м
ΔР = λтр· ((L+Lэкв)/ dн) · (Wн2/2) ·ρн+ ΔРкаупера
ΔР = 0,041· ((420+276,256)/0,612) · (182/2) ·6,690+0,019·106=0,070 мПа – гидравлическая потеря давления
Давление нагнетания компрессора: Рн = 0,731
Давление у потребителя с учетом гидравлических потерь: Рпд = Рн – ΔР = 0,731 -0,070 = 0,661 мПа
Давление необходимое потребителю в данном варианте Рп = 0,42 мПа
Т. е. ΔР = Рпд – Рп = 0,661 – 0,42 = 0,241 мПа избыточное давление, которое необходимо устранить
Устраним ΔР с помощью диафрагмы установленной перед потребителем
Найдем коэффициент местного сопротивления диафрагмы ξд
ξд = (2·ΔР)/( Wн 2·ρн) = (2·0,241·106)/(182·6,690) = 222,370
Найдем внутренний диаметр диафрагмы на котором срабатывается избыток давления ΔР
dдиаф = 0.33*dн = 0,37·0,612 = 0,229 м
-
Рассчитаем энергетические характеристики компрессора работающего на ДП 2
На графике изобразим процесс протекающий в ступенях компрессора К – 1500 – 62 – 2
Линия – черная – реальный процесс
– красная – идеальный адиабатический процесс
– фиолетовая – идеальный изотермический процесс
Р1 нач = 0,091 мПа
Р7 конеч = 0,731 мПа
О
пределим степень сжатия ε = 3√(Р7/Р1)
ε
= 3√(0,731/0,091)=2,003
Р3 = Р1 нач·ε = 0,091·2,003 = 0,182 мПа
Р5 = Р3·ε =0,182·2,003 = 0,365 мПа
Р7/Р1=Р5/Р3=Р3/Р1 = const; к = 1,4
С учетом потерь при сжатии в соответствии с рекомендациями принимаем следующие значения ΔР
1 секция: ΔР1 = 0,02мПа
2 секция: ΔР2 = 0,02 мПа
3 секция: ΔР3 = 0,02 мПа
тогда:
Р2 = Р3 + ΔР1 = 0,182+0,02 = 0,202 мПа
Р4 = Р5 + ΔР2 = 0,365+0,02 = 0,385 мПа
Р6 = Р7 + ΔР3 = 0,731+0,02 = 0,751 мПа
Рассчитаем работу в каждой секции
1 секция Т1 = 393,15К
ℓs1-2 = (К/(К-1)) ·R·T1· ((Р2/Р1)(К-1)/К-1) = (1,4/(1,4-1)) ·287·393,15((0,202/0,091)(1,4-1)/1,4-1) = 75,347 кДж/кг
2 секция Т3 = 300К
ℓs3-4 = (К/(К-1)) ·R·T3· ((Р4/Р3)(К-1)/К-1) = (1,4/(1,4-1)) ·287·300((0,385/0,182)(1,4-1)/1,4-1) = 71,934 кДж/кг
3 секция Т5 = 300К
ℓs5-6 = (К/(К-1)) ·R·T5· ((Р6/Р5)(К-1)/К-1) = (1,4/(1,4-1)) ·287·300((0,751/0,365)(1,4-1)/1,4-1) = 68,989 кДж/кг
Т. к. КПД адиабатический равен 0,8 (в соответствии с рекомендациями) то действительная работа сжатия будет выглядеть так:
L1-2 = ℓs1-2/0.8 = 94.184 кДж/кг
L3-4 = ℓs3-4/0,8 = 89,918 кДж/кг
L5-6 = ℓs5-6/0.8 = 86.236 кДж/кг
Таким образом работа сжатия совершаемая компрессором равна Lk = L1-2 + L3-4 + L5-6 = 94,184 + 89,918 +
+ 86,236 = 270,338 кДж/кг
Рассчитаем реальный изометрический КПД компрессора:
ηизр = (R·T1·ℓn(Ркон 7/Ркон 1))/Lк = ((287·293,15·ℓn(0.731/0.091))/(270.338·103) = 0.648
Рассчитаем идеальный изометрический КПД компрессора:
ηизи = (R·T1·ℓn(Ркон 7/Ркон 1))/(ℓs1-2 +ℓs3-4 +ℓs5-6) = ((287·293,15·ℓn(0.731/0.091))/(216.270·103) = 0.811
Определим температуры воздуха за секциями компрессора:
Тn+1 = Tn + Lсекции/Cр Ср = 1 кДж/кг·гр
Т2 = 293,15 + 94,184/1 = 387,184 К
Т4 = 300 + 89,184/1 = 406,383 К
Т6 = 300 + 84,236/1 = 386,236 К
Определим мощность компрессора и электродвигателя:
Vвс=1480 м³/мин – расход воздуха при нормальных условиях (условия всасывания)
ρвс= 1,29 кг/м3 – плотность воздуха при нормальных условиях (условия всасывания)
G = (Vвс·ρвс)/60 = (1480·1,29)/60 = 31.82 кг/с (массовый расход воздуха)
Nk = G·Lk = 31,82·270,338 = 8.6 МВт (мощность компрессора)
Мощность компрессора 8,6 МВт (расчетная)
Мощность по паспорту 10,0 МВт
Необходимая мощность двигателя: Nдвигтеля = Nkомпрессора/ηдвигателя = 8.6/0,98 = 8,8 МВт
Определим расход воды на компрессор:
Срв = 4,19 кДж/кг·гр; Срвозд = 1 кДж/кг·гр (теплоемкости воды и воздуха)
Gвозд = 31,82 кг/с (расход воздуха)
tв1 = 25оС (температура на входе в теплообменник)
tв2 = 50оС (температура на выходе из теплообменника)
Все данные для расчета приняты в соответствии с рекомендациями
Gв1 =(31.82 ·1· (387,184-300))/(4.19· (50-25)) = 26,484 кг/с (расход воды в первом промежуточном охладителей)
Gв2 = (31.82 ·1· (389,184-300))/(4,19· (50-25)) = 27,092 кг/с (расход воды во втором промежуточном охладителей)
Gв3 = (31.82 ·1· (386,236-300))/(4,19· (50-25)) = 26,196 кг/с (расход воды в концевом охладителе)
Gвк = Gв1 + Gв2 + Gв3 = 79,772 кг/с (общий расход охлаждающей воды на компрессор)
Определим удельный расход энергии на 1000 м3 воздуха:
Nк = 8,6 мВт; Vк = 1480 м3/мин;
Э = (Nк/(Vк·60))·1000 = (8,6·106)/(1480·60) = 96,5 кВт·ч/1000·м3
Определим эксергетический КПД компрессора:
Значение эксэргии принимаем Е7 =175 кДж/кг
Реальная работа сжатия совершаемая компрессором Lk =270,338 кДж/кг
ηe = Е7 /( Lk) = 175 /270,338=0,647
-
Использованная литература
[1] - <<Системы воздухоснабжения промышленных предприятий >>
Б.Г.Борисов, Н.В.Калинин, В.А.Михайлов
[2] - <<Лекции>> Н.В.Калинин
Содержание
1 Определим расчетную потребность в сжатом воздухе.
2 Выбор типа (марки) и количества компрессоров с учетом резервирования.
3 Принципиальные схемы систем воздухоснабжения.
4 Технологическая схема компрессорной установки обеспечивающей сжатым воздухом пневмоприемники.
5 Определение диаметра всасывающего трубопровода и гидравлический расчет.
6 Рассчитаем энергетические характеристики компрессора работающего на ДП2
7 Использованная литература
















