Лабораторная работа №15 (989689), страница 2
Текст из файла (страница 2)
Рис.5 Время-токовые характеристики полного отключения плавких вставок предохранителей серии ПП31.
Второй контур (рис.3. а) образован заземлителем нейтрали (r0) и повторным заземлителем (rп). Благодаря наличию повторного заземлителя снижается напряжение относительно земли нулевого проводника, а, следовательно, и подключенных к нему корпусов.
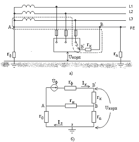
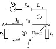
На рис. 3,б представлена эквивалентная схема электрической сети для случая замыкания фазы на корпус электроустановки. В контур 1 входят следующие схемные элементы.
zT - полное сопротивление обмотки трансформатора;
rф, rн - активные сопротивления фазного и нулевого защитного проводников;
хф хн - внутренние индуктивные сопротивления фазного и нулевого защитных проводников;
хп - внешнее индуктивное сопротивление “петли фаза-нуль”.
Для дальнейшего анализа воспользуемся упрощенной эквивалентной схемой без индуктивных элементов (рис. 6) Определим напряжение на корпусе электроустановки до момента срабатывания автоматической защиты.
Рис. 6 Упрощенная эквивалентная схема.
Как видно из рис. 6 напряжение на корпусе равно напряжению относительно земли т. Б, в которой корпус подключен к нулевому проводнику:
Uкорп = UБ = Iз r п. (3)
Используя ряд формул
UАБ = Iк r н, (5)
полученных из рассмотрения контуров 1 и 2 эквивалентной схемы (рис. 6), при условии Iз<< Ik и Iн Iк найдем:
В качестве сомножителей в выражение (7) входят относительные характеристики сопротивлений первого и второго – контуров (рис. 6). При отсутствии повторного заземления (рис. 7,а), то есть при r п = , выражение (7) имеет вид:
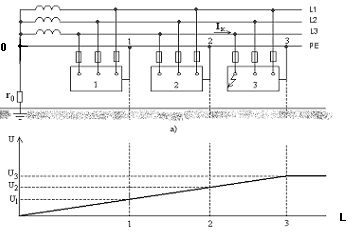
Считая сопротивление нулевого проводника распределенным, то есть зависящим от длины проводника, rн = f (l), можно получить зависимость напряжения нулевого проводника относительно земли (рис. 7, б) Напряжения на корпусах будут иметь значения, соответствующие напряжению на нулевом проводнике в точке подключения к нему корпуса электроустановки ( рис. 7, а, б.).
Рис. 7 Короткое замыкание фазы 3 на зануленный корпус 3 при отсутствии повторного заземлителя:
а) принципиальная схема;
б) распределение напряжения по нулевому проводнику.
Если нулевой проводник оборван (рис. 8, а), т. е. (rн = ), то напряжение на поврежденном корпусе будет ниже фазного
но корпуса подключенные до места обрыва (рис 8, б) в этом случае окажутся под напряжением
U0 = Uкорп 1 = Uкорп 2 = Uф
. (10)
Рис. 8 Короткое замыкание фазы 3 на корпус электроустановки 3 с оборванным нулевым проводником:
а) принципиальная схема;
б) распределение напряжения по нулевому проводнику до и после места обрыва.
Следует отметить, что имеющее место в этом случае замыкание на заземленный через повторный заземлитель корпус 3, приведет к протеканию в фазном проводнике тока Iз , значительно меньшего, чем ток короткого замыкания. Поэтому максимальная токовая защита не сработает и корпуса электроустановок будут находиться под напряжением.
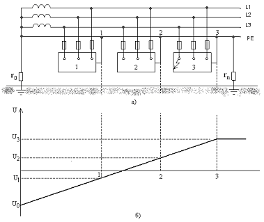
При наличии всех элементов цепи зануления (нулевого проводника и повторного заземлителя) распределение напряжения вдоль нулевого проводника имеет вид прямой между двумя точками с координатами, соответствующими напряжению на поврежденном корпусе (7) и напряжению на нулевой точке относительно земли (рис. 9):
Рис. 9 Короткое замыкание фазы 3 на зануленный корпус электроустановки 3:
а) принципиальная схема;
б) распределение напряжения по нулевому проводнику.
Сдвиг графика (рис. 9, б) относительно нуля обусловлен направлением обхода контура 2 при определении напряжений на элементах эквивалентной схемы (рис. 6).
Практическое применение зануления базируется на выполнении ряда требований к электрической сети. Так номинальные сечения нулевых защитных проводников (Sн) выбирается в зависимости от сечения фазных проводников.(Sф).
| Сечение фазных проводников, мм2 | Наименьшее сечение защитных проводников |
| Sф 16 16 < Sф 35 Sф 35 | Sн = Sф Sн =16 мм2 Sн = Sф /2 |
При использовании для электропитания однофазных потребителей, нулевого проводника одновременно и в качестве рабочего и в качестве защитного проводников: Sн = Sф и zн = zф. При монтаже и эксплуатации оборудования необходимо следить, чтобы переходное сопротивление контакта (rк) в месте подключения нулевого проводника к корпусу электроустановки (рис. 10) не превышало 0,05 Ом.
Рис. 10 Сопротивление контакта (rк) в месте подключения нулевого проводника к корпусу электроустановки:
а) принципиальная схема;
б) эквивалентная схема.
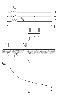
Рассмотрим как влияет на характеристики зануления изменение сопротивления контакта. Для простоты проведем анализ схемы без повторного заземления (рис. 11).
Напряжение на корпусе в этом случае будет равно напряжению т. В относительно земли (рис. 11, б), то есть
UВ = Iк ( rн + rк ). (12)
Ток короткого замыкания в этом случае уменьшится до величины
а напряжение на корпусе возрастет до величины
Рис. 11 Влияние сопротивления контакта в месте подключения нулевого проводника к корпусу электроустановки:
а) эквивалентная схема цепи зануления;
б) распределение напряжения по нулевому проводнику (Uв – напряжение на корпусе электроустановки);
в) зависимость тока короткого замыкания от сопротивления контакта.
Если rк будет превышать 0,05 Ом, то есть будет сравнимо или больше сопротивлений нулевого и фазного проводников, которые имеют значения 0,01 - 0,1 Ом, то автоматическая защита может не сработать и корпус электроустановки будет находиться под напряжением UВ’ (рис. 11, б).
Максимальная токовая защита может также не сработать, если вместо зануления корпуса электроустановки использовать его заземление (система ТТ, рис. 12).
Рис. 12 Короткое замыкание фазы 3 на заземленный корпус.
Ток, протекающий по контуру “заземлитель корпуса - заземлитель нейтрали- обмотка трансформатора- замкнувшийся фазный проводник” и равный (при допущении rтр << r0 + rз , rф << r 0 + rз)
будет намного меньше тока короткого замыкания. Напряжение на корпусе электроустановки будет зависеть от соотношения между r0 и rз. При увеличении, например, rз напряжение на корпусе будет возрастать. Ввиду указанных недостатков заземление как единственная мера защиты (без защитного автоматического отключения сети) в сетях с глухозаземленной нейтралью до 1000 В не применяется.
В сетях ТТ электробезопасность обеспечивается использованием устройств защитного отключения (УЗО) на дифференциальном токе.
-
Описание лабораторной установки.
Установка (рис. 13) предназначена для оценки эффективности следующих защитных мер в электроустановках:
-
зануления;
-
защитного заземления;
-
защитного отключения.
Поскольку стенд многофункциональный, то при исследовании зануления используются не все схемные элементы.
3.1 Общая характеристика сети и электроустановок.
В работе исследуется трехфазная четырехпроводная сеть (TN-C), напряжением 380/220 В с глухозаземленной нейтралью. Сопротивление заземлителя нейтрали равно 4 Ом. Нулевой проводник может подключаться к повторному заземлителю.
Электроустановки на схеме представлены в виде корпусов, подключенных к сети электропитания. Однофазная электроустановка 1 и трехфазная электроустановка 3 подключены к электрической сети постоянно. Трехфазная электроустановка 2 подключается к сети с помощью автоматического выключателя (АВ).
Корпуса электроустановок 1 и 3 занулены, корпус электроустановки 2 может быть либо занулен либо заземлен.
В работе можно также моделировать замыкание одной из фаз на землю.
3.2. Схемные элементы.
Сопротивления изоляции проводов re и ri не используются при исследовании зануления и устанавливаются максимальными.
Емкости проводов относительно земли се не используются в работе и устанавливаются, равными нулю (кнопки отжаты).
Сопротивления заземлителя нейтрали (r0) не регулируется и равно 4 Ом.
















