Лабники кучкой (989648), страница 8
Текст из файла (страница 8)
а) обмотки (1) генератора (трансформатора), соединенные в “звезду” с нулевой точкой (2); нулевая точка связана с заземляющим устройством (4) и нулевым проводником (3);
б) четырехпроводная сеть с нулевым проводником;
в) пятипроводная сеть с нулевым рабочим проводником (4) и нулевым защитным проводником (5).
Кроме четырехпроводных сетей с глухозаземленной нейтралью (рис 1, б) в последнее время ведется внедрение пятипроводных сетей (рис1, в). В четырехпроводных сетях при питании однофазных потребителей (рис. 2,а) нулевой проводник часто выполняет функции одновременно и рабочего и защитного проводника. При использовании пятипроводной системы от нулевой точки источника питания отходят два нулевых проводника ( рис. 2, б) - рабочий и защитный. Рабочий проводник в совокупности с фазным служит для электропитания однофазных потребителей, а защитный - обеспечивает автоматическое отключение питания при коротких замыканиях на корпус электроустановки, а также снижает напряжение на корпусе до момента отключения электроустановки от сети.
Рис.2 Трехфазные сети с глухозаземленной нейтралью:
а) четырехпроводная сеть с однофазным (I) и трехфазным (II) потребителями; нулевой проводник (3) выполняет функции нулевого рабочего (4) и нулевого защитного (5) проводников;
б) пятипроводная сеть с однофазным (I) и трехфазным (II) потребителями; нулевой рабочий проводник (4) служит для электропитания однофазных потребителей, нулевой защитный проводник (5) обеспечивает срабатывание максимальной токовой защиты и выполняет функции заземляющего проводника.
При пятипроводной системе электроснабжения однофазные сети выполняются трехпроводными, например, к электророзетке подводятся нулевой рабочий и фазный проводники (для электропитания бытовых приборов, компьютеров и т.п.), а также нулевой защитный проводник, обеспечивающий автоматическое отключение питания и снижение напряжения на металлических нетоковедущих частях, например, корпусе электроприемника.
Правилами устройства электроустановок (ПУЭ) введены буквенные обозначения электрических сетей и систем заземления, соответствующие стандартам Международной электротехнической комиссии. Для сетей с глухозаземленной нейтралью в которых открытые проводящие части (корпуса) электроустановок присоединены к нулевому защитному проводнику вводится обозначение TN. Если нулевой проводник выполняет функцию нулевого рабочего и нулевого защитного проводников, то такая четырехпроводная система электроснабжения обозначается TN-C (рис.2, а), если нулевой рабочий и нулевой защитный проводники разделены на всем протяжении сети, то такая пятипроводная система обозначается TN-S (рис.2, б).
Проводники сети обозначаются:
фазные – L1, L2, L3;
нулевой рабочий – N;
нулевой защитный – PE;
нулевой, совмещающий функции нулевого рабочего и нулевого – PEN.
Подробная классификация электрических сетей и используемых мер электробезопасности в соответствии с ПУЭ дана в Приложении №1.
Защитное зануление.
Основной мерой защиты от поражения электрическим током в сетях с глухозаземленной нейтралью напряжением до 1000 В является защитное зануление.
Защитным занулением называется преднамеренное соединение открытых проводящих частей, которые могут оказаться под напряжением вследствие замыкания фазы, например, на металлический корпус электроустановки с глухозаземленной нейтралью генератора или трансформатора. Это соединение осуществляется с помощью нулевого защитного проводника.
Нулевой защитный проводник следует отличать от нулевого рабочего проводника, который также соединен с глухозаземленной нейтральной точкой, но предназначен для питания током электроприемников и по нему проходит рабочий ток.
Нулевой рабочий проводник должен иметь изоляцию, равноценную изоляции фазных проводников, сечение его должно быть рассчитано на длительное прохождение рабочего тока.
В четырехпроводных сетях (TN-C) нулевой рабочий проводник используется одновременно и как нулевой защитный, т.е. для защитного зануления приемников энергии (за исключением однофазных электроприемников). В этом случае нулевой рабочий проводник должен удовлетворять требованиям, предъявляемым к нулевым рабочим и защитным проводникам.
В пятипроводных сетях (TN-S) для защитного зануления используется нулевой защитный проводник.
Принцип действия защитного зануления – превращение замыкания на корпус в однофазное короткое замыкание ( т.е. замыкание между фазным и нулевым защитным проводниками) с целью вызвать большой ток, способный обеспечить срабатывание защиты и тем самым автоматически отключить поврежденную электроустановку от питающей сети. Такой защитой являются: плавкие предохранители или автоматические выключатели.
Кроме того, поскольку зануленные корпуса (или другие открытые проводящие части) заземлены через нулевой защитный проводник, то в аварийный период, т.е. с момента возникновения замыкания на корпус и до автоматического отключения поврежденной электроустановки от сети, проявляется защитное свойство этого заземления. Иначе говоря, защитное заземление корпусов через нулевой проводник снижает в аварийный период их напряжение относительно земли.
Таким образом, защитное зануление осуществляет два защитных действия - быстрое автоматическое отключение поврежденной установки от питающей сети и снижение напряжения зануленных металлических нетоковедущих частей, оказавшихся под напряжением, относительно земли.
Анализ схемы зануления.
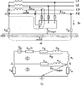
Принцип действия зануления ясен из рис.3,а. При замыкании фазы 3 на корпус электроустановки ток короткого замыкания (Iк) проходит по обмотке трансформатора, далее через плавкий предохранитель, место замыкания и нулевой защитный проводник.
Р
ис. 3 Короткое замыкание фазы 1 на зануленный корпус электроустановки:
а) принципиальная схема электрической сети с занулением
б) эквивалентная схема
Там он разветвляется на токи Iн и Iз , которые через нулевую точку попадают в обмотку трансформатора
, при этом образуются два контура. Первый из них (показан пунктиром на рис. 3, а) включает фазный и нулевой проводники (так называемая “петля фаза-нуль”). Протекание тока короткого замыкания по этому контуру приводит к срабатыванию автоматического выключателя или перегоранию плавкой вставки предохранителя и отключению поврежденной электроустановки. До момента срабатывания автоматической защиты корпуса электроустановок будут находиться под напряжением. Поскольку человек при меньшей продолжительности воздействия может выдержать больший ток, то ГОСТом 12.1.038-82 (с изменениями от 01.07.88) определены допустимые напряжения прикосновения и токи протекающие через человека в зависимости от времени действия. (Табл.1)
Табл.1
| Род тока | Нормируемая величина | Предельно допустимые значения при длительности воздействия ниже t, с | |||||||||||
| 0.01 0.08 | 0.1 | 0.2 | 0.3 | 0.4 | 0.5 | 0.6 | 0.7 | 0.8 | 0.9 | 1.0 | Св. 1.0 | ||
| Переменный 50 Гц | U, В | 550 | 340 | 160 | 135 | 120 | 105 | 95 | 85 | 75 | 65 | 60 | 20 |
| I, мА | 550 | 400 | 190 | 150 | 140 | 125 | 105 | 90 | 75 | 65 | 50 | 6 | |
Как видно из рис.4 допустимый ток (Ih доп) снижается с увеличением времени действия на человека, то есть при при снижении быстродействия автоматической
защиты.
Рис. 4 Зависимость предельно допустимых значений от продолжительности воздействия.
Для приближенных расчетов зависимость Ih доп от времени срабатывания защиты (t защ ) можно аппроксимировать функцией
Поскольку время срабатывания аппаратов максимальной токовой защиты уменьшается с увеличением тока короткого замыкания (рис. 5), то для достижения заданного условиями безопасности допустимого времени действия тока на человека, ток короткого замыкания (Iк) должен превышать номинальный ток (Iном) устройства защиты. Под номинальным током понимают ток, который может длительно протекать, например, через предохранитель не вызывая перегорания плавкой вставки. Для плавких вставок предохранителей и тепловых расцепителей автоматических выключателей.
Iк Кз Iном. (2)
Соотношение между током Iк и током Iном определяется по время-токовым характеристикам с учетом наибольшего допустимого времени автоматического отключения. Для сетей с Uф = 220В время автоматического отключения согласно ПУЭ не должно превышать 0,4 с.
Рис.5 Время-токовые характеристики полного отключения плавких вставок предохранителей серии ПП31.
Второй контур (рис.3. а) образован заземлителем нейтрали (r0) и повторным заземлителем (rп). Благодаря наличию повторного заземлителя снижается напряжение относительно земли нулевого проводника, а, следовательно, и подключенных к нему корпусов.
На рис. 3,б представлена эквивалентная схема электрической сети для случая замыкания фазы на корпус электроустановки. В контур 1 входят следующие схемные элементы.
zT - полное сопротивление обмотки трансформатора;
rф, rн - активные сопротивления фазного и нулевого защитного проводников;
хф хн - внутренние индуктивные сопротивления фазного и нулевого защитных проводников;
хп - внешнее индуктивное сопротивление “петли фаза-нуль”.
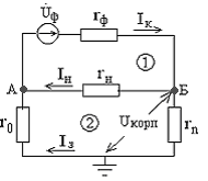
Для дальнейшего анализа воспользуемся упрощенной эквивалентной схемой без индуктивных элементов (рис. 6) Определим напряжение на корпусе электроустановки до момента срабатывания автоматической защиты.
Рис. 6 Упрощенная эквивалентная схема.
Как видно из рис. 6 напряжение на корпусе равно напряжению относительно земли т. Б, в которой корпус подключен к нулевому проводнику:
Uкорп = UБ = Iз r п. (3)
Используя ряд формул
UАБ = Iк r н, (5)
полученных из рассмотрения контуров 1 и 2 эквивалентной схемы (рис. 6), при условии Iз<< Ik и Iн Iк найдем:
В качестве сомножителей в выражение (7) входят относительные характеристики сопротивлений первого и второго – контуров (рис. 6). При отсутствии повторного заземления (рис. 7,а), то есть при r п = , выражение (7) имеет вид:
Считая сопротивление нулевого проводника распределенным, то есть зависящим от длины проводника, rн = f (l), можно получить зависимость напряжения нулевого проводника относительно земли (рис. 7, б) Напряжения на корпусах будут иметь значения, соответствующие напряжению на нулевом проводнике в точке подключения к нему корпуса электроустановки ( рис. 7, а, б.).
Рис. 7 Короткое замыкание фазы 3 на зануленный корпус 3 при отсутствии повторного заземлителя:
а) принципиальная схема;
















