Лаба НЛВД (Суслова А., Межеумова И.) (988971)
Текст из файла
Московский энергетический институт
(технический университет)
Лабораторная работа
по курсу «Источники оптического излучения»
Исследование параметров и характеристик
ламп типа НЛВД
Выполнили студенты гр. ЭР-04-06
Межеумова И.
Суслова А.
Румянцева В.
Принял: Попов О.А.
Москва
2009
Устройство лампы типа НЛВД
1 - керамическая заглушка
2 — керамическая светопропускающая трубка
3 — внешняя колба из тугоплавкого стекла
4 – электрод
5 - ниобиевый штенгель
6 - бариевый геттер (газопоглотитель)
7 - цоколь
Рис.1 Общий вид натриевой лампы высокого давления
Натриевые лампы высокого давления содержат смесь паров натрия в ртути при высоком давлении и зажигающий газ – ксенон. Натрий, имеющий наиболее низкие потенциалы возбуждения в ионизации, является основным рабочим веществом. Ртуть вводится в качестве буферного газа для повышения температуры разряда, градиента потенциала в столбе разряда, для снижения тепловых потерь; вклада в излучение ртуть практически не дает. Рабочее давление паров натрия 4–14 кПа. Ксенон вводится при давлении 2,6 кПа, он повышает светоотдачу за счет снижения теплопроводности плазмы. Напряжение зажигания ламп с ксеноном 2–4КВ. Для уменьшения напряжения зажигания используют смесь Ne+0,5%Ar в качестве зажигающего газа, но при этом на 25% снижается световая отдача лампы.
Спектр излучения НЛВД содержит интенсивные линии в сине-зеленой части спектра. Цветовая температура 1900–2100К. Цветовая температура излучения и индекс цветопередачи могут быть повышены за счет увеличения давления паров натрия, но при этом неизбежно происходит заметное снижение световой отдачи.
Цилиндрическая разрядная трубка НЛВД смонтирована в вакуумированной внешней колбе. Разрядная трубка НЛВД изготавливается из особо чистой окиси алюминия в виде диффузно пропускающей свет поликристаллической керамики либо в виде прозрачного трубчатого монокристалла. Эти материалы устойчивы к длительному воздействию паров натрия при температуре до 1600°С, вакуумноплотные и механически прочные, имеют общий коэффициент пропускания видимого излучения 90–95%. В зависимости от мощности лампы трубки имеют внешний диаметр от 5 до 12 мм, стенка 0,5–1мм.
Разрядная трубка смонтирована внутри внешней колбы, изготовленной либо из стекла вольфрамовой группы (лампы с цилиндрической и эллиптической внешней колбой с резьбовым цоколем типов Е27 и Е40), либо из кварца (лампы софитного двухцокольного исполнения). Внешняя колба вакуумирована, давление в колбе не выше 0,01 Па поддерживается в течение всего срока службы при помощи газопоглотителя.
Время разгорания лампы составляет 5–7мин и определяется скоростью нагрева лампы и испарения натрия и ртути. По мере разгорания спектр излучения меняется от желтого до нормального уширенного, соответствующего установившимся рабочим параметрам. Время повторного зажигания погасшей лампы определяется временем остывания разряда трубки до температуры, при которой подаваемые импульсы напряжения достаточны для повторного зажигания разряда, и составляет 2–3 мин.
Положение горения НЛВД современной конструкции – любое в отличие от ранее существовавших типов ламп.
Срок службы НЛВД ограничивается главным образом постепенным ростом напряжении (на 1–5В на каждые 1000 ч горения) на лампе вплоть до погасания, этот рост связан с убылью натрия в течение срока службы, а также с утеплением разрядной трубки за счет потемнения приэлектродных концов. Другая причина выхода НЛВД из строя – разрушение металлокерамических вводов. При непрерывном горении НЛВД имеют срок службы на 30% больше, чем при циклическом (10-часовом). Лампы отличает высокая стабильность светового потока в течение срока службы, спад светового потока – не более 15–20% за 10 тыс. ч горения.
Технические данные лампы типа НЛВД мощностью 250 Вт
S
ON-T Comfort 250W/621 E40 1SL
Мощность – 250 Вт
Поток – 23 000 лм
Тцв – 2150 К
Индекс цветопередачи Rа – 65
Рабочее положение лампы – любое
Рис. 2 Внешний вид лампы типа НЛВД (SON-T Comfort 250W/621 E40 1SL)
Описание установки
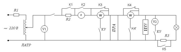
Для изучения электрических, светотехнических и спектральных характеристик ламп используется установка, электрическая схема которой представлена на рис.3 .
Рис. 3 Схема установки
Напряжение питания схемы изменяется с помощью ЛАТРа, входное напряжение на который подается включением тумблера «сеть». Выходное напряжение ЛАТРа измеряется вольтметром V1, контроль электрического режима лампы осуществляется вольтметром V2, амперметром и ваттметром. Для зажигания лампы с помощью переключателя К4’ к ней может быть подключено универсальное импульсное зажигающее устройство (УИЗУ), которое затем отключается.
1. Снимаем электрические и световые характеристики лампы в течение разгорания.
Режим разгорания
Подаём в схему с помощью ЛАТРа напряжение 220 В. С интервалом в 15 с записываем показания приборов – вольтметра (напряжение Uл), микроамперметра (Iл), другого микроамперметра (потока лампы Фл, который пропорционален реакции приёмника – фототоку), ваттметра (мощности Рл). Измерения проводим до тех пор, пока характеристики не стабилизируются, т.е. разгорание закончится и лампа перейдёт в нормальный режим.
| t - время разгорания, мин | Uл, В | Iл, А | Рл, Вт | Фл, о.е. | |
| 15 | 10 | 3,75 | 80 | 0,5 | 37,5 |
| 30 | 10 | 3,7 | 92 | 1 | 37 |
| 45 | 20 | 3,7 | 108 | 1,5 | 74 |
| 1:00 | 24 | 3,65 | 112 | 2 | 87,6 |
| 1:15 | 34 | 3,6 | 112 | 3,5 | 122,4 |
| 1:30 | 36 | 3,6 | 120 | 4,5 | 129,6 |
| 1:45 | 38 | 3,55 | 124 | 5,5 | 134,9 |
| 2:00 | 42 | 3,5 | 136 | 7 | 147 |
| 2:15 | 46 | 3,45 | 148 | 9 | 158,7 |
| 2:30 | 50 | 3,45 | 156 | 10,5 | 172,5 |
| 2:45 | 56 | 3,4 | 168 | 12,5 | 190,4 |
| 3:00 | 62 | 3,35 | 184 | 13,5 | 207,7 |
| 3:15 | 66 | 3,3 | 196 | 15,5 | 217,8 |
| 3:30 | 74 | 3,2 | 204 | 16,5 | 236,8 |
| 3:45 | 78 | 3,15 | 216 | 17,5 | 245,7 |
| 4:00 | 84 | 3,1 | 228 | 18,5 | 260,4 |
| 4:15 | 90 | 3 | 236 | 19 | 270 |
| 4:30 | 96 | 2,95 | 240 | 20 | 283,2 |
| 4:45 | 100 | 2,9 | 244 | 20 | 290 |
| 5:00 | 102 | 2,85 | 244 | 20 | 290,7 |
| 5:15 | 104 | 2,8 | 248 | 20,25 | 291,2 |
| 5:30 | 106 | 2,8 | 248 | 20,5 | 296,8 |
| 5:45 | 106 | 2,75 | 248 | 20,5 | 291,5 |
| 6:00 | 106 | 2,75 | 248 | 21 | 291,5 |
| 6:15 | 100 | 2,85 | 244 | 21 | 285 |
| 6:30 | 98 | 2,85 | 240 | 21 | 279,3 |
| 6:45 | 96 | 2,9 | 240 | 21 | 278,4 |
| 7:00 | 96 | 2,9 | 240 | 21 | 278,4 |
| 7:15 | 94 | 2,9 | 240 | 21 | 272,6 |
| 7:30 | 94 | 2,9 | 240 | 21 | 272,6 |
Таблица 1. Изменение характеристик лампы в процессе разгорания
Первоначально разряд происходит при низком давлении паров ртути, которое определяется температурой лампы в момент возникновения разряда. Все характеристики соответствуют при этом разряду низкого давления при тех же давлении, диаметре и токе. По мере разогревания колбы и испарения ртути повышается давление ее пара, и вместе с тем изменяются характеристики разряда: растут градиент потенциала, поток излучения, световая отдача и яркость. Время разгорания определяется скоростью испарения ртути, установления теплового режима колбы и составляет в нашем случае – 6:00 мин.
На графике видно, что ток лампы падает в процессе разгорания почти на 30%. Это объясняется следующими процессами: во время разгорания лампы увеличивается температура, растёт давление паров ртути и натрия. Число соударений электронов с атомами растёт, длина свободного пробега уменьшается, поэтому уменьшается электропроводность. Ток уменьшается. Когда оба газа перейдут в насыщенное состояние, изменение характеристик лампы прекращается. Минимум кривой тока, после которого лампа переходит в установившийся режим, можно объяснить скачком сетевого напряжения.
Напряжение сети довольно сильно влияет на световые и электрические параметры НЛВД, длительная эксплуатация НЛВД при отклонениях сетевого напряжения более чем на 5% от номинального значения приводит к сокращению срока службы ламп. Работа на переменном токе частотой 50Гц сопровождается значительными пульсациями светового потока.
Характеристики
Тип файла документ
Документы такого типа открываются такими программами, как Microsoft Office Word на компьютерах Windows, Apple Pages на компьютерах Mac, Open Office - бесплатная альтернатива на различных платформах, в том числе Linux. Наиболее простым и современным решением будут Google документы, так как открываются онлайн без скачивания прямо в браузере на любой платформе. Существуют российские качественные аналоги, например от Яндекса.
Будьте внимательны на мобильных устройствах, так как там используются упрощённый функционал даже в официальном приложении от Microsoft, поэтому для просмотра скачивайте PDF-версию. А если нужно редактировать файл, то используйте оригинальный файл.
Файлы такого типа обычно разбиты на страницы, а текст может быть форматированным (жирный, курсив, выбор шрифта, таблицы и т.п.), а также в него можно добавлять изображения. Формат идеально подходит для рефератов, докладов и РПЗ курсовых проектов, которые необходимо распечатать. Кстати перед печатью также сохраняйте файл в PDF, так как принтер может начудить со шрифтами.
















