вариант 9 - КМОП (988140), страница 2
Текст из файла (страница 2)
По таблице номиналов (10%) выбираем С2=68 пФ.
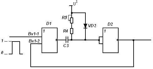
РАСЧЁТ ЖДУЩЕГО МУЛЬТИВИБРАТОРА
Осциллограммы переходных процессов в ЖМВ:
ЖМВ является релаксационным генератором, работающим в ждущем режиме. Он имеет одно устойчивое состояние. Внешний запускающий импульс вызывает скачкообразный переход схемы в новое состояние, называемое квазиравновесным. В данном состоянии происходит относительно медленные изменения токов (напряжений) в схеме, которые в конечном итоге вновь приводят к «скачку» и переходу схемы в равновесное состояние. Таким образом, на каждый запускающий импульс одновибратор вырабатывает импульс определённой длительности и вновь «ждёт» запускающего импульса.
Рассмотрим работу ЖМВ на логических элементах ИЛИ-НЕ. Входными токами ЛЭ будем пренебрегать. Для обеспечения ждущего состояния на вход ЛЭ D2 через резистор R подаётся высокий потенциал, а на оба входа ЛЭ D1 низкие потенциалы, при этом низкий потенциал на входе Вх1-2 является следствием высокого потенциала на входе ЛЭ D2.Конденсатор C3 разряжён. На выходе ЛЭ D1 высокий потенциал.
ЖМВ запускается положительным перепадом напряжения от
до
, поступающим на вход Вх1-1 ЛЭ D1, что приводит к изменению напряжения на его выходе на низкое. Это изменение передаётся через ёмкость C как через короткое замыкание на вход ЛЭ D2. На выходе одновибратора возникает напряжение высокого уровня. Последнее передаётся на вход Вх1-2 D1. В некоторый момент времени, когда на входе ЛЭ D2 возникнет потенциал U*, оба ЛЭ оказываются в области активных характеристик, и в схеме возникает глубокая положительная обратная связь. Она существенно ускоряет переходной процесс - в схеме возникает скачок токов (напряжений). По окончании скачка на входе Вх1-2 ЛЭ D1 оказывается уровень
, и он удерживает ЛЭ D1 в состоянии Uвых1=
. Схема себя «заблокировала»- начинается медленный квазиравновесный процесс формирования импульса Т. В момент скачка конденсатор C3 будет заряжаться по цепи: Епит - резистор-конденсатор C2- выход элемента D1. При достижении Uвх2=U* оба ЛЭ D1 и D2 вновь оказываются активной области характеристик. В схеме опять возникает положительная обратная связь и скачок токов (напряжений). Квазиравновесная стадия завершилась- импульс сформирован. Его длительность составляет
,
где
=Епит, U*=Епит/2.
После квазиравновесной стадии следует стадия восстановления, в течение которой в схеме происходит восстановление потенциалов и токов до первоначальных значений. Перезарядка через резистор существенно увеличивает время восстановления. Для сокращения этой стадии вводят диод VD2. В квазиравновесной стадии диод закрыт, а на этапе восстановления он открывается и конденсатор С3 разряжается по цепи: диод VD2 и выходной транзистор D1. Это существенно ускоряет процесс восстановления, однако несколько увеличивает длительность заднего фронта импульса напряжения на выходе ЛЭ D1.
Найдем значение сопротивления R4:
Зная ток через R4 и напряжение питания, мы можем найти минимальное значение сопротивления R4:
По таблице номиналов (5%) R4=330кОм.
Рассчитаем значения конденсатора С3:
Зная, что
, где Ud=0,7 В, найдем С2:
Найдем значение сопротивления R4 :
Для этого найдем максимальное сопротивление цепи.
По таблице номиналов (5%) R5=430 кОм.
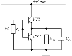
РАСЧЁТ УСИЛИТЕЛЯ МОЩНОСТИ
Схема усилителя мощности:
Усилитель мощности выполняется на биполярных транзисторах, включённых по схеме общий коллектор.
Входной сигнал подаётся через регулятор амплитуды – делитель напряжения – на базу транзисторов. Отпирающий ток базы открывает транзистор и вызывает ток эмиттера, который является током нагрузки и в β+1 раз больше базового. Схема усиливает ток, проходящий через нагрузку, таким образом, она является усилителем мощности.
Параметры транзистора:
Базовый ток транзистора:
Максимальный выходной ток микросхемы:
Ток в резисторе R6 примем меньше тока базы в 10 раз. Отсюда найдём номинал резистора, если на нём будет падать максимальное напряжение:
По таблице номиналов (10%) R6=820 кОм
Параметры транзистора для переменного сигнала:
Выходное сопротивление микросхемы:
Входное сопротивление транзистора:
Выходное сопротивление транзистора:
- постоянная времени транзистора
Верхняя граничная частота:
Оценим фронты импульса:
t1=21,8 нс
t2=476,1 нс
Время фронта усилителя:
Время фронта по условию:
Данный усилитель в состоянии обеспечить нужные фронты.
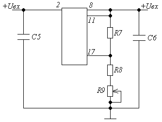
Расчёт параметров стабилизатора
Схема стабилизатора:
Стабилизатор напряжения поддерживает стабильное напряжение Епит для всего устройства, обеспечивая необходимый устройству ток.
Напряжение на выходе стабилизатора:
Eпит=15,5 В
Нестабильность напряжения сети:
Нестабильность выходного напряжения стабилизатора:
Номинальное напряжение на входе стабилизатора:
U=E+U*0,2+Uпд, где
Uпд – падение напряжения на стабилизаторе, Uпд=3,5 В (по справочнику)
Максимальное и минимальное значения напряжения на входе:
Коэффициент нестабильности по напряжению:
По справочнику коэффициент нестабильности по напряжению стабилизатора:
Напряжение на выходе стабилизатора:
Uос=1,25 В, а ток в делителе R7-R8 не должен быть меньше 1,5 мА.
Отсюда находим значения резисторов:
R7=11,4*R8
R7=833,3 Ом
R8=9500 Ом
По таблице номиналов (5%) выбираем резисторы:
R7=820 Ом
R8=9,1 кОм
Для точной регулировки выходного напряжения делаем резистор R11 переменным:
R9=1 кОм
Конденсаторы по таблице номиналов (10%) выбираются равными 10 мкФ:
С4=10 мкФ
С5=10 мкФ
Рассчитаем ток, потребляемый устройством:
Токи, потребляемые микросхемами (по справочнику):
Ток, потребляемый регулятором амплитуды:
Средний ток, потребляемый нагрузкой за период (при средних значениях длительности импульса и периода):
Максимальный потребляемый нагрузкой ток за период:
Ток, потребляемый устройством:
Максимальный ток, потребляемый устройством:
Коэффициент нестабильности по току:
По справочнику коэффициент нестабильности по току стабилизатора:
ТАБЛИЦА СПЕЦИФИКАЦИЙ
| Зона | Поз. об. | Наименование | Кол. | Примечание |
| Конденсаторы | ||||
| C1 | К71-5 5.1мкФ 5% | 1 | ||
| С2 | К10-17-1 «б» 68пФ 10% | 1 | ||
| С3 | К10-17-1 «б» 4нФ 5% | 1 | ||
| С5,С6 | К52-1 10мкФ 10% | 2 | ||
| К50-12 2000мкФ | ||||
| Микросхемы | ||||
| DD1,DD2, DD3 | К561ЛЕ5 | 3 | ||
| Резисторы | ||||
| R1 | МЛТ 2кОм 5% | 1 | ||
| R2 | МЛТ 8.2кОм 5% | 1 | ||
| R3 | МЛТ 100кОм 10% | 1 | ||
| R4 | СП3-33 330кОм 5% | 1 | ||
| R5 | СП3-33 430кОм 5% | 1 | ||
| R6 | СП3-33 820кОм 5% | 1 | ||
| R7 | МЛТ 820Ом 5% | 1 | ||
| R8 | МЛТ 9.1кОм 5% | 1 | ||
| R9 | СП3-33 1кОм 5% | 1 | ||
| Диоды | ||||
| VD1,VD2 | KД922Б | 1 | ||
| Транзисторы | ||||
| VT1 | КТ315Б | 1 | ||
| VT2 | КТ361Д | |||
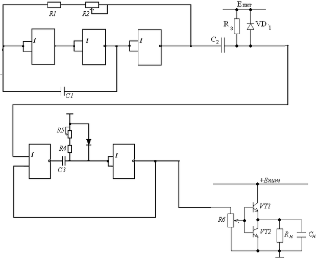
ПРИНЦИПИАЛЬНАЯ СХЕМА
Список литературы
-
Зельдин Е.А. Импульсные устройства. –М.: Радио и связь, 1981г.
-
Шило В.Л. Популярные цифровые микросхемы. Справочник. –Челябинск: Металлургия, 1988г. (МРБ, Вып. 111)
-
Мячин Ю.А. 180 аналоговых микросхем /Приложение к журналу "Радио" -М.: Патриот,1993г.
-
Перельман. Отечественные микросхемы и зарубежные аналоги: Справочник. –М.: НТЦ Микрон, 2000г.
-
Гольденберг Л.М. Импульсные устройства. -М:. Радио и связь, 1981г.
-
Каретников И.А., Соловьев А.К., Чарыков Н.А. Усилительные устройсва и стабилизаторы напряжения / Лабораторный практикум по курсу «Электронные цепи и микросхемотехника» М.: Из-во МЭИ, 2004г.
-
Каретников И.А., Соловьев А.К., Чарыков Н.А. Транзисторные ключи / Лабораторный практикум по курсу «Электронные цепи и микросхемотехника» М.: Из-во МЭИ, 2004г.
-
Каретников И.А. Триггеры и мультивибраторы на логических элементах/Лабораторные работы №1-5 «Электронные цепи и микросхемотехника» М.: Издательство МЭИ, 2005г.
- 18 -
,













