вариант 9 - КМОП (988140)
Текст из файла
Содержание:
ЗАДАНИЕ на КУРСОВОЙ ПРОЕКТ 2
Блок-схема ГПИ 3
РАСЧЁТ МУЛЬТИВИБРАТОРА 4
ДИФЕРЕНЦИРУЮЩАЯ ЦЕПЬ 7
РАСЧЁТ ЖДУЩЕГО МУЛЬТИВИБРАТОРА 9
РАСЧЁТ УСИЛИТЕЛЯ МОЩНОСТИ 11
СТАБИЛИЗАТОР НАПРЯЖЕНИЯ 13
ТАБЛИЦА СПЕЦИФИКАЦИЙ 15
ПРИНЦИПИАЛЬНАЯ СХЕМА 16
СПИСОК ЛИТЕРАТУРЫ 18
ЗАДАНИЕ НА КУРСОВОЙ ПРОЕКТ
Спроектировать генератор прямоугольных импульсов (ГПИ).
Спроектировать стабилизатор напряжения, обеспечивающий питание генератора импульсов. Использовать интегральные СН. Нестабильность выходного напряжения стабилизатора не хуже %Eпит при нестабильности напряжения сети +,- 20%.
Генератор прямоугольных импульсов.
Спроектировать генератор прямоугольных импульсов, обеспечивающий в нагрузке (Rн, Сн) амплитуду рабочих импульсов, регулируемую в пределах 0 - Uвых m. Длительность импульсов должна регулироваться и находиться в пределах Tи min - Tи max. Период следования импульсов регулируется и находится в пределах T min - T max. Обеспечить длительность переднего и заднего фронтов импульса не более tФ. Форма напряжения рабочего импульса и его амплитуда могут быть согласованы с консультантом. Генератор (за исключением УМ) выполняется с использованием стандартных логических элементов (ЛЭ) ТТЛ, либо КМОП однотипных для всего генератора, либо таймеров (формирователей) на основе ТТЛ и ЛЭ ТТЛ (Т-ТТЛ), или таймеров (формирователей) на основе КМОП и ЛЭ КМОП (Т-КМОП).
Шифр задания и его расшифровка.
Вариант №9
| Параметры | Шифр | Табличные значения | Параметры | Абсолютные значения |
| Uвых, В | 5 3 6 1 3 6 4 3 2 4 | 15 100 20 0,01 0,5 3000 7 5 КМОП 5Е-1 | Uвых, В | 15 |
| Ти min, мкс | Ти min, мкс | 100 | ||
| Ти max/Ти min | Ти max, мкс | 2000 | ||
| tф/Ти min | tф, мкс | 1 | ||
| Rн, кОм | Rн, кОм | 0,5 | ||
| Сн, пФ | Сн, пФ | 3000 | ||
| Т min/Ти max | Т min, мкс | 14000 | ||
| T max/ T min | T max, мкс | 70000 | ||
| Тип логики | Тип логики | КМОП | ||
| Δ%Епит, % | Δ%Епит | 0,005 |
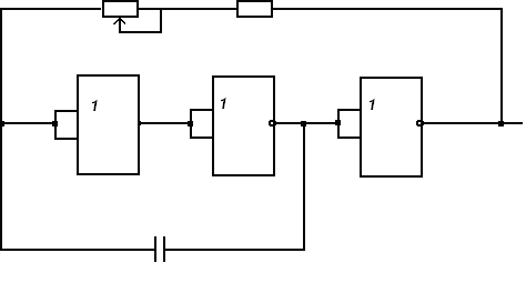
Блок-схема ГПИ
МВ – мультивибратор. Формирует кратковременные периодично повторяющиеся импульсы, которые являются запускающими для одновибратора. На стадии разработки этого блока учитывается возможность изменения периода прямоугольных импульсов автогенератора с помощью времязадающей цепи (конденсатор и резистор).
ЖМВ - ждущий мультивибратор. Иначе – одновибратор. При поступлении на вход одновибратора запускающего сигнала-импульса, на выходе формируется одиночный импульс прямоугольной формы заданной длительности и амплитуды. Длительность импульса определяется времязадающей цепью.
УМ – усилитель мощности. Этот блок включает в себя транзистор, включённый по схеме Общий Коллектор, который является усилителем мощности сигнала.
РАСЧЁТ МУЛЬТИВИБРАТОРА
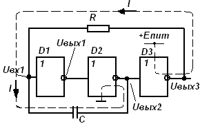
Мультивибратор выполнен на трёх логических элементах (ЛЭ) КМОП серии К561ЛЕ5. Здесь используются ЛЭ ИЛИ-НЕ. Его графическое обозначение, таблица состояний и уравнение функционирования:
| A | B | F |
| 0 1 0 1 | 0 0 1 1 | 1 0 0 0 |
Схема мультивибратора:
R2
R1
C1
D1
D2
D3
Осциллограммы в характерных точках:
Автогенератор имеет два квазиравновесных состояния. В течение квазиравновесной стадии в схеме идёт относительно медленный процесс перезарядки конденсатора, который в конечном итоге приведёт к появлению скачка токов (напряжений), и схема переходит в другое квазиустойчивое состояние и т.д. Для возникновения в схеме МВ скачков тока (напряжения) необходимо, чтобы в определенный момент времени оба инвертора D1 и D2одновременно находились в активной области характеристик, и возникла положительная обратная связь. Это достигается путём охвата инверторов D1 и D2 обратной связью с помощью конденсатора С. Резистор R, включённый между входом D1 и выходом D3, служит для вывода инверторов в активную область характеристик. Инвертор служит для переключения уровня напряжения, до которого должен перезарядиться конденсатор.
Условие возникновения положительной обратной связи легко определить из совместного анализа передаточных характеристик инверторов D1 и D2: Uвх1=Uвх2=U*=Eпит/2.
Рассмотрим характерные моменты работы МВ. Пусть в исходном состоянии потенциал на входе ЛЭ D1 имеет низкое значение Uвх= - 0.7 В. В этом случае на выходе инвертора формируется высокий потенциал Uвых1=
, на выходе инвертора D2- низкий потенциал Uвых2=
, на выходе ЛЭ D3- высокий потенциал
.
Ёмкость С начинает перезаряжаться током I, протекающим через резистор R и выходы ЛЭ D1 и D2. Нахождение МВ в данном квазиравновесном состоянии определяется временем Т1, необходимым для достижения напряжения U* на входе ЛЭ D1 в соответствии с переходным процессом.
,
где
.
При достижении Uвх1=U* в схеме возникает положительная обратная связь, приводящая к скачку- «опрокидыванию» МВ. Процесс опрокидывания очень короткий, и его учитывать не будем. Положительный скачок напряжения
с выхода ЛЭ D2 через ёмкость С будет передан на вход ЛЭ D1 и создаст потенциал Uвх1 = Епит+Ud. В результате на выходе D1 формируется уровень низкого потенциала, на выходе D2- высокого, на выходе D3- низкого потенциала. Конденсатор С теперь будет перезаряжаться в соответствии со следующей схемой:
Этим процессом будет определяться длительность второй квазиравновесной стадии периода колебаний T2:
.
После этого в схеме вновь наступит скачок и переход в первое квазиравновесное состояние. Полный период колебаний МВ составляет Т=Т1+Т2. Если R>>rвых2, rвых3 и U*=Eпит/2, то МВ близок к симметричному (Т1=Т2) и оценочно можно считать
.
Входы ЛЭ КМОП защищены охранными диодами VD1, VD2. Именно поэтому напряжение на входе Вх1 не может быть больше, чем
, и меньше, чем -Ud.
Рассчитаем значение сопротивления R1.
Для данной микросхемы ёмкость C1=5 мкФ. По таблице номиналов (5%) С1=5,1 мкФ.
Тогда период можно рассчитать по приближённой формуле:
T=R*C*ln2.
По таблице номиналов (5%) R1=2 кОм.
Найдем значение сопротивления R2:
Для этого найдем максимальное сопротивление цепи.
По таблице номиналов (5%) Rmax=10 кОм.
По таблице номиналов (5%) R2=8.2 кОм.
Дифференцирующая цепочка.
Когда на вход ДЦ подаётся импульс с выхода мультивибратора – отрицательный импульс, конденсатор в первый момент времени работает как короткое замыкание, передавая на резистор низкий потенциал. В первый момент времени диод VD1 закрыт, так как на нижней шине ДЦ напряжение равно нулю, а на верхней напряжение всегда равно +Епит. Конденсатор заряжается через резистор R3. К моменту времени, когда входной импульс заканчивается, и напряжение на входе ДЦ снова становится равным +Епит, конденсатор успевает зарядиться до разности потенциалов |Епит|. Поэтому в первый момент времени, когда входной импульс заканчивает, на нижней шине ДЦ напряжение равно |2Епит|. Тогда диод VD1 открывается и конденсатор мгновенно разряжается через него. Т.е. диод необходим для того, чтобы обрезать положительный выброс. Получается, что ДЦ укорачивает отрицательные перепады до нужной величины и практически полностью убирает положительные перепады.
Для того, чтобы одновибратор стабильно генерировал на выходе импульсы необходимо, чтобы запускающий импульс был не больше половины генерируемого импульса. ЖМВ переключится, когда на его входе напряжение будет U*. Рассмотрим случай, когда
Епит=15,5 В, так как на нагрузке необходимо максимальное выходное напряжение 15 В. Тогда U*=7,75 В.При максимальном входном токе логического элемента Iвхmax=1мкА,
Чтобы логический элемент смог переключиться, можно выбрать любое сопротивление.
Длительность импульса должна быть меньше минимальной длительности импульса. Минимальная длительность импульса Тиmin=100 мкс. Возьмём время ДЦ 10 мкс.
Если принять по таблице номиналов (5%) R3=100 кОм, то
Характеристики
Тип файла документ
Документы такого типа открываются такими программами, как Microsoft Office Word на компьютерах Windows, Apple Pages на компьютерах Mac, Open Office - бесплатная альтернатива на различных платформах, в том числе Linux. Наиболее простым и современным решением будут Google документы, так как открываются онлайн без скачивания прямо в браузере на любой платформе. Существуют российские качественные аналоги, например от Яндекса.
Будьте внимательны на мобильных устройствах, так как там используются упрощённый функционал даже в официальном приложении от Microsoft, поэтому для просмотра скачивайте PDF-версию. А если нужно редактировать файл, то используйте оригинальный файл.
Файлы такого типа обычно разбиты на страницы, а текст может быть форматированным (жирный, курсив, выбор шрифта, таблицы и т.п.), а также в него можно добавлять изображения. Формат идеально подходит для рефератов, докладов и РПЗ курсовых проектов, которые необходимо распечатать. Кстати перед печатью также сохраняйте файл в PDF, так как принтер может начудить со шрифтами.















