КП - хз вар - КМОП (988134), страница 2
Текст из файла (страница 2)
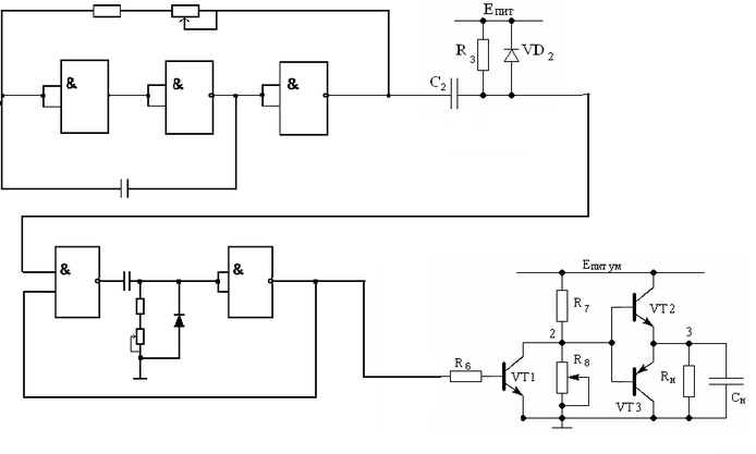
С2=3 нФ R3=20 кОм
ТАБЛИЦА СПЕЦИФИКАЦИЙ
| Обозначение | Наименование | Количество |
| R1 | С2-29В – 0,125 – 84,5 кОм 0,5% | 1 |
| R2 | С2-29В – 0,125 – 340 кОм 0,1% | 1 |
| R3 | С2-29В – 0,125 – 20 кОм 0,5% | 1 |
| R4 | С2-29 В – 0,125 – 42,7 кОм 0,25% | 1 |
| R5 | С2-29 В – 0,125 – 816 кОм 0,25% | 1 |
| R6 | С2-29 В – 0,125 – 36 кОм 0,25% | 1 |
| R7 | С2-29 В – 0,125 – 12,9 кОм 0,25% | 1 |
| R8 | С2-29 В – 0,125 – 6,19 кОм 0,25% | 1 |
| С1 | К 10 – 17Б – Н90 – 0,018 мкФ 5% | 1 |
| С2 | К 22 – 5 – 16В – 0,47 нФ 5% | 1 |
| С4 | КМ – 5 – Н – 30 – 1,6 нФ 5% | 1 |
| С5 | К 10 – 17 – 2Б – Н50 – 0,15 мкФ 5% | 1 |
| С10 | К 40 – 15 – 80В – 10мкФ 5% | 1 |
| С11 | К 40 – 15 – 80В – 10мкФ 5% | 1 |
| VD1, VD2 | КД 407 | 2 |
| VT1, VT2 | KT 203Б | 2 |
| VT3 | КТ 315Е | 1 |
| DD1.1 – DD1.5 | К561ЛА7 | 5 |
| СН1 | КР142ЕН9А | 1 |
П
R1
С1
С4
R2
R5
R4
РИНЦИПИАЛЬНАЯ СХЕМАСПИСОК ЛИТЕРАТУРЫ
1. Л.М. Гольденберг «Импульсные устройства» Москва, Радио и связь 1981.
2. Каретников И.А., Соловьев А.К., Чарыков Н.А. Усилительные и логические устройства / Лабораторный практикум по курсу "Теоретические основы микросхемотехники" Издательство МЭИ, 1992г.
3. Каретников И.А., Соловьев А.К., Чарыков Н.А. Усилительные устройства / Лабораторный практикум по курсу "Электронные цепи
и микросхемотехника" Кафедра. "Полупроводниковая электроника"
МЭИ (Электронная версия), 2001г.
4. Мячин Ю.А. 180 аналоговых микросхем / Приложение к журналу
"Радио" -М.: Патриот,1993г.
5. Аналоговые и цифровые интегральные схемы /Справочное пособие под ред. Якубовского С.В. -М.: Радио и связь, 1985г.
6. В.Л. Шило «Популярные микросхемы КМОП». Справочник: серии К176, К561, 564, КР1561, 1564. Москва: «Ягуар»,1993.
- 16 -














