КП - хз вар - КМОП (988134)
Текст из файла
Содержание:
ЗАДАНИЕ на КУРСОВОЙ ПРОЕКТ 2
Блок-схема ГПИ 3
РАСЧЁТ МУЛЬТИВИБРАТОРА 4
РАСЧЁТ ЖДУЩЕГО МУЛЬТИВИБРАТОРА 6
РАСЧЁТ УСИЛИТЕЛЯ МОЩНОСТИ 8
СТАБИЛИЗАТОР НАПРЯЖЕНИЯ 11
ДИФЕРЕНЦИРУЮЩАЯ ЦЕПЬ 12
ТАБЛИЦА СПЕЦИФИКАЦИЙ 14
ПРИНЦИПИАЛЬНАЯ СХЕМА 15
СПИСОК ЛИТЕРАТУРЫ 16
ЗАДАНИЕ на КУРСОВОЙ ПРОЕКТ
Генератор прямоугольных импульсов
Спроектировать генератор прямоугольных импульсов, обеспечивающий в нагрузке (Rн, Сн) амплитуду рабочих импульсов, регулируемую в пределах от 0 до Uвых_mах. Длительность импульсов должна регулироваться и находиться в пределах от Tи_min до Tи_max. Период следования импульсов регулируется и находится в пределах от Tmin до Tmax. Обеспечить длительность переднего и заднего фронтов импульса не более заданной величины tф. Форма напряжения рабочего импульса и его амплитуда могут быть согласованы с консультантом.
Генератор, за исключением усилителя мощности (УМ), выполняется с использованием стандартных логических элементов (ЛЭ) ТТЛ либо КМОП (однотипных для всей системы), либо таймеров (формирователей) на основе ЛЭ ТТЛ (Т-ТТЛ) или на основе ЛЭ КМОП (Т-КМОП). Типы логических элементов могут быть согласованы с консультантом.
Рассчитать стабилизатор напряжения, обеспечивающий питание генератора импульсов. Использовать интегральные стабилизаторы напряжения (СН). Нестабильность ыходного напряжения стабилизатора должна быть не хуже +-Delta_Eпит при нестабильности напряжения сети +- 20%.
Данные:
| Uвыхm = 3 В Полярность импульса «-» Tиmin = 500 мкс Tиmax/Tumin = 20 tф/ Tumin = 0,05 Rн = 0.2 кОм Сн = 500 пф Tmin/ Tumax = 15 Tmax/ Tmin = 5 Тип логики КМОП Епит=1% | Tиmax=10 мс tф=25 мкс Tmin=150 мс Tmах=750 мс |
Блок-схема ГПИ
Каждое устройство выполняет следующие функции:
-
Мультивибратор (МВ) генерирует прямоугольные импульсы с регулируемым периодом следования для запуска ждущего мультивибратора
-
Дифференцирующая цепочка (ДЦ) служит для укорачивания длительности импульса, необходимого для осуществления запуска ЖМВ.
-
Ждущий мультивибратор (ЖМВ) формирует прямоугольный импульс с заданной длительностью
-
Усилитель мощности формирует импульс с заданной амплитудой.
Автогенератор в настоящей работе будет выполнен на трёх микросхемах КМОП серии К561ЛА7.
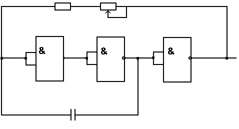
РАСЧЁТ МУЛЬТИВИБРАТОРА
R1
R2
C1
DD1.1
DD1.2
DD1.3
Генератор импульсов собран на трёх логических элементах И-НЕ с одним времязадающим конденсатором С1.
Рассчитаем значение сопротивления R1.
При R2=0 ток через R1 не должен превышать половины тока выхода DD1.3 (ток разделяется на R1 и укорачивающую цепь).
Напряжение питания: Е=15 В
Для данной микросхемы максимальный выходной ток: Iвыхmax=0.35*10-3 А
Ток через сопротивление R1 равен:
Зная ток через R1 и напряжение питания, мы можем найти минимальное значение сопротивления R1:
Рассчитаем значения конденсатора С1.
Найдем значение сопротивления R2:
Для этого найдем максимальное сопротивление цепи.
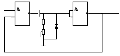
РАСЧЁТ ЖДУЩЕГО МУЛЬТИВИБРАТОРА
DD1.4
DD1.5
С4
R4
R5
VD1
Генератор импульсов собран на логических элементах И-НЕ с одним времязадающим конденсатором С4.
Найдем значение сопротивления R4
Зная ток через R4 и напряжение питания, мы можем найти минимальное значение сопротивления R4:
Рассчитаем значения конденсатора С4.
Зная, что
, где Ud=0,7 В найдем С4:
Найдем значение сопротивления R5
Для этого найдем максимальное сопротивление цепи.
Тогда Rmax
РАСЧЁТ УСИЛИТЕЛЯ МОЩНОСТИ
Возьмём Eпит ум = 15 В, = 50, rб = 200 Ом – сопротивление базы транзисторов.
Когда в точке 1 напряжение логического нуля транзистор VT1 закрыт (т.к. напряжение между базой и эмиттером меньше чем 0.7 В). Потенциал базы VT3 больше, чем эмиттера VT3 тоже закрыт. Конденсатор Cн заряжается через открытый транзистор VT2. Перечертим схему и найдём сопротивления R7 и R8.
φ3 = 3В Iэ = Iн = 3 В/ 0,2 кОм = 15 мА.
Iб = Iэ / ( + 1) = 15 / 51 = 0,3 мА.
Для того, чтобы изменение R8 заметно влияло на изменение базового тока VT2 (а значит и на изменение амплитуды выходного сигнала) надо, чтобы ток, текущий через него был порядка тока базы VT2.
Возьмём ток, текущий через R8 равный двум базовым токам VT2:
I2 = 2*Iб = 2*0,3 = 0,6 мА.
Тогда ток I1 будет равен:
I1 = I2 + Iб = 3* Iб = 3*0,3 = 0,9 мА.
φ2 = φ3 + Uбэ = 3 + 0,7 = 3,7 В.
Н
айдём сопротивления R7 и R8:
R7=12,9 кОм
R8=6,19 кОм
Когда напряжение в точке 1 равно напряжения логической единицы VT1 и VT3 открываются, а VT2 закрывается и конденсатор разряжается через открытый VT3.Нарисуем соответствующую схему:
Т
ок разрядки конденсатора равен:
Базовый ток VT3 равен:
Т
ранзистор VT1 в насыщении Uкэ нас VT1 0,3 В.
Коллекторный ток VT1 будет равен: Iк1 = IR7 + IБ3 = 2,38 + 0,001176 = 2,379 мА.
Тогда базовый ток VT1 будет равен: IБ1 = Iк1 / 2,379 / 50 = 47,6 мкА.
Это минимальный базовый ток VT1, который необходим, чтобы конденсатор успел полностью разрядится за время равное 25 мкс.
Найдем сопротивление R6:
Напряжение в точке 1 равно U1=2,4 В (для используемой микросхемы)
R6=36 кОм
Найдем tф :
tф 2,3 * , где
= Сн*(Rн || rвых ок)
rвых ок = h11 об + (R7 || R8)/(+1)
По условию курсового проекта tф = 25 мкс. Полученная величина в 35 раз меньше,
следовательно, данный усилитель в состоянии обеспечить нужные фронты.
СТАБИЛИЗАТОР НАПРЯЖЕНИЯ
В этом стабилизаторе используется микросхема КР142ЕН9А. Параметры микросхемы:
Найдем потребляемый ток:
Когда на выходе генератора 15 В, то ток, который потребляют усилитель равен:
.
Если же на выходе генератора 0 В, то потребляемый ток будет равен:
.
Таким образом, средний ток, потребляемый усилителем равен:
А пульсация тока будет равна:
Для уменьшения влияния нестабильности входного напряжения (Uвх = Uвх 20% ) и пульсации тока при изменении выходного напряжения генератора от 0 до 15В и наоборот нужно поставить конденсаторы C6 и С7. Пусть напряжение на входе стабилизатора 30 В, тогда из-за изменения
напряжения в сети, входное напряжение будет меняться от 24 до 36 В.
Найдём величину конденсатора С6 :
Теперь нужно проверить изменение выходного напряжения вследствие пульсации тока:
По условию курсового проекта стабилизатор должен обеспечить стабильность напряжения питания: ΔΕпит=1%, Епит=15В.
ΔΕпит=0.01*15=0.15 В. Без конденсатора С7 стабильность напряжения - ΔΕпит=0.098 В, тогда Iпит_ум, которое может обеспечить стабилизатор без C7 будет равен:
Если Iпит_ум = 24.5 мА, то конденсатор C7 за время разрядки должен обеспечить ток, равный Iс7 = 7,95 – 0,45 = 7.5 мА. Время разрядки возьмём равным максимальной длительности генерируемого импульса.
Значит, поставив С7 равным 5 мкФ, обеспечим нужное Eпит_ум:
ДИФЕРЕНЦИРУЮЩАЯ ЦЕПЬ
К точке 2 подключается вход ЖМВ. Для того, чтобы одновибратор стабильно генерировал на выходе импульсы необходимо, чтобы запускающий импульс был не больше половины генерируемого импульса. ЖМВ переключится, когда на его входе напряжение будет U*. Поэтому при T = Tи min / 2 U2 должно быть равно U*.
Ограничения на R7:
К
огда напряжение в точке 2 равно лог. 1, конденсатор не пропускает ТОК и весь ток, текущий через резистор течёт через входной Л.Э. ЖМВ. Если взять R7 очень большой, то на нём будет большое падение напряжения и в точке 2 напряжение будет меньше напряжения логической единицы. Из-за этого ЖМВ работать небудет
К
огда же напряжение в точке 1 меняется от лог. 1 до лог. 0 конденсатор представляет собой короткое замыкание и выход подключен к R7. Если R7 будет маленьким, то ток, текущий через него может превысить максимально допустимый выходной ток Л.Э,
Напишем закон изменения напряжения в точке 2 и найдём значения R3 и С2
При t = Tи min / 2 U2 = U*
Возьмём R3 = 20 кОм С2 = 2,875 нФ.
Характеристики
Тип файла документ
Документы такого типа открываются такими программами, как Microsoft Office Word на компьютерах Windows, Apple Pages на компьютерах Mac, Open Office - бесплатная альтернатива на различных платформах, в том числе Linux. Наиболее простым и современным решением будут Google документы, так как открываются онлайн без скачивания прямо в браузере на любой платформе. Существуют российские качественные аналоги, например от Яндекса.
Будьте внимательны на мобильных устройствах, так как там используются упрощённый функционал даже в официальном приложении от Microsoft, поэтому для просмотра скачивайте PDF-версию. А если нужно редактировать файл, то используйте оригинальный файл.
Файлы такого типа обычно разбиты на страницы, а текст может быть форматированным (жирный, курсив, выбор шрифта, таблицы и т.п.), а также в него можно добавлять изображения. Формат идеально подходит для рефератов, докладов и РПЗ курсовых проектов, которые необходимо распечатать. Кстати перед печатью также сохраняйте файл в PDF, так как принтер может начудить со шрифтами.















