подготовка к лр 2 (987993)
Текст из файла
Московский Энергетический Институт (Технический Университет)
Лабораторная работа
Переходные процессы в транзисторном ключе при работе на активно-емкостную нагрузку
Выполнили: Ветров Д.А.
Кольничев В.С.
Власенков Р.В.
Проверил:
1. Цель работы
Изучение переходных процессов включения и выключения ключа на биполярном транзисторе, работающем на активно-емкостную нагрузку, измерение времени задержки, нарастания, рассасывания и спада тока коллектора в зависимости от отпирающего тока базы.
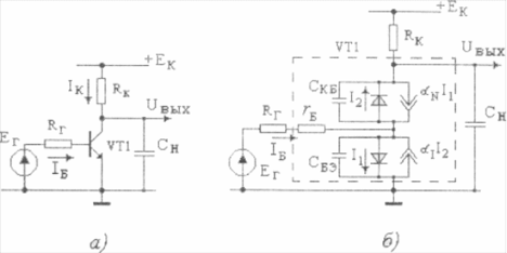
2. Схема установки
Рис. 1. Схема ключа с учетом ёмкостной нагрузки (а), его схема замещения (б)
3. Задание
1. Теоретически рассчитать длительность tф+, tф-, tэд и tрасс используя параметры транзистора и номиналы элементов схемы, указанные на стенде.
tф+ = Eк*Cкб/Iб
tф+ =
tф- = 3оэ
tф- =
tэд = tвх*ln( (Eг+)/( Eг+ - U*) ); tвх = Rг*(Cкб + Сбэ)
tвх =
tэд =
2. Исследовать процесс включения транзистора для нескольких значений импульса тока базы Iб+(Eг+). Измерения провести при минимальной величине емкости нагрузки. Построить зависимости tф+ от Iб+.
3. Исследовать процесс выключения транзистора для нескольких значений тока базы Iб+(Eг+). Измерения провести при минимальной величине емкости нагрузки. Построить зависимости tрасс, tф- от Iб+.
4. Подключить значительную емкость нагрузки. Повторить измерения пп. 2 и 3.
Характеристики
Тип файла документ
Документы такого типа открываются такими программами, как Microsoft Office Word на компьютерах Windows, Apple Pages на компьютерах Mac, Open Office - бесплатная альтернатива на различных платформах, в том числе Linux. Наиболее простым и современным решением будут Google документы, так как открываются онлайн без скачивания прямо в браузере на любой платформе. Существуют российские качественные аналоги, например от Яндекса.
Будьте внимательны на мобильных устройствах, так как там используются упрощённый функционал даже в официальном приложении от Microsoft, поэтому для просмотра скачивайте PDF-версию. А если нужно редактировать файл, то используйте оригинальный файл.
Файлы такого типа обычно разбиты на страницы, а текст может быть форматированным (жирный, курсив, выбор шрифта, таблицы и т.п.), а также в него можно добавлять изображения. Формат идеально подходит для рефератов, докладов и РПЗ курсовых проектов, которые необходимо распечатать. Кстати перед печатью также сохраняйте файл в PDF, так как принтер может начудить со шрифтами.
















