одобренный типовой по Григорьеву в ворде (987642)
Текст из файла
МОСКОВСКИЙ ЭНЕРГЕТИЧЕСКИЙ ИНСТИТУТ
(ТЕХНИЧЕСКИЙ УНИВЕРСИТЕТ)
ТИПОВОЙ РАСЧЕТ
По курсу
«Приемники излучения и фотоприемные устройства»
Выполнила Бойцова Е.А.
Группа ЭР-04-06
Принял Григорьев А.А.
Москва
2009
ЗАДАНИЕ
1. Рассчитать схему включения фотоприемника, поставив фоторезистор в режим согласованной нагрузки.
2. Разработать принципиальную электронную схему предварительного усилителя, обеспечивающую согласование с приемником по сигналу. Обеспечить коэффициент усиления в диапазоне 10 – 100.
3. Рассчитать сигнал на выходе фотоприемного устройства.
ЗАДАДИМ ПАРАМЕТРЫ ТРАНЗИСТОРА КП302Б И ФОТОДИОДА ФД-1
ФД-1
Диаметр фоточувствительного элемента, мм 5
Uр, В 20
Iт, мкА 30
Si инт, мА/лм 20
Материал Ge(германий)
1
КП302Б
Iс max, мА 24
Iз max, мА 6
Uси max, В 20
Uзи max, В 10
Uзс max, В 20
(параметры приведены для температуры окружающей среды -60..+100
С)
2
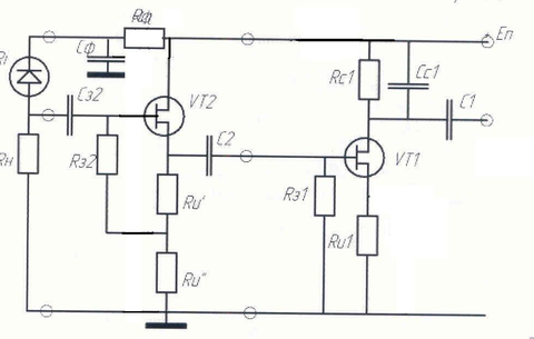
Составим схему предварительного усилителя сигнала на полевом транзисторе
В этой схеме:
Сз1 – ёмкость затвора, отсекает постоянную переменную сигнала, оставляя переменный сигнал.
Фильтр ставится, чтобы каскады не влияли на усилитель.
Rз1 – сопротивление утечки цепи затвора, необходимо для фиксации потенциала затвора (по постоянному току
з=0 ), берем значение 1 Мом.
Найдем верхнюю частоту
Выходное сопротивление схемы включения в режиме согласованной нагрузки, т.е.
, где
- темновое сопротивление фотодиода
Для обеспечения согласования схемы с приемником по сигналу необходимо, чтобы
МОм, т.е.
, значит, нужно использовать истоковый повторитель
3
Сначала проверим, обеспечивает ли Rвых работу схемы при fв, т.е. выполняется ли условие
с, где
пФ паразитная ёмкость транзистора
пФ входная ёмкость транзистора
Составим схему усилительного каскада с истоковым повторителем
Схема с истоковым повторителем расширяет частотный диапазон и резко повышает входное сопротивление (по сравнению и исходной схемой)
Найдем рабочую точку транзистора из зависимости
4
Для этого выберем рабочую кривую, в данном случае выберем
В. Определим точку, начиная с которой кривая принимает относительно прямолинейный вид и, добавив 0,5 В, проецируем эту точку на оси Uси и Iс, т.о. получили значения
В,
мА, т. е.
В,
В,
мА. С нашей (рабочей) характеристики поднимемся вверх на одну кривую, т.е.
В, точку пересечения спроецируем на ось для тока, т.о. получим следующие значения
В,
мА. Так мы найдем
мА,
В.
Выберем напряжение питания Епит из условия
В, пусть
В.
Определим крутизну транзистора
Проверим выполнение согласования по сигналу, для этого найдем входное сопротивление истокового повторителя
- коэффициент усиления истокового повторителя
По закону Ома
РАССЧИТАЕМ ОСТАЛЬНЫЕ ПАРАМЕТРЫ
Сз2 – необходима для исключения влияния постоянного напряжения на схему включения
С2 – обеспечивает нижнюю частоту
5
Найдем коэффициент усиления основного усилительного каскада
По закону Ома
,
обеспечен коэффициент усиления предусилителя в диапазоне 10 – 100.
Ru1 – необходимо для обеспечения значений Uзи0 и Iс0
По закону Ома
Сс1 – обеспечивает верхнюю частоту
Си1 – устраняет действие отрицательной обратной связи, возникающей из-за Ru1
мФ
1000 мкФ, значит, необходимо использовать схему с разделенной нагрузкой, т.е. без Си1 (рассмотрим эту схему чуть позже, сначала закончим с параметрами)
С1 – обеспечивает связь с последующими каскадами, сигнал дожжен передаваться без искажений
, где Rвых – выходное сопротивление усилительного каскада
, где
- входное сопротивление следующего усилителя
Сф,Rф – цепочка устраняет влияние паразитной обратной связи, возникающей из-за неидеальности источника питания
Возьмем
, найдем Rф, исходя из этого условия, и составим уравнения по закону Ома
, с учетом того, что в режиме согласования
,
МОм
6
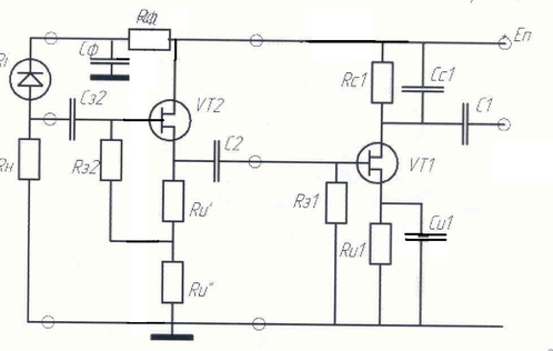
Сейчас рассмотрим схему с устраненной емкостью Си1
Тогда пересчитаем
по следующей формуле
, тогда
7
РАССЧИТАЕМ СИГНАЛ НА ВЫХОДЕ ФОТОПРИЕМНОГО УСТРОЙСТВА
По следующей характеристике определим значения относительной спектральной чувствительности фотодиода ФД – 1, для этого мы провели «среднюю» линию и приблизительно нашли значения S
Таблица 1
Значения чувствительности в зависимости от длины волны
| 0,4 | 0,14 |
| 0,5 | 0,19 |
| 0,6 | 0,25 |
| 0,7 | 0,32 |
| 0,8 | 0,40 |
| 0,9 | 0,50 |
| 1,0 | 0,60 |
| 1,1 | 0,67 |
| 1,2 | 0,77 |
| 1,3 | 0,87 |
| 1,4 | 0,92 |
| 1,5 | 0,93 |
| 1,6 | 0,91 |
| 1,7 | 0,50 |
| 1,8 | 0,15 |
| 1,9 | 0,01 |
8
Теперь найдем следующие значения
1.
- относительная спектральная световая эффективность основного фотометрического наблюдателя
2.
- спектральная плотность потока излучения стандартного источника типа «А»
3.
- спектральная плотность потока излучения источника при Ти=2500 К
В расчете воспользуемся
3. Ти=2500 К
9
Таблица 2
| (Вт/мкм) | |||
| 0,4 | 0,041 | ||
| 0,5 | 0,372 | 0,168 | 0,04 |
| 0,6 | 0,644 | 0,361 | 0,109 |
| 0,7 | 0,555 | 0,199 | |
| 0,8 | 0,701 | 0,286 | |
| 0,9 | 0,785 | 0,353 | |
| 1,0 | 0,814 | 0,396 | |
| 1,1 | 0,802 | 0,415 | |
| 1,2 | 0,764 | 0,417 | |
| 1,3 | 0,711 | 0,406 | |
| 1,4 | 0,652 | 0,386 | |
| 1,5 | 0 | 0,591 | 0,362 |
| 1,6 | 0 | 0,533 | 0,335 |
| 1,7 | 0 | 0,478 | 0,308 |
| 1,8 | 0 | 0,428 | 0,281 |
| 1,9 | 0 | 0,382 | 0,256 |
Значения
и
.при расчете были очень велики, поэтому поделены на коэффициент
По данным таблицы 2 построим график
10
, где
нм,
нм,
нм,
нм,
- спектральная плотность потока излучения стандартного источника типа «А» в относительных единицах.
Характеристики
Тип файла документ
Документы такого типа открываются такими программами, как Microsoft Office Word на компьютерах Windows, Apple Pages на компьютерах Mac, Open Office - бесплатная альтернатива на различных платформах, в том числе Linux. Наиболее простым и современным решением будут Google документы, так как открываются онлайн без скачивания прямо в браузере на любой платформе. Существуют российские качественные аналоги, например от Яндекса.
Будьте внимательны на мобильных устройствах, так как там используются упрощённый функционал даже в официальном приложении от Microsoft, поэтому для просмотра скачивайте PDF-версию. А если нужно редактировать файл, то используйте оригинальный файл.
Файлы такого типа обычно разбиты на страницы, а текст может быть форматированным (жирный, курсив, выбор шрифта, таблицы и т.п.), а также в него можно добавлять изображения. Формат идеально подходит для рефератов, докладов и РПЗ курсовых проектов, которые необходимо распечатать. Кстати перед печатью также сохраняйте файл в PDF, так как принтер может начудить со шрифтами.














