пояснительная по КР(1713 6Р13РФ3) (987044), страница 3
Текст из файла (страница 3)
Для уменьшения сопротивления при повороте сжатый воздух в пневмоцилиндры 22 подается через клапаны быстрого выпуска воздуха 35, принцип действия которых аналогичен описываемому выше.
Фиксация любых четырех точек в зоне обслуживания робота при повороте рук осуществляется путем последовательной подачи сжатого воздуха в соответствующие полости пневмоцилиндров 22 и 23.
Сжатый воздух для привода рук подается из воздухораспределителей по гибким трубкам в нижний коллектор 16, имеющий возможность только вертикального перемещения, и далее по каналам в подвижном цилиндре – в верхний коллектор.
Техническая характеристика промышленного робота «Циклон-5»
3. Технологическая часть проекта
3.1. Метод получения заготовки [2]
Материал детали – CЧ20. Исходя из формы детали наиболее рациональным и экономически выгодным является литье в песчаные формы.
3.2. Технологический маршрут обработки
Операция 005 Отливка
Операция 010
Операция 020 Маркировочная.
Операция 025 Промывочная.
Операция 030 Контроль.
Расчет режимов резания
Д
ля обработки основных поверхностей выбираем резец правый проходной по ГОСТ 18871-73 с треугольной пластиной (ГОСТ 19045-80).
| L | d | s | r | m |
| 11.0 | 6.350 | 3.18 | 0.4 | 9.128 |
1.Определение длины рабочего хода резца Lр.х., мм:
Lр.х. = Lр + Lп
Lр.х. = 2+45+40+2 =89мм
2. Глубина резания t=0,5 мм
3. Подача S = 0,2 мм/об
4. Скорость резания
Vтабл=220м/мин (при t=0,5 мм, S=0,2 мм/об)
5. Число оборотов шпинделя.
6. Расчет силы резания.
К1 – коэффициент, зависящий от обрабатываемого материала. При обработке
СЧ20 с НВ = 240 резцом с пластинами из твердого сплава К1=0,85
К2 – коэффициент, зависящий от скорости резания
твердосплавным инструментом K2=1
Pzтабл=1,25 кН (при t=0,5 мм, S=0,2 мм/об)
7. Расчет мощности резания.
8. Определение минутной подачи Sм, мм/мин:
Sм = Sо·n
Sм = 0,2·1051 = 210.2 мм/мин
9. Расчет машинного времени обработки Tмаш, мин:
Для фрезерования выбираем торцовую фрезу диаметром 85мм. Материал режущей части – Р18.
1.Определение длины рабочего хода резца Lр.х., мм:
Lр.х. = Lр + Lп+Lд
Lр.х. = 2+80+5 =87мм
2. Назначение расчетной подачи на зуб фрезы Sz = 0,15 мм/зуб (при обработке СЧ20, при t=3мм)
3. Назначение стойкости инструмента
, где Тм – стойкость в минутах основного времени;
λ – коэффициент времени резания;
К – коэффициент, учитывающий неравномерность загрузки инструмента.
4. Скорость резания
, где К1 – коэффициент, зависящий от марки обрабатываемого чугуна;
К2 – коэффициент, зависящий от стойкости Тр
Vтабл=125мм/зуб (при t=3мм, Sz=0,15 мм/зуб)
5. Число оборотов шпинделя.
6. Расчет основного времени обработки T0, мин:
Для сверления отверстия D=30мм выбираем сверло Coromant.
Сверло со сменными твердосплавными пластинами. Диаметр от 12.7 до 58.0 мм.
1.Определение длины рабочего хода сверла Lр.х., мм:
Lр.х. = Lр + Lп
Lр.х. = 2+100+6= 108мм
3. Подача. S=0,12мм/об
4. Скорость резания
5. Крутящий момент и осевая сила.
6.Частота вращения инструмента.
7. Мощность резания.
8. Определение минутной подачи Sм, мм/мин:
Sм = Sо·n
Sм = 0,12·535 = 64.2мм/мин
9. Расчет машинного времени обработки Tмаш, мин:
Для точения канавок выбираем резец для отрезки и прорезания канавок CoroCut.
Пластины для обработки канавок имеют ширину от 0,5 до 3мм. В стандартную программу также включены пластины для точения и резьбонарезания. Твердосплав GC1025 для обработки всех материалов.
1.Определение длины рабочего хода сверла Lр.х., мм:
Lр.х. = Lр + Lп
Lр.х. = 2+3=5мм
2. Глубина резания t=3мм.
3. Подача при прорезании канавок в заготовке из CЧ20 S=0,1 мм/об
4. Расчет скорости резания V:
V = Vтабл*К1*К2*К3,
Vтабл = 120 м/мин. (при точении отрезными резцами из твердого сплава для
СЧ20 при S=0,1 мм/об)
К1 = 0,75;
К2 = 1,7;
К3 = 0,8;
5. Определение стойкости режущего инструмента Тр, мин.:
При одноинструментальной обработке Тр = 50мин.
6. Расчет силы резания
где К1 =0,85
К2 =1
Pzт =0,32 кН (при S=0,1 мм/об, t = 3мм)
7. Расчет мощности резания:
8. Определение минутной подачи Sм, мм/мин:
Sм = Sо·n
Sм = 0,1·836 = 83.6мм/мин
9. Расчет машинного времени обработки Tмаш, мин:
4. Конструкторская часть проекта
4.1. Расчет шпинделя на прочность и жесткость [7]
Расчет на жесткость
Р
асчетная схема шпинделя
А=80мм
В=210мм
L=339мм
Упругое перемещение переднего конца шпинделя от действия приложенных сил и защемляющего момента в передней опоре шпинделя:
У
гол поворота в передней опоре:
Жесткость удовлетворяет требованиям.
где Cа, Cб – радиальное биение в подшипниках.
, где
– экономический допуск опоры на обработку
Расчет на прочность
где Тmax – максимально кратковременно действующий вращающий момент (момент перегрузки); Т – номинальный вращающий момент.
Определение нормальных σ и касательных τ напряжений при действии максимальных нагрузок:
;
где
- суммарный изгибающий момент, Н*м
- крутящий момент, Н*м;
- осевая сила, Н
W и Wк – моменты сопротивления при расчете на изгиб и кручение, мм3;
А – площадь поперечного сечения, мм2
Частные коэффициенты запаса прочности по нормальным и касательным напряжениям (пределы текучести σт и τт материала):
Общий коэффициент запаса прочности по пределу текучести при совместном действии нормальных и касательных напряжений
Моменты сопротивления W при изгибе, Wk при кручении и площадь А:
, где ζw - коэффициент пересчета
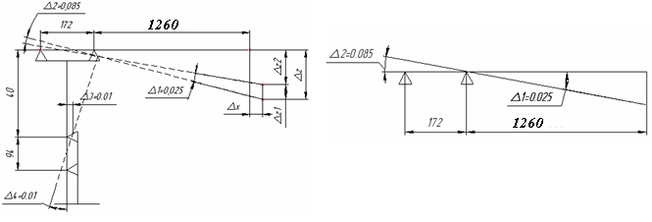
Расчет жесткости руки ПР
Для расчета жесткости руки ПР нагружаем ее грузом массой 3 кг
l=1260мм
a=800мм=0,8м; h=140мм=0,14м
Р
асчетная схема и исходные данные для расчета контактной жесткости манипулятора.
∆1=0.025 l1 =172мм = 0,172м
∆2=0.085 l2 =94мм = 0,094м
∆3=0.01 l = 1260мм = 1,26м
∆4=0.01 h = 40мм = 0,04м
Q=280 Рсхв=5,68Н
Расчетные значения изгибной деформации
Р =45.08 Н
δz =0.032мм
jz =1408.75Н/мм
Расчетные значения суммарной изгибной и контактной деформаций
P = 50.76 Н
∆z=0.537
fb=1.016
Список использованной литературы:
-
Конструкция наладка и эксплуатация агрегатных станков и автоматических линий, Л.С. Брон, Москва «Высшая школа»,1985г.
-
Справочник технолога-машиностроителя том 1. под редакцией А.Г. Косиловой 1985г.
-
Справочник технолога-машиностроителя том 2. под редакцией А.Г. Косиловой 1985г.
-
Методические указания №48. Курсовое проектирование металлорежущих станков. Ф.В.Гурин, Е.Г.Шумов, Москва 1981г.
-
Методические указания №1575. Расчет и проектирование передач винт-гайка качения.
-
Методические указания №1761 к выполнению курсового проекта по дисциплине «Станки, АЛ и ГПС с микропроцессорным управлением»
-
Детали машин Д.Н. Решетов «Машиностроение», Москва 1989г.
-
Промышленные роботы в машиностроении. Альбом схем и чертежей под ред. Ю.М. Соломенцева –Москва, «Машиностроение», 1986г.
-
С.Е. Локтева, Станки с программным управлением и промышленные роботы, Москва, «Машиностроение», 1986г














