МИНИТЕРМ 500 (985039)

Файл №985039 МИНИТЕРМ 500 (МЗТА 15 09 08)МИНИТЕРМ 500 (985039)2015-07-22СтудИзба
Просмтор этого файла доступен только зарегистрированным пользователям. Но у нас супер быстрая регистрация: достаточно только электронной почты!

Текст из файла

Новости

Организации

Продукты

Форум

Публикации

Контакт

Просмотр

Отбор по условию

Добавить

Редактировать

Реклама на сервере




Описания компонентов автоматизации

Проекты

Отбор по условию


Hardware -

Общее обозначение совокупности физических устройств компьютера (аппаратная часть) или отдельных его частей, включая периферию.

Весь словарь »»»

Регулятор МИНИТЕРМ 500

МЗТА (URL: http://www.asutp.ru/go/?id=400527&url=www.mzta.ru&PHPSESSID=e3acc369497df7b334b88d5e8a6a9437)
Подробная информация об организации
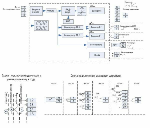
Регуляторы измерительные МИНИТЕРМ 500 предназначены для измерения и регулирования параметров (температуры, давления, влажности, расхода и т.п.) в разнообразных технологических процессах.

Применяются для автоматизации печей, сушильных камер, систем горячего водоснабжения и отопления, климатических камер, кондиционеров, термостатов и стерилизаторов, экструдеров, упаковочного и вакуум`формовочного оборудования, а также других технологических процессов и оборудования.


Функциональные возможности:

  • Универсальный измерительный вход позволяет подключать к прибору широкий спектр термопреобразователей и датчиков с унифицированными выходными сигналами тока и напряжения.

  • Цифровая индикация параметров в физических единицах.

  • Цифровая фильтрация результатов измерения.

  • ПИД или ПИ - регулирование с импульсным (ШИМ) или аналоговым выходным сигналом.

  • Автоматическая настройка ПИД-регулятора на динамику технологического процесса.

  • Возможность выбора положительной или отрицательной работы ПИД-регулятора (управления охладителем или нагрева- телем).

  • Двухпозиционное и трехпозиционное регулирование.

  • Ручной и автоматический режимы работы.

  • Возможность выбора типа сигнала для аналогового выхода (4…20мА, 0…10В).

  • Отдельный выход аналогового сигнала, линейно зависящего от регулируемого параметра (например, для вывода на регист- ратор, самописец).

  • Сигнализация верхнего и нижнего предельных отклонений регулируемого параметра от заданного значения.

  • Диагностика обрыва датчика и исправности узлов прибора.

  • Работа в сети, организованной по интерфейсу RS485 на базе протокола MODBUS RTU.

  • Хранение настроек в энергонезависимой памяти.


Исполнения:

Регуляторы МИНИТЕРМ 500 выпускаются в различных исполнениях, отличающихся типом выходного узла.

Исполнение

Тип выходного узла регулятора

МИНИТЕРМ 500.01

Цифро-аналоговый преобразователь (ЦАП)

МИНИТЕРМ 500.02

Электромеханического реле

МИНИТЕРМ 500.03

Один симисторный ключ (однофазная нагрузка)

МИНИТЕРМ 500.04

Три симисторных ключа (трехфазная нагрузка)

МИНИТЕРМ 500.05

Логический выход (для управления внешним реле)

МИНИТЕРМ 500.06

Три логических выхода (для управления внешними реле)


Технические характеристики:

  • Питание:

    • Напряжение ~220B (допускается 90…260В);

    • Частота 50 + 1Гц;

    • Потребляемая мощность - не более 4ВА;

    • Гальваническая изоляция 1500В по отношению к остальным цепям.

  • Конструктивное исполнение:

    • Габаритные размеры - 96х96х115мм;

    • Масса - не более 0.5кг;

    • Монтаж - щитовой;

    • Дисплей - 2 строки по 4 символа;

    • Клеммные соединения - винтовые.

  • Аналоговый вход:

    • Количество - 1 универсальный; К аналоговому входу могут быть подключен один из следующих типов датчиков:

    • Датчики с выходным сигналом постоянного напряжения 0…200 мВ, 0…5В, 1…5В;

    • Датчики с выходным сигналом постоянного тока 0…10 мА, 4…20мА;

    • Термопреобразователи сопротивления ТСМ 50 W100=1.496, ТСМ 100 W100=1.496, ТСП 100 W100=1.385;

    • Термопары ТПР(B), ТПП(S), ТПП(R), ТМК(T), ТХА(K), ТХК(L), ТХКн(Е);

    • Реостатный датчик 30…350 Ом;

    • Основная погрешность измерения 0.5% для всех типов подключаемых датчиков;

    • Гальваническая изоляция 1500В по отношению к остальным цепям.

  • Дискретные выходы:

    • Количество - 2;

    • Назначение:

    • - сигнализация верхнего и нижнего предельных отклонений регулируемого параметра от задания;

    • - двухпозиционное или трехпозиционное регулирование;

    • - ШИМ управление (второй выход);

    • Вид - "сухой" контакт электромеханического реле;

    • Коммутирующая способность контактов:

    • - Переменный ток: 250В@5А (резистивная нагрузка);

    • - Постоянный ток: 30В@5А (резистивная нагрузка);

    • Гальваническая изоляция 1500В по отношению к остальным цепям.

  • Выход управления:

    Исполнение

    МИНИТЕРМ 500.01

    Назначение

    Управление аналоговыми устройствами и исполнительными механизмами

    Вид

    Аналоговый сигнал

    Диапазон

    4…20мА

    0…10В (через резистор 1кОм)

    Спротивление нагрузки

    <750 Ом

    >250кОм

    Гальваническая изоляция

    1500В

  • Исполнение

    МИНИТЕРМ 500.02

    МИНИТЕРМ 500.03

    МИНИТЕРМ 500.06

    Назначение

    Непосредственное управление нагрузкой или коммутационными устройствами

    Вид

    Один симисторный ключ

    Три симисторных ключа

    Э/м реле

    Коммутируемый ток

    10А, 500Вт

    10А, 500Вт

    10А

    Максимальное напряжение

    600В

    600В

    250В

    Гальваническая изоляция

    1500В

  • Исполнение

    МИНИТЕРМ 500.04

    МИНИТЕРМ 500.05

    Назначение

    Управление твердотельными или э/м реле

    Вид

    Логический выход

    Три логических выхода

    Коммутируемый ток

    30А

    30мА (каждый)

    Максимальное напряжение

    9В (каждый)

    Гальваническая изоляция

    1500В

  • Интерфейс:

    • Интерфейс передачи данных RS485;

    • Протокол передачи данных MODBUS RTU (slave);

    • Гальваническая изоляция 1500В по отношению к остальным цепям.

  • Примечание:

    • 1. Новая серия приборов МИНИТЕРМ 500 оснащена универсальным аналоговым входом, так что тип подключаемого датчика настраивается пользователем путем задания значения параметра LN.

    • 2. Прибор оснащен встроенной схемой компенсации термо`ЭДС холодных спаев.

    • Для организации связи приборов МИНИТЕРМ 500 с измерительными контроллерами ПТК КОНТАР необходим преобразователь интерфейса RS485 RS232.



Источник: http://www.asutp.ru/go/?id=400527&url=www.mzta.ru&PHPSESSID=e3acc369497df7b334b88d5e8a6a9437



| Новости | Организации | Описания | Форум | Публикации | Регистрация |
Copyright © 2000 - 2001 ГОСНИИСИ. Авторские права охраняются.
Воспроизведение материалов или их частей в любом виде без письменного разрешения запрещено.

Designed by Jang



Характеристики

Тип файла
Документ
Размер
229,5 Kb
Материал
Тип материала
Высшее учебное заведение

Тип файла документ

Документы такого типа открываются такими программами, как Microsoft Office Word на компьютерах Windows, Apple Pages на компьютерах Mac, Open Office - бесплатная альтернатива на различных платформах, в том числе Linux. Наиболее простым и современным решением будут Google документы, так как открываются онлайн без скачивания прямо в браузере на любой платформе. Существуют российские качественные аналоги, например от Яндекса.

Будьте внимательны на мобильных устройствах, так как там используются упрощённый функционал даже в официальном приложении от Microsoft, поэтому для просмотра скачивайте PDF-версию. А если нужно редактировать файл, то используйте оригинальный файл.

Файлы такого типа обычно разбиты на страницы, а текст может быть форматированным (жирный, курсив, выбор шрифта, таблицы и т.п.), а также в него можно добавлять изображения. Формат идеально подходит для рефератов, докладов и РПЗ курсовых проектов, которые необходимо распечатать. Кстати перед печатью также сохраняйте файл в PDF, так как принтер может начудить со шрифтами.

Список файлов учебной работы

Свежие статьи
Популярно сейчас
Почему делать на заказ в разы дороже, чем купить готовую учебную работу на СтудИзбе? Наши учебные работы продаются каждый год, тогда как большинство заказов выполняются с нуля. Найдите подходящий учебный материал на СтудИзбе!
Ответы на популярные вопросы
Да! Наши авторы собирают и выкладывают те работы, которые сдаются в Вашем учебном заведении ежегодно и уже проверены преподавателями.
Да! У нас любой человек может выложить любую учебную работу и зарабатывать на её продажах! Но каждый учебный материал публикуется только после тщательной проверки администрацией.
Вернём деньги! А если быть более точными, то автору даётся немного времени на исправление, а если не исправит или выйдет время, то вернём деньги в полном объёме!
Да! На равне с готовыми студенческими работами у нас продаются услуги. Цены на услуги видны сразу, то есть Вам нужно только указать параметры и сразу можно оплачивать.
Отзывы студентов
Ставлю 10/10
Все нравится, очень удобный сайт, помогает в учебе. Кроме этого, можно заработать самому, выставляя готовые учебные материалы на продажу здесь. Рейтинги и отзывы на преподавателей очень помогают сориентироваться в начале нового семестра. Спасибо за такую функцию. Ставлю максимальную оценку.
Лучшая платформа для успешной сдачи сессии
Познакомился со СтудИзбой благодаря своему другу, очень нравится интерфейс, количество доступных файлов, цена, в общем, все прекрасно. Даже сам продаю какие-то свои работы.
Студизба ван лав ❤
Очень офигенный сайт для студентов. Много полезных учебных материалов. Пользуюсь студизбой с октября 2021 года. Серьёзных нареканий нет. Хотелось бы, что бы ввели подписочную модель и сделали материалы дешевле 300 рублей в рамках подписки бесплатными.
Отличный сайт
Лично меня всё устраивает - и покупка, и продажа; и цены, и возможность предпросмотра куска файла, и обилие бесплатных файлов (в подборках по авторам, читай, ВУЗам и факультетам). Есть определённые баги, но всё решаемо, да и администраторы реагируют в течение суток.
Маленький отзыв о большом помощнике!
Студизба спасает в те моменты, когда сроки горят, а работ накопилось достаточно. Довольно удобный сайт с простой навигацией и огромным количеством материалов.
Студ. Изба как крупнейший сборник работ для студентов
Тут дофига бывает всего полезного. Печально, что бывают предметы по которым даже одного бесплатного решения нет, но это скорее вопрос к студентам. В остальном всё здорово.
Спасательный островок
Если уже не успеваешь разобраться или застрял на каком-то задание поможет тебе быстро и недорого решить твою проблему.
Всё и так отлично
Всё очень удобно. Особенно круто, что есть система бонусов и можно выводить остатки денег. Очень много качественных бесплатных файлов.
Отзыв о системе "Студизба"
Отличная платформа для распространения работ, востребованных студентами. Хорошо налаженная и качественная работа сайта, огромная база заданий и аудитория.
Отличный помощник
Отличный сайт с кучей полезных файлов, позволяющий найти много методичек / учебников / отзывов о вузах и преподователях.
Отлично помогает студентам в любой момент для решения трудных и незамедлительных задач
Хотелось бы больше конкретной информации о преподавателях. А так в принципе хороший сайт, всегда им пользуюсь и ни разу не было желания прекратить. Хороший сайт для помощи студентам, удобный и приятный интерфейс. Из недостатков можно выделить только отсутствия небольшого количества файлов.
Спасибо за шикарный сайт
Великолепный сайт на котором студент за не большие деньги может найти помощь с дз, проектами курсовыми, лабораторными, а также узнать отзывы на преподавателей и бесплатно скачать пособия.
Популярные преподаватели
Добавляйте материалы
и зарабатывайте!
Продажи идут автоматически
7265
Авторов
на СтудИзбе
245
Средний доход
с одного платного файла
Обучение Подробнее