ЭиЭ ДЗ_1 (968418)
Текст из файла
Московский Государственный технический университет им. Н. Э. Баумана
Домашнее задание №1
По дисциплине «Электротехника и промышленная электроника»
На тему «Машины постоянного тока»
Работу выполнил студент # # # # # # # #
Факультета РК группы 4-6#
Вариант 11д
Работу проверил преподаватель Дробышев Г. Ф.
2008 г.
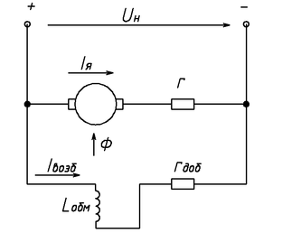
Двигатель ПН-28.5
с=2, d=1.6, l=0.8, k=3.0
PН=1.6 кВт
UН=110 В
IН=19 А
nН=1000 об/мин
Решение:
-
Рассчитать и построить естественную механическую характеристику
и зависимость
в пределах от
до
-
Определим мощность, потребляемую двигателем от сети:
-
-
Определим КПД:
-
Определим ток возбуждения и сопротивление якоря:
Для двигателя справедливо уравнение электрического равновесия, составленное по II закону Кирхгоффа:
Потери в цепи якоря можно оценить как
, где
, откуда
-
Определим номинальный момент:
-
Рассчитываем характеристики:
Данная функция является линейной, для её построения необходимо 2 точки:
Итак, скоростная характеристика имеет следующий вид:
В машине вырабатывается электромеханический момент, теоретическое значение которого:
Составим систему уравнений, аналогично предыдущей:
Механическая характеристика имеет вид:
Из уравнения электрического равновесия
, где
имеем
-
Определить величину добавочного сопротивления, которое необходимо включить в цепь якоря, чтобы при моменте, равном
, двигатель в режиме противовключения развивал скорость
. Построить искусственную механическую характеристику.
Воспользуемся формулой, определяющей механическую характеристику:
, откуда выразим
Искусственная механическая характеристика имеет вид:
-
Определить скорость вращения двигателя при номинальном моменте нагрузки, если в цепь якоря включено добавочное сопротивление, равное
Найдём значения ЭДС без добавочного сопротивления и с ним:
Т.к. ЭДС прямо пропорциональна частоте, то
, откуда
Характеристики
Тип файла документ
Документы такого типа открываются такими программами, как Microsoft Office Word на компьютерах Windows, Apple Pages на компьютерах Mac, Open Office - бесплатная альтернатива на различных платформах, в том числе Linux. Наиболее простым и современным решением будут Google документы, так как открываются онлайн без скачивания прямо в браузере на любой платформе. Существуют российские качественные аналоги, например от Яндекса.
Будьте внимательны на мобильных устройствах, так как там используются упрощённый функционал даже в официальном приложении от Microsoft, поэтому для просмотра скачивайте PDF-версию. А если нужно редактировать файл, то используйте оригинальный файл.
Файлы такого типа обычно разбиты на страницы, а текст может быть форматированным (жирный, курсив, выбор шрифта, таблицы и т.п.), а также в него можно добавлять изображения. Формат идеально подходит для рефератов, докладов и РПЗ курсовых проектов, которые необходимо распечатать. Кстати перед печатью также сохраняйте файл в PDF, так как принтер может начудить со шрифтами.
















