Шахназаров Г.А. - Исследование динамических особенностей нелинейных систем автоматического регулирования (963109), страница 2
Текст из файла (страница 2)
Применимость метода гармонического баланса ограничивается рядом условий:
- математическая модель автоматической система должна быть разделима и представима в виде совокупности линейной динамической и нелинейной статической частей (смотри рис. 5);
- линейная динамическая часть автоматической системы должна обладать свойствами фильтра низких частот.
Рис. 5 Представление структурной блок-схемы нелинейной системы
для метода гармонического баланса.
Идея метода состоит в исследовании характеристического уравнения гармонически линеаризованной замкнутой нелинейной системы и определении условий, при которых характеристическое уравнение имеет чисто мнимые корни. Эти условия формально представляются в виде системы уравнений относительно двух параметров: амплитуды
и частоты
гармонических колебаний на входе нелинейности Эти уравнения, получившие название уравнений гармонического баланса существуют в различные формах. Если решение системы уравнений гармонического баланса существует при действительных значениях
и
, то говорят, что в нелинейной системе существуют предельные циклы. Если предельный цикл устойчив, то в нелинейной системе возможны автоколебания с параметрами
и
. Если предельные циклы отсутствуют, или они неустойчивы, то автоколебания в замкнутой нелинейной системе невозможны.
В лабораторно-практической работе используется форма записи уравнения гармонического баланса в частотной области, которое для одноконтурной системы с одной нелинейностью может быть представлено в виде:
где
- комплексная частотная характеристика линейной динамической части системы;
- эквивалентный комплексный коэффициент гармонический линеаризации нелинейной части системы
- первый и второй коэффициенты гармонической линеаризации нелинейной части системы соответственно, вычисляемые по формулам:
(3)
где:
- статическая характеристика гармонически линеаризуемой нелинейной части системы и
- гармонический сигнал на входе нелинейности.
Выражения для коэффициентов гармонической линеаризации типовых нелинейных статических характеристик приведены в Приложении 1.
Комплексное уравнение (1) может быть записано в форме системы скалярных алгебраических уравнений баланса амплитуд и баланса фаз:
(4)
где
- модуль эквивалентного комплексного коэффициента гармонический линеаризации нелинейной части системы;
- аргумент комплексного эквивалентного коэффициента гармонический линеаризации нелинейной части системы;
- фазовая частотная характеристика линейной части системы;
Решая систему уравнений (4) можно исследовать условия возникновения автоколебаний, наличие или отсутствие автоколебаний при заданных параметрах системы, определять параметры автоколебаний - амплитуду
и частоту
.
Уравнения гармонического баланса в форме (4) могут быть решены численными методами с использованием инструментальных программных средств, в частности систем "Mathcad" или "Matlab".
Однако, для работы вычислительной процедуры решения системы нелинейных алгебраических уравнений необходимо задать начальные приближения искомых решений, допустимая область значений которых может оказаться очень незначительной. В случае, если начальные приближения заданы грубо, решение системы уравнений может быть не найдено. Поэтому в качестве начального приближения для запуска вычислительной процедуры решения системы нелинейных алгебраических уравнений можно использовать приближенное решение, полученное одним из графоаналитических методов решения уравнений гармонического баланса в частотной области, в частности методом фазовой границы устойчивости (ФГУ).
В основе метода ФГУ лежит система алгебраических уравнений баланса амплитуд и фаз в форме (5):
(5)
где
- логарифмическая амплитудная частотная характеристика линейной части системы;
- логарифмическая фазовая частотная характеристика линейной части системы.
- логарифмический обратный эквивалентный коэффициент передачи нелинейной части системы;
- логарифмическая обратная эквивалентная фазовая характеристика нелинейной части системы;
Процедура построения ФГУ состоит из следующих основных этапов:
- построение логарифмических амплитудной и фазовой частотных характеристик линейной динамической части системы -
и
;
- построение линий равных значений
и
, как функций значений амплитуды
на входе нелинейности;
- непосредственно построение ФГУ;
- определение существования в системе устойчивых предельных циклов;
- определение параметров автоколебаний - амплитуды -
и частоты -
.
Для выполнения графоаналитических построений можно использовать программные системы "Matlab", "Mathcad" или другие.
Графическое окно для построения ФГУ и определения параметров автоколебаний представлено на рис. 6.
Lno =
-12.1816
-12.0037
-9.5724
-6.8046
-3.9069
-0.9511
2.0324
5.0294
Fno =
-144.2457
-162.6504
-168.6232
-172.2041
-174.5671
-176.1853
-177.3119
-178.1025
a =
0.4010
0.5671
0.8020
1.1342
1.6040
2.2684
3.2080
4.5368
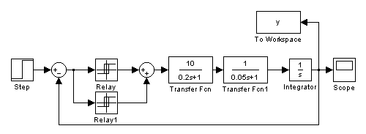
ис. 6 Построение ФГУ.Полученные методом гармонического баланса результаты можно проверить и сопоставить с результатами цифрового моделирования исследований методом цифрового моделирования.
Н
а рисунке 7 представлено окно редактора "Matlab-Simulink" при исследовании автоколебаний в нелинейной системе, а также результаты моделирования. Полученные методом моделирования результаты позволяют не только убедиться в существовании автоколебательных режимов в автоматической системе, но и определить их параметры: амплитуду
и период
автоколебаний, который можно пересчитать в частоту автоколебаний
, воспользовавшись известным соотношением:
.
Рис. 7 Схема и результаты моделирования нелинейной релейной системы с автоколебаниями.
Метод гармонического баланса может быть использован не только для выявления автоколебаний и оценке их параметров в нелинейных автоматических системах с регулятором уже известной структуры и параметрами, но и при решении задачи структурно-параметрического синтеза регуляторов с учетом требований о недопустимости возникновения автоколебательных режимов.
Порядок выполнения лабораторно-практической части работы.
1. С использованием инструментальной программной системы Matlab (Mathcad) провести исследование нелинейных динамических систем, структурные схемы которых представлены на рисунке 8, методом гармонического баланса в форме ФГУ с целью выявления условий возникновения автоколебательных режимов и получения оценок параметров автоколебаний
и
;
а) Нелинейная система с нелинейностью типа "Насыщение"
б) Нелинейная система с нелинейностью типа "Люфт"
в) Нелинейная система с нелинейностью типа "Реле"
Рис. 8 Структурные схемы нелинейных систем
2 Уточнить полученные методом ФГУ оценки параметров автоколебаний, используя вычислительную процедуру решения систем нелинейных алгебраических уравнений программной среды Mathcad для решения системы уравнений гармонического баланса в форме (4). При этом, целесообразно использовать полученные графоаналитическим способом, на основе применения метода ФГУ, приближенные оценки параметров автоколебаний в качестве начальных приближений.
3. Оценить характеристики статической точности нелинейной автоматической системы с автоколебаниями и определить предельное значение гармонической составляющей ошибки регулирования
, пересчитав амплитуду автоколебаний
от входа нелинейности к выходу автоматической системы
;
4. Исследовать нелинейную автоматическую систему методом моделирования в среде инструментальной программной оболочки Matlab-Simulink при нулевых значениях входных воздействий и ненулевых начальных условиях. Убедиться в наличии автоколебаний в системе и получить оценки амплитуды
, периода
и частоты автоколебаний
;
5. Сделать выводы по результаты проведенных исследований автоматической нелинейной системы, как методом гармонического баланса, так и методом цифрового моделирования. Сопоставить полученные результаты и сделать соответствующие выводы;
6. Составить и оформить отчет по результатам проведенных исследований.
Список рекомендуемой для самостоятельной подготовки литературы:
-
под ред. Воронова А.А. "Теория автоматического управления", часть 1, Теория линейных САУ, М., Высшая школа. 1986;
-
под ред. Воронова А.А. "Теория автоматического управления", часть 2, Теория нелинейных и специальных САУ, М., Высшая школа. 1986;
-
Солодовников В.В., Плотников В.Н., Яковлев А.В. "Основы теории и элементы САР". М., Машиностроение, 1985;
-
Попов Е.П. Теория нелинейных систем автоматического регулирования и управления, М., Наука, 1979.
-
Воронов А.А., Титов В.К., Новогранов Б.Н. Основы теории автоматического регулирования и управления, М., Высшая школа, 1977;
Приложение 1.
| Тип нелинейности | Коэффициенты гармонической линеаризации |
| Нелинейность типа «Люфт» | |
| Нелинейность типа «Насыщение» |
















