Лекция 16 -РИК (962420)
Текст из файла
Лекция 15 Оборудование и технология мокрых процессов в
производстве печатных плат
Распространенной технологической операцией в производстве печатных плат и узлов является травление. Под этим подразумевается химическое растворение материала под действием жидких травящих растворов или активированных газов (плазмохимическое травление). Продукты реакции удаляются благодаря подвижности растворов. Химическое травление часто сочетают с механическим воздействием, например, давлением струй травящего раствора. В зависимости от морфологии открытой поверхности химическое травление может быть выравнивающим (полирующим, шлифующим) и избирательным (селективным). При выравнивающем травлении происходит сглаживание рельефа поверхности, уменьшение его шероховатости, при избирательном — увеличение шероховатости поверхности за счет неоднородности ее структуры (микротравление). Травлением через окна защитной химически стойкой маски, получаемой известными методами печати, или металло-резиста получают топологический рисунок печатной платы, перфорации в металлических листах или клише на плоской поверхности металла и т.д.
Наиболее часто технология травления применяется для создания проводящего рисунка печатной платы. При этом до 70% металлического слоя, нанесенного на диэлектрик, удаляется, а участки, которые нужно оставить, защищают резистами: металлическими - металло-резистами, или фотополимерными - фоторезистами, или специальными красками, химически устойчивыми к травящим растворам. Чаще всего травлению подвергают металлы: медь и ее сплавы, олово и его сплавы, реже никель и его сплавы, еще реже другие металлы такие, как хром, алюминий, нержавеющая сталь.
В соответствующих растворителях металлы растворяются: отдают электроны, образуя положительно заряженные ионы, например:
Тенденцию к растворению металлов можно выразить через разность потенциалов металла и раствора по отношению к электроду сравнения. Стандартные потенциалы металлов Е0 сведены в так называемый электрохимический ряд напряжений металлов. Чем больше разница потенциалов рассматриваемого металла относительно другого в отрицательную сторону, тем активнее этот металл растворяется в среде раствора другого металла.
Процессы и параметры травления
Эффективность процесса травления определяется реакциями диффузии, окисления и восстановления, протекающими на границе фаз: металл - раствор и в самом растворе. Ход этих реакций можно регулировать поддержанием заданной температуры и состава травителя. Кроме того, необходимо принимать во внимание сложность рисунка печатной платы, толщину слоя травления, тип защитного покрытия.
Большое влияние на качество оказывает скорость травления. Обычно для травления металлических слоев она составляет 10—50 мкм/мин. Так как травящий раствор постепенно истощается, необходимо постоянно следить за качеством рисунка так, чтобы зазоры между проводниками становились полностью свободными от металла, но чтобы не было перетрава, которое в первую очередь приводит к сильному боковому подтравливанию. Необходимое постоянство скорости травления достигается непрерывной регенерацией раствора и поддержание температуры раствора в необходимых пределах.
Качество травления характеризуется степенью бокового подтравливания рисунка, защищенного резистом. Боковое подтравливание возникает потому, что травитель растворяет металл во всех направлениях: во фронтальном и боковом. При использовании металлорезиста к простому химическому растворению металла добавляется электрохимическое, обусловленное электрохимической разницей потенциалов между покрытием и основой. Оно обычно проявляет себя при слабой интенсивности травления, так как электрохимический подтрав связан только со временем процесса. И чем оно короче, тем меньше электрохимический процесс подтравливания, тем меньше нависание металлорезиста над профилем проводника, тем меньше вероятность обвала кромок металлорезиста, из-за которых может происходить перемыкание зазоров между проводниками.
Степень бокового подтравливания определяется фактором травления, который равен отношению глубины травления (n) в направлении, перпендикулярном поверхности заготовки, к глубине бокового подтравливания (а). Обычно а/п < 0,75.
Если фактор подтравливания устойчивый, его можно учесть при изготовлении фотошаблонов.
При выборе растворов травления учитывалась возможность нежелательных реакций с выделением водорода. Его выделения на поверхности травления создают барьер для травителя. Конечно, при струйном травлении этот газовый барьер сбивается с поверхности тугими струями травильного раствора, но если где-либо хотя, бы кратковременно, как-то образуются застойные зоны, немедленно образующиеся пузырьки газа приведут к задержке процесса химического растворения. Для предотвращения выделений водорода в состав растворов травления вводят окислители, которые восстанавливают водород с образованием воды, и процесс идет без выделения газов.
Для травления меди и ее сплавов применяются травители на основе хлорида железа (III), персульфата аммония, хлорида меди (II), хромовой кислоты, перекиси водорода и щелочного раствора хлорита натрия. При выборе того или иного травителя, наряду с имеющимися в наличии материалами, необходимо учитывать объем и техническую оснащенность производства, экономичность нейтрализации промстоков, возможности регенерации и извлечения меди.
Описание и принцип работы установки WAT BL-610 CE
Т
Установка WAT BL-610 CE
ехническая характеристика линии травленияСтойка управления: 1000x450 мм
Ширина конвейера: 700 мм
Эффективная ширина конвейера: 610 мм
Скорость конвейера: 0,1...3,5 м/мин
Максимальная толщина заготовок: 3,2 мм
Минимальная толщина заготовки: 0,07 мм
Электропитание: 380 В, 50 Гц, 3 фазы
Габаритные размеры (ШхГхВ): 2400x6345x1200 мм
Промышленная линия кислого травления с осцилляцией коллекторов, модулем промывки в HCl, трехкаскадной промывкой свежей водой и модулем теплой сушки.
Состав линии
Входной модуль (IP-S)
Секция входного конвейера;
Конвейер с зубчатым приводом и легко съёмными роликами;
Регулируемая скорость привода конвейера с цифровым дисплеем;
Датчик наличия плат на конвейере для управления расходом промывки чистой водой;
Кнопка аварийной остановки;
Отдельно стоящая стойка управления;
Модуль кислого травления с осцилляцией (BL-1280O)
Минимальная ёмкость бака 200 литров;
Капле-уловители на входе и выходе камеры;
1 насос 5,5 кВт, вынесенный за габариты установки, с фильтром тонкой очистки (100 мкм) в напорной магистрали;
Двигатель осцилляции коллекторов;
3 титановых нагревателя по 3 кВт каждый
Титановый змеевик охлаждения;
7 сверху / 7 снизу коллекторов с быстро съёмными форсунками;
2 манометра давления для верхних и нижних систем коллекторов соответственно;
Цифровой блок контроля температуры с функцией защиты от перегрева;
Контроль минимального уровня раствора с системой блокировки и подачи сигнала для гарантии безотказной работы насоса;
Двойные боковые прозрачные крышки из минерального стекла с замками и герконами;
Отжимные ролики на входе и выходе модуля;
Модуль химической обработки (BL-HCl-330)
Конструкция из ПВХ и Титана;
Емкость бака 30 л;
1 насос 1,5 кВт с легко съёмным фильтром;
4 коллектора из ПВХ (2 сверху / 2 снизу) с быстро съёмными форсунками;
Контроль минимального уровня раствора с системой блокировки и подачи сигнала для гарантии безотказной работы насоса;
Прозрачная верхняя крышка из минерального стекла;
Отжимные ролики на входе и выходе модуля;
Патрубок для вытяжки с туманоуловителем;
Трехкаскадный промывочный модуль с промывкой свежей водой (BL-3RR-FR)
Конструкция из ПВХ и титана;
Ёмкость баков секций: 35 л / 30 л;
1 насос 1,5 кВт с легко съёмными фильтрами;
4 коллектора из ПВХ (2 сверху / 2 снизу в каждй секции) в рециркуляционном модуле, с быстросъемными форсунками, оснащенными завихрителями;
4 коллектора из ПВХ (2 сверху / 2 снизу в каждй секции) в модуле промывки свежей водой, со специальными форсунками;
Контроль минимального уровня раствора для гарантии безотказной работы насоса;
Система перетекания свежей воды в промывные камеры;
Прозрачные крышки из минерального стекла;
Отжимные ролики на входе и выходе модуля;
Секция отжима (BL-PVA)
Конструкция из ПВХ и нержавеющей стали;
Ролики с губчатой поверхностью из ПВА (2 сверху / 2 снизу);
Увлажняющий коллектор;
Модуль теплой сушки с выходной секцией конвейера (BL-BO2445-O)
Конструкция из ПВХ и нержавеющей стали;
2 вентилятора по 3,7 кВт установленных под выходной секцией;
Воздушные щелевые ножи из нержавеющей стали (2 сверху / 2 снизу);
Простая регулировка угла положения воздушных ножей;
Фильтрация подаваемого воздуха;
Выходная секция конвейера;
Кнопка аварийной остановки;
Описание технических режимов работы установки
К
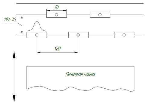
Расположение форсунок и подача травящего раствора
ачество травления зависит от качества процесса в травильной камере. Подача травильного раствора осуществляется через щелевой клин форсунок трубы-коллектора от гидронасоса.Количество форсунок зависит от площади образца печатной платы и может варьитоваться от 36 до 75 штук. Труба-колектор с форсунками должна перемещаться относительно образца пластины с целью выравнивания количества раствора, приходящегося на единицу обрабатываемой поверхности.
Для этого имеется привод кулачкового типа который задает амплитуду сканирования форсунок шириной А\2.
Существует два основных технических режима:
Взаимодействие форсунок с обрабатываемой пластиной определяет качество травления.
Схема распределения потока травителя по форсункам и подача плат
Коллектор состоит из набора унифицированных элементов (уголки, тройники, трубы) из винипласта (поливинилхлорид) с одним подводом жидкости и большим количеством сварных соединений
Равномерность подачи давления по коллектору
Схема обработки
Список литературы
-
http://ra3ggi.qrz.ru/PCB/make_pcb.htm
-
www.ioffe.ru/journals/pjtf/2008/15/p75-80.pdf
-
www.chem.msu.su/rus/jvho/2001-3/80.pdf
Рис.1- 3 Общий вид линии щелочного травления; Кулачковый привод
осцилляции коллекторов с форсунками; Конструктивная схема
коллектора.(AutoCAD)
Слайды: Модули линии травления печатных плат:
-
Модуль травления с направляющими приводными роликами для движения печатной платы (видны титановые трубки направляющих для перемещения коллектора с форсунками); Рис.Р1000158.
-
Вид на приводной вал с кулачками привода сканирования коллектора с форсунками травильной камеры; Рис.Р1000152.
12
Характеристики
Тип файла документ
Документы такого типа открываются такими программами, как Microsoft Office Word на компьютерах Windows, Apple Pages на компьютерах Mac, Open Office - бесплатная альтернатива на различных платформах, в том числе Linux. Наиболее простым и современным решением будут Google документы, так как открываются онлайн без скачивания прямо в браузере на любой платформе. Существуют российские качественные аналоги, например от Яндекса.
Будьте внимательны на мобильных устройствах, так как там используются упрощённый функционал даже в официальном приложении от Microsoft, поэтому для просмотра скачивайте PDF-версию. А если нужно редактировать файл, то используйте оригинальный файл.
Файлы такого типа обычно разбиты на страницы, а текст может быть форматированным (жирный, курсив, выбор шрифта, таблицы и т.п.), а также в него можно добавлять изображения. Формат идеально подходит для рефератов, докладов и РПЗ курсовых проектов, которые необходимо распечатать. Кстати перед печатью также сохраняйте файл в PDF, так как принтер может начудить со шрифтами.
















