sunshine (961592), страница 2
Текст из файла (страница 2)
МВВ - модули вводв\вывода. Обеспечивает работу с панелью управления, управление блока питания приводов и схвата.
2. БП (Блок питания) - вторичное питание.
3. БРФ Блок развязки и фильтрации. Это модуль первичного питания (220 В). Здесь фильтруется изменение напряжения сети и стабилизирующее первичное напряжение.
4. ШИП - широтно импульсный преобразователь
Это усилители для питания двигателя построенные по мостовой схеме.
В этих блоках предусмотрен режим торможения при переходе через нулевую скорость.
Сервисное сопротивление: чтобы не превысить нагрузку по току, снимается сигнал по току(используется в каком-то специальном блоке)
5. НГМД Накопитель на гибких магнитных дисках. 5-ти дюймовые диски. Накопитель служит для хранения программ пользователя и сохранения положения. Там же можно записать тестовые программы. Вся операционная система с поддержкой языка в ПЗУ
6. ПРУ (пульт ручного управления). Используется в ручном режиме для вывода робота в заданную точку с использованием всех трёх систем координат и для обучения заданным точкам.
7. ВТУ (видео терминальное устройство). Идет вместе с клавиатурой (КЛ)
Для пунктов 5,6,7 внутри встроен контроллер. Связь системы управления происходит по каналу связи RS 238
8. БПП (блок питания привода). Это блок силового питания привода(40 В). Он является управляемым блоком. Здесь есть силовое напряжение силовых муфт.
9. БВВ (блок ввода\вывода). Служит для гальванической развязки с технологическим оборудованием и согласования входного и выходного напряжения (Вых.-24 В; Вх. - 10-24 В)
Шкаф полностью герметичен, вентиляция внутренняя.
А
втостарт - специальный режим для эксплуатации робота автоматической загрузки прогр. положения.
Аварийное отключение. Способы:
-
OFF на пульте ручного управления
-
Грибок на пульте панели управления
-
Авария
Если отключить силовое питание привода, необходимо повторить процедуру калибровки. Программа и положение в оперативной памяти стираются. Надо сохранить на диск эту информацию, после этого перезапустить с очисткой памяти.
6. Устройство управления "Сфера-36". Структурная схема верхнего уровня управления. Назначение модулей. Задачи верхнего уровня управления.
[отвечает: Лучин Артём]
М
одуль последовательного интерфейса (четыре канала):
-
Терминал
-
Накопитель на гибких магнитных дисках
-
Пульт ручного управления
-
ВТУ
Модуль ввода/вывода (МВВ) – обеспечивает связь между дискретными входами и выходами.
Модуль аналогового ввода/вывода (МАВ) – предназначен для оцифровки сигнала с потенциометра. Используется только в режиме калибровки (т.к. потенциометр используется только для калибровки).
Модуль связи (МС) – обеспечивает обмен между двумя уровнями. На Q-шине может быть только одно активное устройство. МС обеспечивает связь между различными Q-шинами.
МПИ – модуль последовательного интерфейса.
МВВ – 32 входа и 32 выхода (дискретные).
Привод:
МПП – модуль процессора привода. Программа управления в ПЗУ.
МУП – модуль управления приводом.
ШИП – мостовой усилитель мощности (здесь). А настоящее ШИП (широтно-импульсное преобразование) происходит в МУП. Каждая степень управления приводом содержит процессор привода и МУП.
Задачи: решаются на разных уровнях управления.
Всего два уровня управления:
-
Центральный уровень управления.
ARPS (АРПС) – язык управления. Интерфейс с оператором.
Решение прямой и обратной кинематических задач (обобщенные координаты: q, декартовы координаты). Обеспечение интерфейса с внешней ЭВМ. Работа с технологическим оборудованием. Загрузка и исполнение программ пользователя. В промышленной системе нельзя использовать винчестер в качестве операционной системы.
НГМД – хранение программ пользователя.
Режим калибровки: считается количество импульсов за один оборот. Потенциометр обеспечивает грубый отсчет. Для калибровки роторов используется специальная калибровочная таблица. Потенциометр с этой таблицей дает грубое положение. Точное положение фиксируется от индексного импульса.
7. Устройство управления "Сфера-36". Структурная схема нижнего уровня
управления. Назначение модулей. Задачи нижнего уровня управления.
[отвечает: Никитин Никита]
Устройство управления Сфера – 36
У Сферы – 36 есть передняя и задняя панели. Система управления запрограммирована в ПЗУ, нет дополнительных носителей, нет операционной системы.
ВТУ – видеотерминальное устройство (монитор + клавиатура).
Блок модулей: процессорный блок. 7 модулей процессора.
Блок питания – блок вторичного питания. Первичное питание – 220 В.
Двигатели управляются с помощью широтно-импульсного преобразования (ШИП).
Блок развязки фильтрации – стабилизирует первичное (220 В) напряжение.
БПП – блок питания привода.
БВВ – блоки ввода/вывода, обеспечивают гальваническую развязку с внешними сигналами.
Устройство Сферы – 36: накопитель на гибких магнитных дисках, терминал, канал ВУ (внешние устройства), пульт управления.
Панель управления:
где
СУ – система управления
ПРИВ – питание приводов
ВУ – внешние устройства
ПРУ – пульт ручного управления
Модуль последовательного интерфейса (четыре канала):
-
Терминал
-
Накопитель на гибких магнитных дисках
-
Пульт ручного управления
-
ВТУ
Модуль ввода/вывода (МВВ) – обеспечивает связь между дискретными входами и выходами.
Модуль аналогового ввода/вывода (МАВ) – предназначен для оцифровки сигнала с потенциометра. Используется только в режиме калибровки (т.к. потенциометр используется только для калибровки).
Модуль связи (МС) – обеспечивает обмен между двумя уровнями. На Q-шине может быть только одно активное устройство. МС обеспечивает связь между различными Q-шинами.
МПИ – модуль последовательного интерфейса.
МВВ – 32 входа и 32 выхода (дискретные).
Нижний уровень управления.
Задачи этого уровня: управление приводом, регулировка параметров движения (скорость, положение). В данном случае настраивается цифровая часть привода. Диагностика работоспособности привода. Информационный обмен с верхним уровнем управления. Обмен происходит в режиме прерывания. Необходимо обеспечить ПДП. Обмен сигналами на верхнем уровне происходит с периодом 10 – 20 мс. На нижнем – 2 мс. Нижний уровень – работа в прерываниях. Управление непрерывное. Центральный процессор имеет четыре разряда. Всего можно обеспечить 1 – 2 мс.
Приводной процессор (4 разряда) – 0,2 – 1 мс.
Модуль аналогового ввода/вывода – сигнал до 5 В.
АЦП имеет 12 разрядов.
8. Устройство управления "Сфера-36". МУП (модуль управления приводами) и МС (модуль связи). [отвечает: Орешкин Антон]
МУП – модуль управления приводом.
В состав МУП входят: ОЗУ, ПЗУ, сам процессор и отдельные регистры.
Датчики: ФИД – фотоимпульсный датчик для управления приводам, ПД – потенциометрический датчик для калибровки.
Рассмотрим регистры МУП. (Описание разрядов после названия регистра):
| 15 | 14 13 12 | 11 10 9 | 8 7 6 | 5 4 3 | 2 1 0 | ||||||||||
Регистр Приращения Позиции (175000) [чтение]:
0 - 7–код приращения позиции; 8–переполнение датчика длительности интервала (сбрасывается аппаратно после чтения); 9–сигнал – перегрузка по току якоря двигателя (сбрасывается аппаратно после чтения); 15–индекс
Датчик Длительности Интервала (175002) [чтение]:
0 - 7–код длительности интервала (прямой)
Регистр Управления (175004) [запись]:
0 - 7–код управления (прямой) на ШИМ; 15 – знак кода управления
Регистр Состояния (175006) [запись]:
0 – задание режима калибровки «1»; 1 – режим активных ключей «1» на двигатель СУ
Модуль связи (МС) – обеспечивает обмен между двумя уровнями. На Q-шине может быть только одно активное устройство. МС обеспечивает связь между различными Q-шинами.МС предназначен для организации обмена между центральным процессором и приводами. Работает в режиме прямого доступа к памяти (ПДП). Центральный процессор всегда ведущий. На линии только одно активное устройство – шина Q. МС указывается, к какому регистру мы адресуемся и что нужно делать.
Регистр Состояния (176400):
0 – требование прямого доступа к памяти (ПДП); 6 – разрешение прерывания; 7 – готовность ПДП; 8 – 10 – номер процессора привода.
Регистр прерываний:
0 – 7 – маска прерывания.
Регистр номера страницы:
Младший байт – адрес на странице. Старший байт– номер страницы.
Процедура обращения:
Необходимо указать номер страницы и адрес на странице. Например, нужно обратиться к пятому приводу: мы устанавливаем номер привода в регистр обращения к приводу. Идет запрос на прерывание данного привода. Происходит обмен данными между ячейкой памяти привода и центральным процессором. Обращение происходит один раз. Режим ПДП сбрасывается аппаратно, т.е. только к одной ячейке памяти.
Модуль связи сбрасывается после первого обращение аппаратно. Обращение к памяти процессора привода происходит в режиме ПДП через модуль связи. Устанавливается модуль обращения привода, номер на странице памяти привода и адрес на странице. Обмен происходит в режиме ПДП.
Последовательность действий:
1. Установить в регистре номера страницы номер страницы
2. ПДП к памяти процессора.
Режим обмена: 1. программный 2. прерывание 3. ПДП
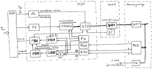
9. Цифровой следящий привод ПР РМ-01. Канал управления.
[отвечает: Кожемякин Сергей]
Следящий привод имеет три канала. Управляющий канал: КОД-ШИМ и две обратные связи: по положению и по скорости.
Модуль процессора привода с частотой, задаваемой таймером процессора привода, получает информацию из МУП: информацию о приращении позиции привода и временном интервале между двумя соседними позиционными импульсами. Далее решается задача управления и на двигатель выдается код управления. Период выдачи сигнала от процессора привода- 2мс. ЦП выдает новую установку (обменивается с приводным) через 20 мс. Можно считать, что привод непрерывный, т. к. высокая частота. Используются 3 фотоимульсных датчика.
Канал управления.
В регистр управления необходимо прописать прямой код+знак. На преобразователь поступает данный код со знаком. С ГИ на код-ШИМ импульсы поступают:
Этот сигнал поступает с регистра на КОД-ШИМ, затем на узел токоограничения. При обычной работе там должен быть установлен режим активных ключей. После сигнал поступает на двигатель по мостовой схеме (выбирается разрядом знака кода управления в регистре управления). В УМ характеристики транзисторных ключей не линейны в мостовой схеме управления двигателем. Это сделано для того, чтобы обеспечить нормальное торможение при прохождении через нуль скорости.
10.Цифровой следящий привод ПР РМ-01. Канал обратной связи по положению.
[отвечает: Конойко Дмитрий]
Функциональная схема следящего привода
РС – регистр состояния
РУ – регистр управления
РПП – регистр приращения позиции
















