МЕХАНИЧЕСКИЕ МУФТЫ (946568), страница 3
Текст из файла (страница 3)
Муфты сцепные самоуправляемые. К ним относятся:
-
Муфты свободного хода,
-
Центробежные фрикционные;
-
Предохранительные муфты.
М
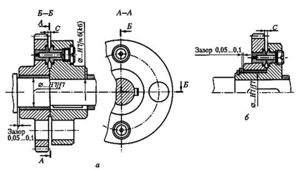
уфты свободного хода, или обгонные муфты, передают вращающий момент только в одном направлении. Их применяют в станках, автомобилях, мотоциклах, велосипедах и т. д. В велосипедах, например, они передают крутящий момент от педалей на колесо и в то же время позволяют колесу свободно катиться при неподвижных педалях. Наибольшее распространение в машиностроении получили роликовые муфты (см. рис.). Внутреннюю деталь такой муфты называют звездочкой, а внешнюю - обоймой. Как та, так и другая могут быть ведущей частью муфты. Для правильной работы муфты важно, чтобы обойма была концентрична звездочке. Для этого обойму с установленной на ней деталью базируют по валу или по другим деталям на том же валу. На рис. а, б приведены возможные схемы базирования обойм в случае применения муфт по ОСТ 27-60-721-84. Муфта на рисунке изображена в виде контура, а деталь, связанная с обоймой, условно показана в виде зубчатого колеса (вместо зубчатого колеса может быть любая деталь). Исполнение по рис. не единственное и дано в качестве одного из возможных конструктивных решений.
Муфты центробежные. Эти муфты автоматические соединяют валы только тогда, когда угловая скорость превысит некоторое заданное значение. Таким образом, эти муфты являются самоуправляемыми по угловой скорости. Центробежные муфты используют для автоматического включения и выключения исполнительного механизма с помощью регулировки угловой скорости двигателя; разгона машин с большими маховыми массами при двигателе с малым пусковым моментом; повышения плавности пуска; выключения при перегрузках (бензопила), когда бензодвигатель сбавляет обороты и может заглохнуть, и т. п.
С
хема одной из центробежных муфт изображена на рис.. Центробежная сила Fц прижимает колодку 3 к барабану полумуфты 2. Этому препятствует сила F, возникающая от прогиба пружины 4. Величину силы F регулируют винтом 5. Соприкасание между колодкой и барабаном возможно при условии:
F ≤ F ц = mrω2 ,где
m - масса колодки; r - расстояние центра тяжести колодки от оси вращения; ω - угловая скорость полумуфты 1. Формула позволяет определить необходимую силу пружины по заданной угловой скорости ω0, до которой полумуфта 1 вращается свободно.
Угловая скорость ω1 , которая необходима для передачи крутящего момента определяют по условию
KT ≤ 0,5(Fц - F) f z D = 0,5mrD z f (ω21 - ω20), где z - число колодок; f - коэффициент трения.
В диапазоне между ω1 и ω0 муфта пробуксовывает и постепенно разгоняет ведомый вал. Сила пружины в данном случае (рис)
F = 48EJy / l3, где у - стрела прогиба; J=bh3 /12 - осевой момент инерции площади поперечного сечения; b - ширина, h - толщина пружины.
Проверка работоспособности колодок рассчитывается по ….. давлению [ p] на поверхности трения так же, как и в других фрикционных муфтах.
Муфты предохранительные. Эти муфты служат для защиты машин от перегрузки. В качестве предохранительных муфт в машиностроении применяют: 1. муфты с разрушающимся элементом, 2. кулачковые, шариковые (разновидность кулачковых) 3. фрикционные. Последние три типа муфт стандартизованы (ГОСТ 15620-93, 50893-96 и 15622-77). Предохранительные муфты независимо от типа могут работать только при строгой соосности валов. Поскольку все звенья кинематической цепи испытывают перегрузку различной степени,….. предохранительные муфты следует располагать как можно ближе к месту возникновения перегрузки.
М
уфты с разрушающимся элементом. Муфты этого типа отличает компактность и высокая точность срабатывания. Их применяют в тех случаях, когда по роду работы машины перегрузки могут возникнуть лишь случайно. Конструктивные схемы муфт приведены на рис.В качестве разрушающегося элемента обычно используют штифты, выполняемые из стали (45, У8А) или из хрупких материалов (серый чугун, бронза, силумин и др.). Применяют муфты с одним и с несколькими срезающимися штифтами.
В момент срабатывания (при перегрузке) штифт разрушается и предохранительная муфта разъединяет кинематическую цепь. Для восстановления работы муфты штифт заменяют. Штифты размещают в закаленных до высокой твердости (50...60 HRC) втулках, изготовляемых обычно из стали марки 40Х. Закаленные втулки 2 облегчают замену штифтов, предотвращают смятие более слабого материала полумуфт штифтом и тем самым приближают действительные условия среза штифта к расчетным:
КТ= z D1 π d2[τ] / 8Kz где
z - число штифтов; Kz - коэффициент неравномерности распределения нагрузки по штифтам.
Практически z принимают равным 1 или 2; Kz = 1 при z = 1; Kz = 1,2 при z =2. Допускаемое напряжение [τ] принимают равным пределу прочности материала на срез. Например, для закаленных штифтов из стали Ст5 допускают [τ] = 420 МПа.
Жесткое соединение полумуфт штифтом не может компенсировать вредного влияния их несоосности на штифт, условия работы которого становятся неопределенными. Поэтому необходима строгая центровка полумуфт.
К
улачковые предохранительные муфты по конструкции аналогичны сцепным кулачковым. Отличие в том, что подвижная в осевом направлении полумуфта поджата пружиной к неподвижной, а рабочие грани кулачков имеют большой угол наклона (β = 30 - 60°). Работа кулачковых муфт сопровождается изнашиванием кулачков, поэтому последние должны иметь высокую твердость (> 56 HRC). На рис., а, б показаны конструктивные схемы двух кулачковых муфт в момент их срабатывания (кулачки вышли из зацепления). Для повышения точности срабатывания муфты высоту кулачков следует делать по возможности небольшой и применять пружины малой жесткости. Необходимо предусмотреть также регулирование силы нажатия пружины, замыкающей кулачковую предохранительную муфту. В муфтах (рис.а,б) регулирование осуществляют гайкой, которую затем стопорят контргайкой.
О
т действия окружной силы Ft в зацеплении возникает осевая сила
Fa=Ft tg α,
которая стремится раздвинуть полумуфты и вывести их из зацепления. Этому противодействуют сила пружины F и сила трения на кулачках и в шлицевом (шпоночном) соединении. С учетом этих сил условия равновесия полумуфты 2 можно записать в виде
где α - угол заострения кулачка; ρ - угол трения в зацеплении кулачков (6...8°); f2 - коэффициент трения в шлицевом соединении (0,15).
В соответствии с силой F подбирают пружину. Прочность кулачков рассчитывают так же, как и в обычных кулачковых муфтах (см. выше). Недостатком предохранительных кулачковых муфт являются удары кулачков при перегрузках, сопровождающиеся большим шумом. Поэтому такие муфты не рекомендуют применять при высокой частоте вращения.
Ф
рикционные предохранительные муфты применяют при частых кратковременных перегрузках, главным образом ударного действия. Наибольшее распространение получили многодисковые фрикционные предохранительные муфты. Их конструируют по схемам рис.
На рис., а фрикционные диски сжимает одна центральная пружина сжатия, на рис., б - несколько расположенных по окружности пружин, на рис. , в - тарельчатые пружины. Если тарельчатые пружины расположить так, как показано на рис., г, то жесткость комплекта пружин будет меньше, что повысит точность срабатывания муфты.
О
сновные размеры фрикционных предохранительных муфт в зависимости от передаваемого момента принимают по ГОСТ 15622-96. (Размеры в мм)
Различают фрикционные муфты:
-
сухого трения (конструктивно проще, не требуют тщательной герметизации и обеспечивают передачу значительных вращающих моментов при сравнительно небольших нормальных силах на поверхностях трения).
2. работающие в масле (Смазка поверхностей трения уменьшает коэффициент трения, однако это компенсируется повышением давления и возможностью увеличения числа фрикционных пар. Тепловой режим и коэффициент трения в муфтах, работающих в масле, более стабильны, а изнашивание менее интенсивно).
В качестве фрикционных материалов в современных муфтах используются металлические и смешанные пары трения. Данные о фрикционных материалах и их характеристиках приведены в табл.
Расчетное допускаемое давление, являющееся параметром износостойкости.
- номинальное допускаемое давление на поверхности трения
- скорость скольжения, отнесённая к диаметру трения.
При скорости скольжения менее 1 м/с в расчёт берётся Vск=1 м/с
ДИСКОВАЯ ФРИКЦИОННАЯ МУФТА
С
реди фрикционных дисковые муфты (см. рис.7) получили наибольшее распространение из-за ….. возможности варьирования в широких пределах диаметральными размерами и числом пар поверхностей трения. Это позволяет получить оптимальные габариты и упрощает задачу создания встроенных конструкций.
Расчетный вращающий момент для дисковых муфт
где
- расчетное допускаемое давление в МПа ;
f - коэффициент трения ;
z - число пар поверхностей трения;
D и d - наружный и внутренний диаметры поверхностей трения в мм.
В проектном расчете из уравнения определяют:
z или D (в зависимости от требований компоновки), задаваясь
соответственно d и D или d и z. При этом должно соблюдаться соотношение D=(1.25...2)d.
В проверочном расчете из уравнения определяют:
Конструкция дисковой муфты упрощается при четном числе пар трения. Если по расчету z существенно отличается от целого числа, то после его округления целесообразно откорректировать размеры поверхностей трения.
Вследствие потерь на трение в шлицевых направляющих дисков осевая сила замыкания по мере удаления от нажимного диска снижается, что приводит к неравномерному износу фрикционных пар. Поэтому число пар поверхностей трения ограничивают:
z=8 - для муфт сухого трения и
















