Лаба 4 (945820)
Текст из файла
Московский Энергетический Институт.
(Технический Университет).
Кафедра ЭИ.
Лабораторная работа № 4
Выполнили студент
группы:
Проверил преподаватель:
Комаров Е.В.
-
Триггер Шмидта.
|
|
Параметры импульсов:
T = 0,94 мс
A =
tи =
tф пер = 0,5 мкс
tф зад = 0,04 мкс
f = 100 кГц
-
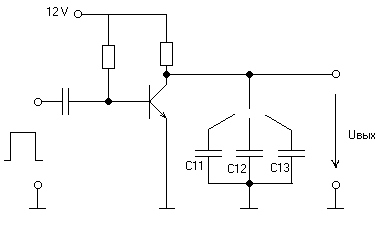
Мультивибратор на триггере Шмидта.
|
|
T = 4,7 мкс
A = 20 В
tи =
tф пер = 1,3 мкс
tф зад = 0,5 мкс
f = 100 кГц
-
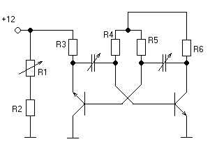
Симметричный мультивибратор на транзисторах.
|
|
Параметры импульсов при трех различных значениях емкостей:
-
0,03
| |
T = 0,84 мс
tф 0,1 < 0,01 мс
tф зад = 0,32 мс
f = 100 кГц
-
0,1
|
|
T = 1,75 мс
tф 0,1 < 0,01 мс
tф зад = 0,24 мс
f = 100 кГц
-
0,25
|
|
T = 3,9 мс
tф 0,1 < 0,01 мс
tф зад = 0,6 мс
f = 100 кГц
-
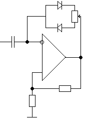
ГЛИН.
|
|
-
параметры импульсов при включении С11
Т = 0,96 мс
А = 2 В
t1 = 0,1 мс
t2 = 0,5 мс
-
параметры импульсов при включении С12
Т = 1 мс
А = 4,25 В
t1 = 0,1 мс
t2 = 0,5 мс
-
параметры импульсов при включении С13
Т = 1 мс
А = 7 В
t1 = 0,1 мс
t2 = 0,5 мс
4
Характеристики
Тип файла документ
Документы такого типа открываются такими программами, как Microsoft Office Word на компьютерах Windows, Apple Pages на компьютерах Mac, Open Office - бесплатная альтернатива на различных платформах, в том числе Linux. Наиболее простым и современным решением будут Google документы, так как открываются онлайн без скачивания прямо в браузере на любой платформе. Существуют российские качественные аналоги, например от Яндекса.
Будьте внимательны на мобильных устройствах, так как там используются упрощённый функционал даже в официальном приложении от Microsoft, поэтому для просмотра скачивайте PDF-версию. А если нужно редактировать файл, то используйте оригинальный файл.
Файлы такого типа обычно разбиты на страницы, а текст может быть форматированным (жирный, курсив, выбор шрифта, таблицы и т.п.), а также в него можно добавлять изображения. Формат идеально подходит для рефератов, докладов и РПЗ курсовых проектов, которые необходимо распечатать. Кстати перед печатью также сохраняйте файл в PDF, так как принтер может начудить со шрифтами.
















