Лаба 3 (945819)
Текст из файла
Московский Энергетический Институт.
(Технический Университет).
Кафедра ЭИ.
Лабораторная работа № 3
Исследование операционных усилителей
Выполнили студент
группы А-15-:
Проверил преподаватель:
Комаров Е.В.
-
Измерение всех возможных сопротивлений резисторов.
| R1’ = 1293 k | R1 = 15,1 k |
| R2’ = 1,309 k | RОС’ = 43,9 k |
| R21 = 470 k | RОСД = 51,3 k |
| R2* = 4,62 k | R2** = 82,5 k |
| RН1 = 1,1 k | RОС = 1,1 k |
| RН2 = 10 k | R2С = 27,8 |
| R1И = 24,2 k |
-
Измерение есм и iвх.
|
|
U вых 1 = 124 мВ
U вых 2 = 120 мВ
eсм = 0,012 В
iвх = -1,017 10-7
-
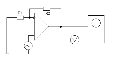
Инвертирующий усилитель.
-
Амплитудная характеристика
-
| Uвх, В | Uвых, В |
| 0,55 | 1,66 |
| 2,15 | 6,37 |
| 2,54 | 7,48 |
| 3,4 | 8,69 |
|
|
Ku = 3
-
Определение верхней границы полосы пропускания.
fв = 2,5 кГц
-
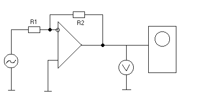
Не инвертирующий усилитель.
|
|
-
Амплитудная характеристика
| Uвх, В | Uвых, В |
| 1,2 | 5,8 |
| 2,3 | 10,1 |
| 3,8 | 15,7 |
| 5,3 | 18,8 |
|
|
Ku = 4,8
-
Определение верхней границы полосы пропускания.
fв = 1,6 кГц
-
Интегрирующий усилитель.
|
|
-
Амплитудно-частотная характеристика.
| f, Гц | 20 | 50 | 100 | 200 | 500 | 1000 | 2000 | 5000 | 104 | 2104 |
| Uвх | 3 В | |||||||||
| Uвых ,В | 8,5 | 4,5 | 2,5 | 1,2 | 0,5 | 0,2 | 0,13 | 0,04 | 0,013 | 0,001 |
| Ku | 2,83 | 1,50 | 0,83 | 0,40 | 0,17 | 0,07 | 0,04 | 0,01 | 0,00 | 0,00 |
| 20lgKu | 9,05 | 3,52 | -1,58 | -7,96 | -15,56 | -23,52 | -27,26 | -37,50 | -47,26 | -69,54 |
|
|
-
Определение Соси.
Подаем на вход прямоугольные импульсы. На выходе должны
получится пилообразные импульсы.
-
Дифференциальный усилитель.
|
|
-
Амплитудно-частотная характеристика.
| f, Гц | 20 | 50 | 100 | 200 | 500 | 1000 | 2000 | 5000 | 104 |
| Uвх | 0,03 В | ||||||||
| Uвых ,В | 0,06 | 0,17 | 0,34 | 0,69 | 1,71 | 3,46 | 7,26 | ||
| Ku | 2,00 | 5,67 | 11,33 | 23,00 | 57,00 | 115,33 | 242 | ||
| 20lgKu | 6,02 | 15,07 | 21,09 | 27,23 | 35,12 | 41,24 | 47,68 | ||
|
|
-
Подача на вход усилителя прямоугольных импульсов.
При подаче прямоугольных импульсов дифференциальный
усилитель возбуждается.
-
Избирательный усилитель.
|
|
6
Характеристики
Тип файла документ
Документы такого типа открываются такими программами, как Microsoft Office Word на компьютерах Windows, Apple Pages на компьютерах Mac, Open Office - бесплатная альтернатива на различных платформах, в том числе Linux. Наиболее простым и современным решением будут Google документы, так как открываются онлайн без скачивания прямо в браузере на любой платформе. Существуют российские качественные аналоги, например от Яндекса.
Будьте внимательны на мобильных устройствах, так как там используются упрощённый функционал даже в официальном приложении от Microsoft, поэтому для просмотра скачивайте PDF-версию. А если нужно редактировать файл, то используйте оригинальный файл.
Файлы такого типа обычно разбиты на страницы, а текст может быть форматированным (жирный, курсив, выбор шрифта, таблицы и т.п.), а также в него можно добавлять изображения. Формат идеально подходит для рефератов, докладов и РПЗ курсовых проектов, которые необходимо распечатать. Кстати перед печатью также сохраняйте файл в PDF, так как принтер может начудить со шрифтами.
















