Лаба 1 (945817)
Текст из файла
Московский Энергетический Институт.
(Технический Университет).
Кафедра ЭИ.
Лабораторная работа № 1
Исследование транзисторных усилителей
Выполнили студент
группы А-15-:
Проверил преподаватель:
Комаров Е.В.
-
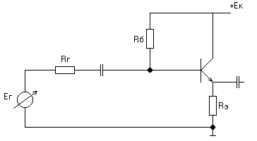
Усилительный каскад Общий Эмиттер.
|
|
Параметры рабочей точки:
IБ = 111,6 мкА
IК= 4,02 мА
UКЭ = 5,93 В
-
Амплитудная характеристика усилителя.
| Uвх, В | Uвых, В | |
| 0,037 | 1,64 | |
| 0,078 | 3,27 | |
| 0,112 | 4,38 | перегиб |
| 0,167 | 5,21 |
|
|
Ku = 44,32
-
Измерение входного сопротивления усилителя.
Rвх = 1400 Ом
-
Снятие амплитудно-частотной характеристики.
| f, Гц | 0 | 2 | 5 | 10 | 20 | 50 | 100 | 200 | 500 | 1000 | 2000 | 5000 | 104 | 2104 | 5104 | 105 |
| Uвх | 25 мВ | |||||||||||||||
| Uвых ,В | 2,5 | 2,5 | 2,5 | 2,5 | 2,55 | 2,56 | 2,57 | 2,58 | 2,58 | 2,61 | 2,68 | 2,59 | 2,14 | 1,62 | 0,95 | 0,46 |
| Ku | 100 | 100 | 100 | 100 | 102 | 102,4 | 102,8 | 103,2 | 103,2 | 104,4 | 107,2 | 103,6 | 85,6 | 64,8 | 38 | 18,4 |
| 20lgKu | 40 | 40 | 40 | 40 | 40,2 | 40,21 | 40,24 | 40,27 | 40,27 | 40,37 | 40,6 | 40,31 | 38,65 | 36,23 | 31,6 | 25,3 |
|
|
-
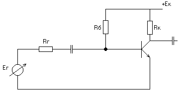
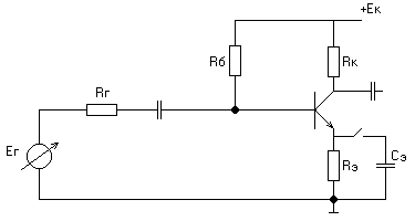
Усилительный каскад Общий Эмиттер с обратной связью.
|
|
Потенциалы транзистора:
UБ0 = 1,32 В
UК0= 5,96 В
UЭ0 = 0,63 В
-
Амплитудная характеристика усилителя.
| без Сэ | с Сэ | |||
| Uвх, В | Uвых, В | Uвх, В | Uвых, В | |
| 0,15 | 1,32 | 0,009 | 1,34 | |
| 0,28 | 2,46 | 0,019 | 2,45 | |
| 0,38 | 3,27 | 0,029 | 3,55 | |
| 0,41 | 3,53 | 0,06 | 4,83 | |
| |
без СЭ : Ku = 8,8
с СЭ : Ku = 148,89
Коэффициент усиления каскада без обратной связи больше, чем коэффициент усиления у каскада с обратной связью. Но зато второй усилитель имеет больший диапазон входных сигналов.
-
Измерение входного сопротивления усилителя.
без СЭ : Rвх > 1500 Ом
с СЭ : Rвх = 1300 Ом
Входное сопротивление каскада с обратной связью больше, входного сопротивления каскада без обратной связи.
-
Снятие амплитудно-частотной характеристики.
без СЭ :
| f, Гц | 0 | 2 | 5 | 10 | 20 | 50 | 100 | 200 | 500 | 1000 | 2000 | 5000 | 104 | 2104 | 5104 | 105 |
| Uвх | 0,048 В | |||||||||||||||
| Uвых ,В | 0,24 | 0,24 | 0,24 | 0,24 | 0,24 | 0,24 | 0,25 | 0,24 | 0,19 | 0,14 | 0,08 | |||||
| 20lgKu | 13,98 | 13,98 | 13,98 | 13,98 | 13,98 | 13,98 | 14,3 | 13,98 | 11,95 | 9,3 | 8,87 | |||||
с СЭ :
| f, Гц | 0 | 2 | 5 | 10 | 20 | 50 | 100 | 200 | 500 | 1000 | 2000 | 5000 | 104 | 2104 | 5104 | 105 |
| Uвх | 0,049 В | |||||||||||||||
| Uвых ,В | 0,28 | 0,38 | 0,57 | 0,82 | 0,99 | 1,04 | 1,08 | 0,73 | 0,68 | |||||||
| 20lgKu | 15,1 | 17,8 | 21,3 | 24,5 | 26,1 | 26,5 | 26,9 | 23,5 | 22,9 | |||||||
| |
Как видно из графиков, при введении обратной связи коэффициент усиления заметно уменьшился, но при этом произошло увеличение полосы пропускания.
-
Усилительный каскад Общий Коллектор.
|
|
-
Амплитудная характеристика усилителя.
| Uвх, В | Uвых, В | |
| 2,35 | 2,37 | |
| 3,48 | 3,51 | |
| 4,33 | 4,34 | перегиб |
| 5,49 | 4,72 |
|
|
Ku 1
-
Измерение входного сопротивления усилителя.
Rвх > 1500 Ом
-
Снятие амплитудно-частотной характеристики.
| f, Гц | 0 | 2 | 5 | 10 | 20 | 50 | 100 | 200 | 500 | 1000 | 2000 | 5000 | 104 | 2104 | 5104 | 105 |
| Uвх | 3,3 В | |||||||||||||||
| Uвых ,В | 3,17 | 3,14 | 3,15 | 3,15 | 3,16 | 3,19 | 3,29 | 3,24 | 2,77 | 2,29 | 2,32 | |||||
| Ku | 0,96 | 0,95 | 0,95 | 0,95 | 0,96 | 0,97 | 1,00 | 0,98 | 0,84 | 0,69 | 0,70 | |||||
| 20lgKu | -0,35 | -0,43 | -0,40 | -0,40 | -0,38 | -0,29 | -0,03 | -0,16 | -1,52 | -3,17 | -3,06 | |||||
|
|
-
Усилительный каскад, состоящий из трех предыдущих каскадов, соединенных вместе.
-
Амплитудная характеристика усилителя.
| Uвх, В | Uвых, В | |
| 0,001 | 0,02 | |
| 0,003 | 0,036 | |
| 0,018 | 0,147 | перегиб |
| 0,021 | 0,156 |
| |
Ku = 20
-
Снятие амплитудно-частотной характеристики.
| f, Гц | 0 | 2 | 5 | 10 | 20 | 50 | 100 | 200 | 500 | 1000 | 2000 | 5000 | 104 | 2104 | 5104 | 105 |
| Ku | 143 | 466 | 758 | 851 | 880 | 930 | 950 | 960 | 875 | 835 | 252 | |||||
| 20lgKu | 43,1 | 53,4 | 57,6 | 58,6 | 58,9 | 59,4 | 59,6 | 59,6 | 58,8 | 58,4 | 48,0 |
| |
При соединении всех каскадов наблюдается наибольший коэффициент усиления.
7
Характеристики
Тип файла документ
Документы такого типа открываются такими программами, как Microsoft Office Word на компьютерах Windows, Apple Pages на компьютерах Mac, Open Office - бесплатная альтернатива на различных платформах, в том числе Linux. Наиболее простым и современным решением будут Google документы, так как открываются онлайн без скачивания прямо в браузере на любой платформе. Существуют российские качественные аналоги, например от Яндекса.
Будьте внимательны на мобильных устройствах, так как там используются упрощённый функционал даже в официальном приложении от Microsoft, поэтому для просмотра скачивайте PDF-версию. А если нужно редактировать файл, то используйте оригинальный файл.
Файлы такого типа обычно разбиты на страницы, а текст может быть форматированным (жирный, курсив, выбор шрифта, таблицы и т.п.), а также в него можно добавлять изображения. Формат идеально подходит для рефератов, докладов и РПЗ курсовых проектов, которые необходимо распечатать. Кстати перед печатью также сохраняйте файл в PDF, так как принтер может начудить со шрифтами.
















