Задача 12 (942895)
Текст из файла
-
Метод умножения:
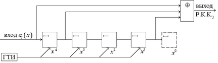
Код (15,11)
|
|
|
|
|
|
|
|
|
|
|
|
|
|
|
|
|
|
|
|
|
|
|
|
|
|
|
|
|
|
|
|
|
|
|
|
|
|
|
|
|
|
|
|
|
| 1 | 0 | 1 | 0 | 0 | 0 | 1 | 1 | 0 | 0 | 1 | ||||
| 1 | 1 | 0 | 0 | 1 | ||||||||||
| 1 | 0 | 1 | 0 | 0 | 0 | 1 | 1 | 0 | 0 | 1 | ||||
| 1 | 0 | 1 | 0 | 0 | 0 | 1 | 1 | 0 | 0 | 1 | ||||
| 1 | 0 | 1 | 0 | 0 | 0 | 1 | 1 | 0 | 0 | 1 | ||||
| 1 | 1 | 1 | 1 | 1 | 0 | 0 | 0 | 1 | 0 | 0 | 0 | 0 | 0 | 1 |
| 1 | 1 | 1 | 1 | 1 | 0 | 0 | 0 | 1 | 0 | 0 | 1 | 0 | 0 | 1 | 11001 |
| 1 | 1 | 0 | 0 | 1 |
| ||||||||||
| 1 | 1 | 0 | 0 | 0 | |||||||||||
| 1 | 1 | 0 | 0 | 1 | |||||||||||
| 1 | 0 | 1 | 0 | 0 | |||||||||||
| 1 | 1 | 0 | 0 | 1 | |||||||||||
| 1 | 1 | 0 | 1 | 1 | |||||||||||
| 1 | 1 | 0 | 0 | 1 | |||||||||||
| 1 | 0 | 0 | 0 | 1 | |||||||||||
| 1 | 1 | 0 | 0 | 1 | |||||||||||
| 0 | 1 | 0 | 0 | 0 |
|
| N | вх | x4 | x3 | x2 | x1 | x0 | вых |
| 1 | 1 | 1 | 0 | 0 | 0 | 0 | 1 |
| 2 | 0 | 0 | 1 | 0 | 0 | 0 | 1 |
| 3 | 1 | 1 | 0 | 1 | 0 | 0 | 1 |
| 0 | 0 | 1 | 0 | 1 | 0 | 1 | |
| 5 | 0 | 0 | 0 | 1 | 0 | 1 | 1 |
| 6 | 0 | 0 | 0 | 0 | 1 | 0 | 0 |
| 7 | 1 | 1 | 0 | 0 | 0 | 1 | 0 |
| 8 | 1 | 1 | 1 | 0 | 0 | 0 | 0 |
| 9 | 0 | 0 | 1 | 1 | 0 | 0 | 1 |
| 10 | 0 | 0 | 0 | 1 | 1 | 0 | 0 |
| 11 | 1 | 1 | 0 | 0 | 1 | 1 | 0 |
| 12 | x | x | 1 | 0 | 0 | 1 | 0 |
| 13 | x | x | x | 1 | 0 | 0 | 0 |
| 14 | x | x | x | x | 1 | 0 | 0 |
| 15 | x | x | x | x | x | 1 | 1 |
-
Метод деления:
Код (15,11)
| 1 | 0 | 1 | 0 | 0 | 0 | 1 | 1 | 0 | 0 | 1 | 0 | 0 | 0 | 0 | 11001 |
| 1 | 1 | 0 | 0 | 1 |
| ||||||||||
| 1 | 1 | 0 | 1 | 0 | |||||||||||
| 1 | 1 | 0 | 0 | 1 | |||||||||||
| 1 | 1 | 1 | 1 | 0 | |||||||||||
| 1 | 1 | 0 | 0 | 1 | |||||||||||
| 1 | 1 | 1 | 0 | 1 | |||||||||||
| 1 | 1 | 0 | 0 | 1 | |||||||||||
| 1 | 0 | 0 | 0 | 0 | |||||||||||
| 1 | 1 | 0 | 0 | 1 | |||||||||||
| 1 | 0 | 0 | 1 | 0 | |||||||||||
| 1 | 1 | 0 | 0 | 1 | |||||||||||
| 1 | 0 | 1 | 1 | 0 | |||||||||||
| 1 | 1 | 0 | 0 | 1 | |||||||||||
| 1 | 1 | 1 | 1 |
Характеристики
Тип файла документ
Документы такого типа открываются такими программами, как Microsoft Office Word на компьютерах Windows, Apple Pages на компьютерах Mac, Open Office - бесплатная альтернатива на различных платформах, в том числе Linux. Наиболее простым и современным решением будут Google документы, так как открываются онлайн без скачивания прямо в браузере на любой платформе. Существуют российские качественные аналоги, например от Яндекса.
Будьте внимательны на мобильных устройствах, так как там используются упрощённый функционал даже в официальном приложении от Microsoft, поэтому для просмотра скачивайте PDF-версию. А если нужно редактировать файл, то используйте оригинальный файл.
Файлы такого типа обычно разбиты на страницы, а текст может быть форматированным (жирный, курсив, выбор шрифта, таблицы и т.п.), а также в него можно добавлять изображения. Формат идеально подходит для рефератов, докладов и РПЗ курсовых проектов, которые необходимо распечатать. Кстати перед печатью также сохраняйте файл в PDF, так как принтер может начудить со шрифтами.
















