C-8 вар 12 (940262)
Текст из файла
C-8. Определение положения центра тяжести тела.
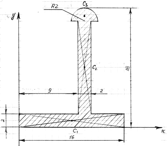
Определить координаты центра тяжести фигуры, показанной на рис. C8.1.
рис. C8.1
Решение.
Координаты центра тяжести плоской фигуры определяем по формулам:
x = Sy*F; y = SX/F, где (1)
Sy = ∑ Fi*xi; Sx = ∑ Fi*yi
Чтобы воспользоваться формулами (1), поделим плоскую фигуру на простые части, для которых легко находятся площади Fi и координаты центров тяжести xi и yi.
I фигура – прямоугольник (рис. C8.1 – центр тяжести – С1)
S1 = 2*16 = 32 (см2)
x1 = 8 см
y1 = 1 см
II фигура – прямоугольник (рис. C8.1 – центр тяжести – С2)
S2 = 2*14 = 28 (см2)
x2= 10 см
y2= 9 см
III фигура – полукруг (рис. C8.1 – центр тяжести – С3)
S3 = 0,5*πR2 = 6,283 (см2)
x1 = 10 см
y1 = 16 + 4R/3π = 16,849 см
Таким образом, подставляя найденные значения площадей и координат центров тяжести простых фигур в формулы (1), найдем координаты центра тяжести плоской фигуры:
Центр тяжести площади указан на рис. C8.1.
Характеристики
Тип файла документ
Документы такого типа открываются такими программами, как Microsoft Office Word на компьютерах Windows, Apple Pages на компьютерах Mac, Open Office - бесплатная альтернатива на различных платформах, в том числе Linux. Наиболее простым и современным решением будут Google документы, так как открываются онлайн без скачивания прямо в браузере на любой платформе. Существуют российские качественные аналоги, например от Яндекса.
Будьте внимательны на мобильных устройствах, так как там используются упрощённый функционал даже в официальном приложении от Microsoft, поэтому для просмотра скачивайте PDF-версию. А если нужно редактировать файл, то используйте оригинальный файл.
Файлы такого типа обычно разбиты на страницы, а текст может быть форматированным (жирный, курсив, выбор шрифта, таблицы и т.п.), а также в него можно добавлять изображения. Формат идеально подходит для рефератов, докладов и РПЗ курсовых проектов, которые необходимо распечатать. Кстати перед печатью также сохраняйте файл в PDF, так как принтер может начудить со шрифтами.
















