V17-C5 (939879)
Текст из файла
Тема: «Определение реакций опор составной конструкции (система двух тел)».
Задание: Конструкция состоит из двух частей. Установить, при каком способе соединения частей конструкции модуль реакции
наименьший, и для этого варианта соединения определить реакции опор, а также соединения С.
Дано:
= 9,0 кН;
= 12,0 кН;
= 26,0 кН
м;
= 4,0 кН/м.
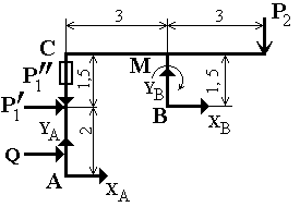
Схема конструкции представлена на рис.1.
Рис.1. Схема исследуемой конструкции.
Решение:
1) Определение реакции опоры А при шарнирном соединении в точке С.
Рассмотрим систему уравновешивающихся сил, приложенных ко всей конструкции (рис.2.). Составим уравнение моментов сил относительно точки B.
Рис.2.
После подстановки данных и вычислений уравнение (1) получает вид:
Второе уравнение с неизвестными
и
получим, рассмотрев систему уравновешивающихся сил, приложенных к части конструкции, расположенной левее шарнира С (рис. 3):
Рис. 3.
Подставив найденное значение
в уравнение (1’) найдем значение
:
Модуль реакции опоры А при шарнирном соединении в точке С равен:
2) Расчетная схема при соединении частей конструкции в точке С скользящей заделкой, показанной на рис. 4.
Рис. 4
Системы сил, показанные на рис. 2 и 4, ничем друг от друга не отличаются. Поэтому уравнение (1’) остается в силе. Для получения второго уравнения рассмотрим систему уравновешивающихся сил, приложенных к части конструкции, располоденной левее скользящей заделки С (рис. 5).
Рис. 5
Составим уравнение равновесия:
откуда
и из уравнения (1’) находим:
Следовательно, модуль реакции при скользящей заделке в шарнире С равен:
Итак, при соединении в точке С скользящей заделкой модуль реакции опоры А меньше, чем при шарнирном соединении (≈ 13%). Найдем составляющие реакции опоры В и скользящей заделки.
Для левой от С части (рис. 5а)
откуда
Составляющие реакции опоры В и момент в скользящей заделке найдем из уравнений равновесия, составленных для правой от С части конструкции.
Результаты расчета приведены в таблице 1.
Таблица 1.
Силы, кН | Момент, кН*м | ||||||
| XA | YA | RA | XC | XB | YB | MC | |
| Для схемы на рис. 2 | -7,5 | -18,4 | 19,9 | - | - | - | - |
| Для схемы на рис. 4 | -14,36 | -11,09 | 17,35 | -28,8 | 28,8 | 12,0 | -17,2 |
Характеристики
Тип файла документ
Документы такого типа открываются такими программами, как Microsoft Office Word на компьютерах Windows, Apple Pages на компьютерах Mac, Open Office - бесплатная альтернатива на различных платформах, в том числе Linux. Наиболее простым и современным решением будут Google документы, так как открываются онлайн без скачивания прямо в браузере на любой платформе. Существуют российские качественные аналоги, например от Яндекса.
Будьте внимательны на мобильных устройствах, так как там используются упрощённый функционал даже в официальном приложении от Microsoft, поэтому для просмотра скачивайте PDF-версию. А если нужно редактировать файл, то используйте оригинальный файл.
Файлы такого типа обычно разбиты на страницы, а текст может быть форматированным (жирный, курсив, выбор шрифта, таблицы и т.п.), а также в него можно добавлять изображения. Формат идеально подходит для рефератов, докладов и РПЗ курсовых проектов, которые необходимо распечатать. Кстати перед печатью также сохраняйте файл в PDF, так как принтер может начудить со шрифтами.
















